计算机组成原理<五>——存储系统
接受平凡,努力出众,承认普通,但拒绝沉沦于平庸。大家好,我是你们的老朋友,小KK。存储系统基本概念存储器的层次结构

Train yourself to let go of everything you fear to lose.
存储系统基本概念
存储器的层次结构
我们平时玩的王者荣耀,抖音是放在辅存里面的,但是要是运行需要把辅存中的数据调入到CPU,而辅存的速度又太慢,只能先将其调入到主存,然后再被CPU访问。
但是主存的速度还是不够快,我们引入了Cache,把经常使用的,例如:微信里的视频功能,存入到Cache中,一旦使用直接被CPU访问,加快速度.这就是Cache的主要作用,主要是缓解CPU和主存之间的速度矛盾
主存---辅存:实现虚拟存储系统,解决了主存容量不够的问题
Cache--辅存:解决了主存与CPU速度不匹配的问题
存储器的分类
层次
存储介质
存储器的功能:存放二进制信息
1.半导体存储器(主存,Cache):以半导体器件存储信息
2.磁表面存储器(磁盘,磁带):以磁性材料存储信息
3.光存储器:以光介质存储信息
存取方式
随机存取存储器:读写任何一个存储单元所需时间都相同,与存储单元所在的物理位置无关.
顺序存取存储器:读写一个存储单元所需要时间取决于存储单元所在的物理位置
直接存取存储器:既有随机存取特性,也有顺序存取特性。先直接选取信息所在区域,然后按顺序方式存取
相联存储器:即可以按内容访问的存储器,可以按照内容检索到存储位置进行读写,"快表就是一种相联存储器
顺序,直接存取存储器,称为串行访问存储器,读写某个存储单元所需时间与存储单元的物理位置有关.
信息的可更改性:
读写存储器:即可读,也可写(如:磁盘,内存,Cache)
只读存储器:只能读,不能写
信息的可保存性
断电后,存储信息消失的存储器--易失性存储器(主存,Cache)
断电后,存储信息依然保持的存储器--非易失性存储器(磁盘,光盘)
信息读出后,原存储信息被破坏--破坏性读出(如DRAM芯片)
信息读出后,原存储信息不被破坏--非破坏性读出(如SRAM芯片)
存储器的性能指标
1.存储容量;存储字数*字长(前面讲过,此处不做过多赘述)
2.单位成本:每位价格=总成本/总容量
3.存储速度:数据传输率=数据的宽度/存储周期(数据的宽度:存储字长,存储周期=存取时间+恢复时间)
主存储器的基本组成
基本的半导体元件及原理
读出:WMOS管:可理解为一种电控开关,输入电压达到某个阈值时,MOS管就可以接通,MOS就是一个典型的半导体元件;电容的下面是接地的,当电容上下存在明显电压差,就会产生电浮,计算机中用二进制1表示,MOS管中电压达到某个阈值时,就会接通,将1传入到另一边
写入:再导线的右端加一个电压,用二进制1表示,然后MOS管接通,1进来,电容就会存在电压差,接下来断开MOS管,这样电容里的电荷就跑不出去了.
然后我们将多个存储元连在一起,我们就一次性可以读出或写入多个二进制数据;我们称为存储单元.将多个存储单元称为存储体;
存储器芯片的基本原理
n位地址->2^n个存储单元;
总容量=存储单元个数*存储字长=2^3*8bit=2^3*1Byte=8B
译码器:根据地址寄存器给出的n位地址,转换成某一条选通线的高电平信号;
如图MAR:3位地址->2^3个存储单元;
接下来我们继续完善存储器的构成,我们需要增加控制电路
由于我们使用电信号传入,难免有不稳定的时候,当MAR里面的电信号稳定之前,控制电路是不会让其进入的,只有稳定时候才会打开译码器的开关,让译码器来翻译这个地址;当数据输出的时候,只有当MDR稳定的时候才会执行.
CS:芯片选择信号(上面有个线,不会打,可以看图中)
CE:芯片使能信号
这样就完成了一个完整构造的存储芯片;
n位地址->2^n个存储单元;
总容量=存储单元个数*存储字长=2^3*8bit=2^3*1Byte=8B
8*8的存储芯片
常见的描述:8K*8位,即2^13*8bit;8K*1位,即2^13*1bit;64K*16位,即2^16*16bit
寻址
现在计算机当中通常是按字节编制寻址的.每个小矩阵是8bit也就是1B;
这个存储矩阵总容量为1KB;
按字节寻址,1K个单元,每个单元1B;1K个单元,说明地址线有10根,2^10=1K
按字寻址:256个单元,每个单元4B;
按半字寻址:512个单元,每个单元2B;
按双字寻址:128个单元,每个单元8B;
DRAM和SRAM
存储元件不同导致的特性差异
Dynamic Random Access Memory 即动态RAM
Static Random Access Memory 即静态RAM
DRAM用于主存,SRAM用于Cache
DRAM芯片:使用栅极电容存储信息
SRAM芯片:使用双稳定触发器存储信息
核心区别:存储元不一样
栅极电容V.S.双稳态触发器
栅极电容
读出1:MOS管接通,电容放电,数据线上产生电流
读出电容后,也就是电容放电信息被破坏,是破坏性读出.读出后应有重写操作,也称"再生"
因此读写速度慢
读出0:MOS管接通后,数据线上无电流;
因为只有一个存储元制造成本更低一点,集成度高,功耗低
双稳态触发器
1:A高B低; 0:A低B高
读出数据,触发器状态保持稳定,是非破坏性读出,无需重写,因此读写速度快;
每个存储元制造成本更高,集成度低,功耗大
对比DRAM和SRAM
类型特点 SRAM(静态RAM) DRAM(动态RAM) 存储信息 触发器 电容 破坏性读出 非 是 读出后需要重写? 不用 需要 运行速度 快 慢 集成度 低 高 发热量 大 小 存储成本 高 低 易失/非易失性存储器? 易失 易失(断电后信息消失) 需要刷新? 不需要 需要(分散,集中,异步)
"刷新"由存储器独立完成,不需要CPU控制
送行列地址 同时送 分两次送(地址线复用技术)
导致地址线,地址引脚减半
用作Cache 用作主存 栅极电容:电容内的电荷只能维持2ms.即便不断电,2ms后信息也会消失;也就是2ms之内必须刷新一次(给电容充电)
双稳态触发器:只要不断电,触发器的状态就不会发生改变
DRAM的刷新
DRAM的刷新
1.多久需要刷新一次?刷新周期:一般为2ms
2.每次刷新多少存储单元?以行为单位,每次刷新一行存储单元
为什么要用行列地址?
减少选通线的数量;像2^8=256根选通线,可以排成2^4+2^4=32根选通线;
3.如何刷新:有硬件支持,读出一行的信息后重新写入,占用1个读/写周期
4.在什么时刻刷新?
DRAM的地址线复用技术
为了让地址线变的更少和更简单,我们采用DRAM的地址线复用技术,
行,列地址分两次送,可使地址线更少,芯片引脚更少
只读存储器ROM
RAM芯片——易失性,断电之后数据消失
ROM芯片------非易失性,断电之后数据不会丢失
MROM--掩模式只读存储器
厂家按照客户需求,在芯片生产过程中直接写入信息,之后任何人不可重写(只能读出),可靠性高,灵活性差,生产周期长,只适合批量定制.
PROM--可编程只读存储器
用户可用专门的PROM写入器写入信息,写一次之后就不可更改
EPROM--可擦除可编程只读存储器
允许用户写入信息,之后用某种方法擦除数据,可进行多次重写。
UVEPROM--用紫外线照射8-20分钟,擦除所有信息
EEPROM--可用"电擦除"的方式,擦除特定的字
Flash Memory--闪速存储器(U盘,SD卡就是闪存)
在EEPROM基础上发展而来,断电后能保存信息,且可进行多次快速擦除重写
SSD--固态硬盘
由控制单元+存储单元(Flash芯片)构成,与闪速存储器的核心区别在于控制单元不一样,但存储介质都类似,可进行多次快速擦除重写.SSD速度快,功耗低,价格高。目前个人电脑上常用SSD取代传统的机械硬盘
计算机内的重要ROM
CPU的任务:就是到主存中取指令并执行指令;
RAM:断电后,RAM内的数据全部丢失;
例如计算机关机后,主存里数据会全部丢失,CPU需要读取开机等指令,但是RAM数据全部丢失,所以需要从主板上的BIOS芯片(ROM)读取开机所需要的指令(BIOS芯片(ROM)存储了"自举装入程序"负责引导装入操作系统(开机)).
注:我们常说"内存条"就是"主存"但事实上,主板上的ROM芯片也是"主存"的一部分
逻辑上,主存由RAM+ROM组成,且二者统一编址.
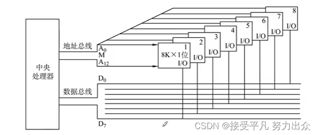
存储器与CPU的连接
单块存储芯片与CPU的连接
这个是8*8位的存储芯片;如果我们想要扩展主存字数怎么办?假如数据总线宽度>存储芯片字长怎么办?
虽然现在的MAR和MDR都画在存储器中,但现在的计算机MAR,MDR通常集成在CPU内部。存储芯片内只需一个普通的寄存器(暂存输入,输出数据)
现在的计算机
存储芯片的输入输出信号
片选信号:低电平有效(CS或CE)上面上划线;高电平有效(CS或CE)
读/写控制线:低电平有效(WE或WR)上面有上划线,高电平有效(WE或WR)
增加主存的存储字长---位扩展
8K就是2^13次方,所以我们要用13根地址线,A0-A12,WE代表write Enable不带上面的线,说明
当这个信号是高电平的时候,此时往里面写数据;CS上面没有画横线,直接给他接上高电平;
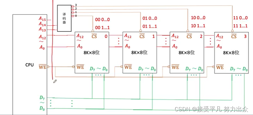
此时我们主存只有一块存储芯片,每一次只能读或写一位数据,所以此时主存的存储字长只有1bite,数据总线并没有被充分的利用;为了解决这个问题,我们给主存再加上相同型号的一个存储芯片;
接下来我们使用同样的方法,最终就可以得到:
8片8K*1位的存储芯片->1个8K*8位的存储器,容量8KB;
增加主存的存储字数--字扩展
按照上面的说法,连接后,发现A13,A14,A15这三根线会浪费掉,再仔细观察上面这个图给这两个芯片都是高电平1,他们都在工作,会导致数据总线D0-D7的冲突,那么如何解决这个问题囊?关键在于片选线的应用,当A13为1,A14为0时第一个芯片工作,第二个芯片不工作,反之则第二个工作,但是A13,A14不能同时为1,0;
这种方法称为线选法:A14,A133只能为01或10n条线->n个选片信号;
接下来对线选法进行优化,给A13接一个非门处理;
那么第一个芯片最低地址:100 0000 0000 0000;最高地址:11 1111 1111 1111;
第二芯片最低地址:00 0000 0000 0000;最高地址:01 1111 1111 1111
上面的我们称为1-2译码器;其实之前我们接触过更复杂的译码器,译码器片选法:n条线->2^n个片选信号;
我们接下来再看一个2-4译码器
按照同样的方法,把A15也接上,就是3-8译码器
既然有字扩展,位扩展,那么有没有两种结合
主存容量扩展--字位同时扩展
关于译码器知识的补充
这里我们给出3-8译码器,有三个输入端,八个输出端,译码器Y0-Y7只会有一条线是高电平,那么这个译码器就可以和高电平有效存储芯片配合使用;
那么我们来看译码器的另一种画法,译码器的右边画一个小圆,低电平有效;
那我们来看一种更复杂的情况
注:CPU可使用译码器的使能端控制片选信号的生效时间
双端口RAM和多模块存储器
存取周期
注:DRAM芯片的恢复时间比较长,有可能是存取时间的几倍(SRAM的恢复时间较短)
存取周期:可以连续读/写的最短时间间隔
如:存取时间为r,存取周期为T,T=4r;
多核CPU都要访存,怎么办?
CPU的读写速度比主存快很多主存恢复时间太长怎么办?
双端口RAM
作用:优化多核CPU访问同一根内存条的速度
需要有两组完全独立的数据线,地址线,控制线,CPU,RAM中也要有更复杂的控制电路
两个端口对同一主存操作有以下4种情况:
1.两个端口同时对不同的地址单元存取数据
2.两个端口同时对同一地址单元读出数据
3.两个端口同时对同一地址单元写入数据:写入错误
4.两个端口同时对同一地址单元,一个写入数据,另一个读出数据:读出错误
为了解决3和4这种情况,RAM向CPU发出"忙"的信号,置"忙"的信号为0,由判断逻辑决定暂时关闭一个端口(即被延时),未被关闭的端口正常访问,被关闭的端口延长一个很短的时间段后再访问。
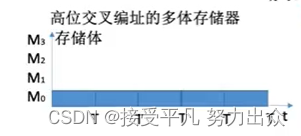
多体并行存储器
即便对于单核CPU,CPU的读取速度也比内存快得多,而内存读取后需要恢复时间后才能继续读取。这个问题的解决就可以使用多体并行存储器
高位交叉编址的多体存储器
可理解为"四根内存条":4*8=32=2^5;所以我们可以用5个bite作为主存的地址,高位的两个数表示体号,地址后面三位数表示体内地址.
低位的两个数表示体号,前三个数表示体内地址
每个存储体存取周期为T,存取时间为r,假设T=4r;
连续访问00000,00001,00010,00011,00100情况下:
低位交叉编址
下面的低位交叉编址的多体存储器耗时T+4r;而高位交叉编址的多体存储器耗时为4T;性能几乎提升了4倍
应该取几个"体"囊?
采用"流水线"的方式并行存取(宏观上并行,微观上串行)
宏观上,一个存储周期内,m体交叉存储器可以提供的数据量为单个模块的m倍。
存取周期为T,存取时间为r,为了使流水线不间断,应保证模块数m>=T/r.
m<T/r时
m>T/r时
m=T/r时
多模块存储器
多体并行存储器
每个模块都有相同的容量和存取速度。各模块都有独立的读写控制电路,地址寄存器和数据寄存器。他们既能并行工作,又能交叉工作.
单体多字存储器
每个存储单元存储m个字总线宽度也为m个字,一次并行读出m个字。
每次只能同时取m个字,不能单独取其中某个字,指令和数据在主存内必须时连续存放的
Cache的基本概念和原理
双端口RAM,多模块存储器提高存储器的工作速度,优化后速度与CPU差距依然很大
如何解决:我们可以设计更高速的存储单元,这就意味着我们存储价格就会更高;基于程序的局部性原理,我们增加一个"Cache-主存"层次
Cache的工作原理
注:实际上,Cache被集成在CPU内部Cache用SRAM实现,速度快,成本高;
空间局部性:在最近的未来要用到的信息(指令和数据),很可能与现在正在使用的信息在存储空间上是邻近的
时间局部性:在最近的未来要用到的信息,很可能是现在正在使用的信息
基于局部性原理,不难想到,可以把CPU目前访问的地址"周围"的部分数据1放在Cache中
设tc为访问一次Cache所需时间,tm为访问一次主存所需时间‘
命中率H:CPU欲访问的信息已在Cache中的比率
缺失(未命中)率M=1-H
Cache-主存 系统的平均访问时间t为
t=Htc+(1-H)(tc+tm)
先访问Cache,若Cache未命中再访问主存
或 t=Htc+(1-H)tm:同时访问Cache和主存,若Cache命中则立即停止访问主存
例题:
有待解决的问题
基于局部性原理,不难想到,可以把CPU目前访问的地址'周围:的部分数据放到Cache中,如何界定"周围"?
将主存的存储空间"分块',如:每1KB为一块,主存与Cache之间以"快"为单位进行数据交换
- 如何区分Cache与主存的数据块对应关系?--Cache和主存的映射方式
- Cache很小,主存很大.如果Cache满了怎么办?--替换算法
- CPU修改了Cache中的数据副本,如何确保主存中数据母本的一致性?--Cache写策略
下面的章节我将跟大家一起学习:
Cache和主存的映射方式
全相联映射--主存块可以放在Cache的任意位置
不了解有效位和标记是啥的可以先往下看,最后面有讲解
采用这种方式,CPU如何访问一个主存地址囊?
假设CPU访问主存地址,1..1101001110:
1.主存地址的前22位对比Cache中所有块的标记:
2.若标记匹配且有效位=1,则Cache命中,访问块内地址为001110的单元.
3.若未命中或有效位=0,则正常访问主存
直接映射--每个主存快只能放到一个特定的位置:Cache块号=主存块号%Cache总块数
直接映射,主存在Cache中的位置=主存块号%Cache总块数
例如主存中块号为0的0%8=0存储在Cache0的位置,主存中块号8,8%8=0,也是存储在0的位置,
缺点:其他地方有空闲Cache块,但是8号主存块不能使用
能否优化标记?
这里Cache有8行,主存块号%2^3,相当于留下最后三位二进制数;那么就意味着计算机只要读取22位中的后三位;
若Cache总块数=2^n则主存块号末尾n位直接反映它在Cache中的位置,将主存块号的其余位作为标记即可,Cache中只需要标记前19位,末尾三位不需要标记;
如何访存?
CPU访问主存地址:0...01000 001110:
1.根据主存号的后3位确定Cache行。
2.若主存块号的前19位与Cache标记匹配且有效位=1,则Cache命中,访问块内地址位001110的单元
组相联映射--Cache块分为若干组,每个主存块可放到特定分组中的任意一个位置组号=主存块号%分组数
主存块号%2^2,相当于我们只保留了主存块号的末尾两位,因此只需要看末尾两位就可以确定在被分配到哪,因此Cache中的标记只需要采用前20位即可。
CPU访问主存地址:1...1101001110:
1.根据主存块号的后两位确定所属分组号
2.若主存块号的前20位与分组内的某个标记匹配且有效位=1,则Cache名中,访问块内地址为001110的单元.
那么如何区分Cache中存放的是哪个主存块?
给每个Cache块增加一个"标记",记录对应的主存块号?光有"标记"就行了嘛?
假设9,8,5代表的是主存中数字在Cache中存放的位置;0代表没有空闲的位置,那主存中也存在0这个位置,不就表达有歧义了嘛?所以还要增加"有效位:1代表存储,0代表空闲
Cache替换算法
全相联映射
Cache完全满了才需要替换需要在全局选择替换哪一块
直接映射
如果对应位置非空,则毫无选择地直接替换
组相联映射
分组内满了才需要替换需要在分组内选择替换哪一块
随机算法--若Cache已满,则随机选择一块替换;
设总共有4个Cache快,初始整个Cache为空.采用全相联映射,依次访问主存块{1,2,3,4,1,2,5,1,2,3,4,5}
随机算法--实现简单,但完全没考虑局部性原理,命中率低,实际效果很不稳定
先进先出算法--若Cache已满,则替换最先被调入Cache的块
设总共有4个Cache快,初始整个Cache为空,采用全相联映射,依次访问主存块
{1,2,3,4,1,2,5,1,2,3,4,5}
先进先出算法--实现简单,最开始按#0#1#2#3放入Cache,之后轮流替换#0#1#2#3FIFO依然没考虑局部性原理,最先被调入Cache的块也有可能是被频繁访问的
近期最少使用算法--为每一个Cache块设置一个"计数器",用于记录每个Cache块已经有多久没被访问了,当Cache满后替换"计数器"最大的
设总共有4个Cache快,初始整个Cache为空,采用全相联映射,依次访问主存块
{1,2,3,4,1,2,5,1,2,3,4,5}
1.命中时,所命中的行的计数器清零,比其低的计数器加1,其余不变
2.未命中且还有空闲行时,新装入的行的计数器置为0,其余非空闲行全加1
3.未命中且无空闲行时,计数值最大的行的信息块被淘汰,新装行的块的计数器置为0,其余全加1
上面演示了部分步骤,剩下大家可以试着算一下
LRU算法--基于"局部性原理,近期被访问过得主存块,在不久的将来也很可能被再次访问,因此淘汰最久没被访问过得快是合理的.LRU算法的实际运行效果优秀,Cache命中率高.
最不经常使用算法--为每一个Cache块设置一个"计数器:"用于记录每个Cache块被访问过几次,当Cache满后替换"计数器"最小的
设总共有4个Cache快,初始整个Cache为空,采用全相联映射,依次访问主存块{1,2,3,4,1,2,5,1,2,3,4,5}
新调入的块计数器=0,之后每被访问一次计数器+1,需要替换时,选择计数器最小的一行
若有多个计数器最小的行,可按行号递增,或FIFO策略进行选择
LFU算法1--曾经被经常访问的主存块在未来不一定会用到(如;微信视频聊天相关的块)
并没有很好地遵循局部性原理,因此实际运行效果不如LRU
Cache写策略
写回法--当CPU对Cache写命中时,只修改Cache的内容,而不立即写入主存,只有当此块被换出时才写回主存,减少了访存次数,但存在数据不一致的隐患
增加一个脏位表示是否被修改过.
全写法--当CPU对Cache写命中时,必须把数据同时写入Cache和主存,一般使用写缓冲
访存次数增加,速度变慢,但更能保证数据一致性
使用写缓冲,CPU写的速度很快,若写操作不频繁,则效果很好,若写操作很频繁,可能会因为写缓冲饱和而发生阻塞
写分配法--当CPU对Cache写不命中时,把主存中的块调入Cache,在Cache中修改。通常搭配写回法使用
非写分配法--当CPU对Cache写不命中时只写入主存,不调入Cache,搭配全写法使用
现在计算机通常采用多级Cache,离CPU越近速度越快,容量越小;离CPU越远的速度越慢,容量越大;各级Cache间常采用"全写法+非全写分配法",Cache和主存间通常采用"写回法+写分配法"
页式存储器
假如一个微信有1GB大小,全部放入内存,并且需要连续存放,在很多时候会导致主存的利用率不高;为了让主存的利用率更高,就拿某个程序(4KB)来说,我们会把4KB的程序分为4个"页",每个页面的大小相同
页面存储系统:一个程序在(进程)在逻辑上被分为若干个大小相等的"页面","页面"大小与"块"的大小相同,每个页面可以离散地放入不同的主存块中.
虚地址VS实地址
逻辑地址(虚地址):程序员视角看到的地址
物理地址(实地址):实际在主存中的地址
逻辑页号->主存块号
地址变换过程
地址变换过程(增加TLB)
虚拟存储器
思考:打游戏时候的"Loading"界面背后是在干嘛?
--将游戏地图相关数据调入内存
页式虚拟存储器
有效位:当有效位为0说明程序还在辅存中,还没有被调入到主存;反之亦然
外存块号:可以找到每个页面在外存中存放的位置
访问位:页面替换算法;解决主存和辅存之间的替换
脏位:这个页面是否被修改过
段式虚拟存储器
按照功能模块拆分如:#0段是自己写的代码,#1段是库函数代码,#2是变量
更多推荐































































上面演示了部分步骤,剩下大家可以试着算一下



















所有评论(0)