基于 STM32G474 的三相 LLC+SR PWM 产出方案 LAT1555
随着AI技术的发展,对服务器的算力要求越来越高,对应供电系统的功率也越来越大,服务器电源单个功率模块的功率都开始由2~3KW向5.5KW和8.5KW发展,这也导致了功率拓扑的变化,之前DC/DC部分一般都是半桥或是全桥LLC+SR,到5.5KW之后客户都开始采用三相LLC+SR,本文介绍如何基于STM32G474产生适合三相LLC+SR控制的PWM方案。
关键字:三相 LLC+SR,PWM,HRTIME,TIMER
1. 前言
随着 AI 技术的发展,对服务器的算力要求越来越高,对应供电系统的功率也越来越大,服务 器电源单个功率模块的功率都开始由 2~3KW 向 5.5KW 和 8.5KW 发展,这也导致了功率拓扑的变化,之前 DC/DC 部分一般都是半桥或是全桥 LLC+SR,到 5.5KW 之后客户都开始采用三相 LLC+SR,本文介绍如何基于 STM32G474 产生适合三相 LLC+SR 控制的 PWM 方案。
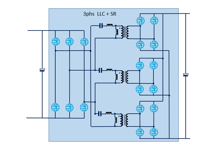
2. 三相 LLC + SR 拓扑结构
客户使用的三相 LLC+SR 的功率拓扑架构如下,原边功率器件组成三相全桥电路,副边针对 每一相输出采用全桥电路实现同步整流。该架构下需要 18 路 PWM 驱动,且最好能实现每一路的 PWM 都能单独控制其上升沿与下降沿;原副边驱动之间可以实现同步和移相,以满足控制的需 求。

针对该拓扑控制的需求,有以下问题需要解决:
- 单独使用 HRTIMER 已经没法满足要求,因为 STM32G474 其最多提供 12 通道的 PWM 驱动,必须将 HRTIMER 与高级控制定时器 ADTIMER 联合使用,以产生 18 路 PWM 驱动
- ADTIMER 所产生的驱动必须能实现上升沿与下降沿都可以单独控制
- 定时器的同步,包括 HRTIMER 内部各定时器的同步,多个 ADTIMER 之间的同步, HRTIMER 与 ADTIMER 之间的同步。
3. 解决方案
按照前文的说明,为了产生 18 路 PWM,需要使用 HRTIMER 和 ADTIMER 以及 GPTIMER 联合工作,多个定时器之间的协同工作关系如下:

TIM1 做为整个系统的时基,TIM2/TIM3/HRTIMER_Master Timer 都与 TIM1 的 TRGO 信 号同步。TIM8/TIM20 分别与 TIM2/TIM3 同步,实现 TIM1/TIM8/TIM20 三个高级控制定时器 之间 120°错相。而在 HRTIMER 内部,子定时器被分为三组,TimerA/B,TimerC/D, TimerE/F,分别与 Mater Timer 的 PER/CMP1/CMP2 同步,相差 120°。
TIM1/TIM8/TIM20 分别产生两路 PWM,每组之间移相 120°,作为原边 PWM 驱动。 TimerA/B,TimerC/D,TimerE/F 每组产生 4 路 PWM,每组之间移相 120°,作为副边全桥同步 整流的 PWM 驱动。
为了保证 PWM 的灵活性,要求每路 PWM 都能做到上升沿与下降沿可单独控制,这个要求 对于 HRTIMER 中产生的 PWM 没有问题,因为子每个定时器(TimerA/B/C/DE/F)内部都包含有 4 个比较寄存器器,刚好用于两路 PWM 的独立控制。而高级控制定时器中需要使用 Combined PWM 模式实现 PWM 的双沿可控,具体方法可以参考文档《如何使用高级控制定时器产生双沿可 调 PWM 驱动》。
在高级控制定时器中,以 TIM1 为例,PWM 产生的设置如下:

• TIM1_CH1 和 TIM1_CH3 做为一对 PWM,互补发波,死区软件可调
• PWM1/PWM3 工作方式为 combined PWM mode 2(TIM1_oc1ref/ TIM1_oc3ref)
• PWM2/PWM4 工作方式为 PWM mode 1(TIM1_oc2ref/ TIM1_oc4ref)
• TIM1_CH1 最终输出波形为 TIM1_oc1ref “与” TIM1_oc2ref
• TIM1_CH3 最终输出波形为 TIM1_oc3ref “与” TIM1_oc4ref
• TIM1_CH1 波形由 CCR1(rising edge) 和 CCR2(falling edge)控制
• TIM1_CH3 波形由 CCR3(rising edge) 和 CCR4(falling edge)控制
在高精度定时器中,以 TimerA/B 组为例,PWM 产生的设置如下:

• TimerA 和 TimerB 计数完全同步,无相差
• 每个定时的两路 PWM 工作在 independent mode,软件控制死区大小
SR1_PWM1
• Set source: TA_CMP1
• Reset source: TA_CMP2
SR1_PWM2
• Set source: TA_CMP3
• Reset source: TA_CMP4
SR1_PWM3
• Set source: TB_CMP1
• Reset source: TB_CMP2
SR1_PWM4
• Set source: TB_CMP3
• Reset source: TB_CMP4
按照以上的设计思想,基于CubeMx进行配置,具体见如下附件。
3phs LLC based On STM32G474.ioc
4. 部分实测波形
1. 原边三相驱动波形

2. 原边驱动波形调频,低频到高频

3. 原边驱动波形调频,高频到低频

4. 原边驱动+副边同步整流波形,调频,低频到高频

5. 原边驱动+副边同步整流波形,调频,高频到低频

5. 小结
本文针对三相LLC+SR功率拓扑控制对PWM的需求,基于STM32G474的高精度定时器、
高级控制定时器和通用定时器设计了一套PWM产生方案,并进行了实验验证。该方案的限制在
于高级控制定时器所产生的6路PWM驱动的分辨率只能达到5.88ns,对于谐振频率高且对分辨
率要求高于达到ps级别的场合无法适用。
意法半导体公司及其子公司 (“ST”)保留随时对 ST 产品和 / 或本文档进行变更的权利,恕不另行通知。买方在订货之前应获取关于 ST 产品 的最新信息。 ST 产品的销售依照订单确认时的相关 ST 销售条款。 买方自行负责对 ST 产品的选择和使用, ST 概不承担与应用协助或买方产品设计相关的任何责任。 ST 不对任何知识产权进行任何明示或默示的授权或许可。 转售的 ST 产品如有不同于此处提供的信息的规定,将导致 ST 针对该产品授予的任何保证失效。 ST 和 ST 徽标是 ST 的商标。若需 ST 商标的更多信息,请参考 www.st.com/trademarks。所有其他产品或服务名称均为其 各自所有者的财 产。 本文档是ST中国本地团队的技术性文章,旨在交流与分享,并期望借此给予客户产品应用上足够的帮助或提醒。若文中内容存有局限或与ST 官网资料不一致,请以实际应用验证结果和ST官网最新发布的内容为准。您拥有完全自主权是否采纳本文档(包括代码,电路图等)信息,我 们也不承担因使用或采纳本文档内容而导致的任何风险。 本文档中的信息取代本文档所有早期版本中提供的信息。
更多推荐



所有评论(0)