立锜 48V AI数据中心散热风扇驱动器解决方案
随着数据中心功率密度提升,48V服务器风扇散热系统成为趋势。立锜RT7084是一款专为PMSM/BLDC电机设计的驱动芯片,集成ARM Cortex-M0核心和无感测FOC控制技术,可有效解决高速运转稳定性(最高50,000RPM)、逆风启动等挑战。其4x4mm QFN封装高度整合MCU、驱动器和Buck转换器,大幅减小PCB面积。支持Code-Free开发架构,通过GUI界面快速调整参数,简化开
BLDC:Brushless DC motor--无刷直流马达
PMSM: Permanent-m agnet s同步m otor永磁同步马达
永磁同步马达和直流无刷马达的转子都含有永久磁铁,两种马达的差异主要在磁通及反电动势(back EMF)的分布,永磁同步马达的反电动势为弦波,而直流无刷马达的反电动势为接近方波的梯形波,有关马达相关的知识在此不多加叙述, 本文旨在以马达的驱动技术为主。
近年来 AI 应用蓬勃发展,数据中心内部服务器的运算密度与功率消耗大幅提升,高效能芯片的热不断攀升。 为确保系统稳定运行,服务器散热系统必须朝向更高风量、更高效率与更高可靠性的方向升级。 在这波转型中,数据中心服务器的电源架构也从传统 12V 全面升级至 48V,以降低线路损耗并提升能源效率。 对应的风扇散热模组也正式迈入48V风扇时代。
面对风扇转速、风压、空间限制与控制复杂度等多重挑战,立锜 RT7084 应运而生,成为新世代服务器风扇冷却的理想驱动解决方案。 以下将针对 48V 风扇驱动器在实际应用中所面临的主要挑战,并说明 RT7084 如何以创新技术与高度整合设计,为新世代服务器的风扇冷却提供最佳解决方案。
1.增加运转稳定性,改善震动与噪音
当今系统对散热效能的要求日益提升,风扇转速已突破50,000 RPM。 然而,如此高速运转容易导致转速不稳、震动加剧与噪音上升,进而影响系统的可靠性与用户体验。
针对这些挑战,RT7084 采用 Sensorless FOC(Field-Oriented Control) 无感测矢量控制技术,通过精密算法实时估算转子位置,确保马达在高转速下始终维持最佳驱 动角度,实现精准动态控制。 这不仅有效抑制震动与转矩脉动,显著提升风扇运转的稳定性,更大幅降低扇叶震动所产生的噪音。
如下圖所示:

与传统 12V 风扇方案相比, RT7084 展现出更平顺的电流波形、代表其在高速运转期间依然能维持低震 动与低噪音的优异表现,为高效散热系统带来全新升级体验。
2.强化激活可靠性,提升逆风启动能力
服务器系统会配置多颗风扇以确保优异的散热效能。 然而,由于控制讯号传递的时间差,部分风扇在启动时可能会因较晚接收到讯号而出现逆风状况,传统 12V 风扇因转速较低风压较小,逆风现象较不严重。 但随着新一代48V风扇的导入,其高转速与强大风压使逆风现象更加严重。 因此,抗逆风启动能力已成为48V服务器风扇方案评估的关键规格,若未针对逆风状况设计完善的启动策略,将严重影响整体冷却系统的可靠性。
RT7084 开发独特的逆风启动策略,能有效克服逆风带来的挑战,展现出卓越的抗逆风启动能力,进一步提升系统稳定性。
其逆风启动波形如下图所示:

在逆风状态做启转时,会先进行煞车控制,当转速接近静止时,再以增强的起转扭矩抵抗逆风。
这项创新技术,可以使风扇顺利进入正常运转、为新世代服务器系统带来更高的可靠性与稳定性。
3.提升整合能力,小尺寸成核心关键
服务器系统因空间高度紧凑的产品特性,使得服务器风扇的尺寸最小仅有 4cm (长) x 4cm (宽),对元件整合度与布局 有着极高要求。 因此,如何让 48V 风扇方案顺利融入既有空间限制与产品开发,成为 必须克服的关键挑战。 RT7084 采用 4mm x 4mm QFN 封装设计,将 MCU、Gate Driver 与 Buck 转换器高度整合于单一芯片,无需额外加 入降压模块即可为芯片提供稳定可靠的电源。 内置Buck转换器采用立锜专利ACOT®控制技术,只需搭配0806封装电感即可运作。 同时将多数外部元件高度集成于芯片内部,有效简化PCB布局并降低BOM成本。 如下图所示,于实际应用中,可轻易实现 4cm 服务器风扇的 PCB Layout 设计。


4.简化开发流程,加速导入时间
RT7084 创新推出 Code-Free 开发架构,无需撰写任何代码,客户只需通过直觉化的窗口界面,即可轻松调整控制参数。 如下图的Tuning GUI 与 ADA (Application Development Assistant)GUI 即为本次 Code-Free 架构专用的作界面,透过 GUI 可快速完成功能设定与应用开发,大幅降低技术门槛。 此外,立锜亦提供完整的技术文件,协助客户快速上手并完成各项设定。
RT7084 专用GUI:

RICHTEK 官網:
https://www.richtek.com/?sc_lang=zh-TW
RT7084C2M:
大联大品佳有提供RT7084C2M (EVB) 进行开发前项目评估使用,RICHTEK也有提供相关的开发资源,欢迎有兴趣的公司/工程师与品佳的相关窗口联络,谢谢!
转载声明:本篇图文转载自RICHTEK官方网站及千图网授权商业使用
<PartI本篇完>
►场景应用图


►展示板照片


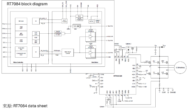
►方案方块图

►核心技术优势
1. 专为 PMSM/BLDC 电机应用而设计的专用集成电路 (ASIC)
2. 嵌入了 ARM 32 位 Cortex-M0 核心和外围电路,可实现无传感器磁场定向控制 (FOC)
3. 整合外围:ADC 输入滤波器、通信接口、热传感器、短路保护 (SCP) 和堵转保护
4. ASIC 整合三相电机控制器、3 组(三相栅极驱动器、自举二极管)
5. 一个 5V 低压差稳压器 (LDO)与一个降压转换器
6. 以三个半桥配置驱动外部 N 通道 MOSFET,从而减少外部元件数量
7. 高集成方案减少了PCB 尺寸和降低系统成本
8. 满载时设备功耗 ≤ 2W
►方案规格
1. 输入电压范围:16V 至80V
2. 无感测器正弦波磁场定向控制(FOC)
3. ADC 输入端整合滤波器
4. 保护功能:短路保护(SCP)、欠压锁定(UVLO)、堵转保护和热检测
5. ARM 32 位Cortex-M0 CPU,主频60MHz
6. 內存大小:16kB MTP、内置ROM(包含嵌入式马达控制库)和4kB SRAM
7. 电源管理:深度睡眠
8. 通信界面:I2C 和UART
9. 可设定ADC 增益:x1、x4 和x8
10. 5 信道12位ADC
11. AD0 至AD3 用于差模电流检测
12. AD6 至AD8 用于系统应用
13. 1组电压型8位DAC
► 技术文档

本篇作者-品佳集团-大大鱼干
更多资讯可点击此处前往大联大微博中查看,感谢支持!
更多推荐



所有评论(0)