大学“电路分析基础”试题合集第七章
考试必刷秘籍
“电路分析基础”试题合集第七章
一、填空题(每空1分)
1、当流过一个线圈中的电流发生变化时,在线圈本身所引起的电磁感应现象称 自感 现象,若本线圈电流变化在相邻线圈中引起感应电压,则称为 互感 现象。
2、当端口电压、电流为 关联 参考方向时,自感电压取正;若端口电压、电流的参考方向 非关联时 ,则自感电压为负。
3、互感电压的正负与电流的 方向 及 同名 端有关。
4、两个具有互感的线圈顺向串联时,其等效电感为 L=L1+L2+2M ;它们反向串联时,其等效电感为 L=L1+L2-2M 。
5、两个具有互感的线圈同侧相并时,其等效电感为
;它们异侧相并时,其等效电感为
。
6、理想变压器的理想条件是:①变压器中无 损耗 ,②耦合系数K= 1 ,③线圈的 自感 量和 互感 量均为无穷大。理想变压器具有变换 电压 特性、变换 电流 特性和变换 阻抗 特性。
7、理想变压器的变压比n= U1/U2 ,全耦合变压器的变压比n=
。
8、当实际变压器的 损耗 很小可以忽略时,且耦合系数K= 1 时,称为 全耦合 变压器。这种变压器的 电感 量和 互感 量均为有限值。
9、空芯变压器与信号源相连的电路称为 初级 回路,与负载相连接的称为 次级 回路。空芯变压器次级对初级的反射阻抗Z1r=
。
10、理想变压器次级负载阻抗折合到初级回路的反射阻抗Z1n=
。
二、判断题(每小题1分)
1、由于线圈本身的电流变化而在本线圈中引起的电磁感应称为自感。 ( ∨ )
2、任意两个相邻较近的线圈总要存在着互感现象。 ( × )
3、由同一电流引起的感应电压,其极性始终保持一致的端子称为同名端。 ( ∨ )
4、两个串联互感线圈的感应电压极性,取决于电流流向,与同名端无关。 ( × )
5、顺向串联的两个互感线圈,等效电感量为它们的电感量之和。 ( × )
6、同侧相并的两个互感线圈,其等效电感量比它们异侧相并时的大。 ( ∨ )
7、通过互感线圈的电流若同时流入同名端,则它们产生的感应电压彼此增强。( ∨ )
8、空芯变压器和理想变压器的反射阻抗均与初级回路的自阻抗相串联。 ( × )
9、全耦合变压器的变压比与理想变压器的变压比相同。 ( × )
10、全耦合变压器与理想变压器都是无损耗且耦合系数等于1。 ( × )
三、单项选择题(每小题2分)
1、符合全耦合、参数无穷大、无损耗3个条件的变压器称为( B )
A、空芯变压器 B、理想变压器 C、实际变压器
2、线圈几何尺寸确定后,其互感电压的大小正比于相邻线圈中电流的 ( C )
A、大小 B、变化量 C、变化率
3、两互感线圈的耦合系数K=( B )
A、
B、
C、![]()
4、两互感线圈同侧相并时,其等效电感量L同=( A )
A、L1L2-M2L1+L2-2M
B、L1L2-M2L1+L2+2M2
C、L1L2-M2L1+L2-M2
5、两互感线圈顺向串联时,其等效电感量L顺=( C )
A、L1+L2-2M B、L1+L2+M C、L1+L2+2M
6、符合无损耗、K=1和自感量、互感量均为无穷大条件的变压器是( A )
A、理想变压器 B、全耦合变压器 C、空芯变压器
7、反射阻抗的性质与次级回路总阻抗性质相反的变压器是( C )
A、理想变压器 B、全耦合变压器 C、空芯变压器
8、符合无损耗、K=1和自感量、互感量均为有限值条件的变压器是( B )
A、理想变压器 B、全耦合变压器 C、空芯变压器
四、简答题(每小题4分)
1、试述同名端的概念。为什么对两互感线圈串联和并联时必须要注意它们的同名端?
答:由同一电流产生的感应电压的极性始终保持一致的端子称为同名端,电流同时由同名端流入或流出时,它们所产生的磁场彼此增强。实际应用中,为了小电流获得强磁场,通常把两个互感线圈顺向串联或同侧并联,如果接反了,电感量大大减小,通过线圈的电流会大大增加,将造成线圈的过热而导致烧损,所以在应用时必须注意线圈的同名端。
2、何谓耦合系数?什么是全耦合?
答:两个具有互感的线圈之间磁耦合的松紧程度用耦合系数表示,如果一个线圈产生的磁通全部穿过另一个线圈,即漏磁通很小可忽略不计时,耦合系数K=1,称为全耦合。
3、理想变压器和全耦合变压器有何相同之处?有何区别?
答:理想变压器和全耦合变压器都是无损耗,耦合系数K=1,只是理想变压器的自感和互感均为无穷大,而全耦合变压器的自感和互感均为有限值。
4、试述理想变压器和空芯变压器的反射阻抗不同之处。
答:空芯变压器的反射阻抗
反映了次级回路通过互感对初级回路产生的影响,反射阻抗与初级回路的自阻抗串联,空芯变压器的反射阻抗电抗特性与次级回路阻抗的电抗特性相反;理想变压器反射阻抗
是负载电阻折合到初级线圈两端的等效阻抗,直接跨接于初级线圈两端,与初级回路相并联,且反射阻抗的性质与负载阻抗的性质相同。
5、何谓同侧相并?异侧相并?哪一种并联方式获得的等效电感量增大?
答:两个互感线圈的同名端两两连在一起与电源相接的方式称为同侧相并,两个异名端两两连在一起与电源相接的方式为异侧相并,同侧相并时获得的等效电感量大。
6、如果误把顺串的两互感线圈反串,会发生什么现象?为什么?
答:两互感线圈顺串时
,反串时
,由两式可看出,顺接时等效电感量大,因而感抗大,电压一定时电流小,如果误把顺串的两互感线圈反串,由于等效电感量大大减小,致使通过线圈的电流大大增加,线圈将由于过热而有烧损的危险。故联接时必须注意同名端
7、判断下列线圈的同名端。

解:图(a)中两线圈的磁场相互增强,因此必为顺串,所以它们相连的一对端子为异名端,如红色圆点所示;图(b)初级线圈的电流在开关闭合一瞬间变化率大于零,所以自感电动势的极性下负上正,阻碍电流的增强,次级电压表反偏,说明互感电压的极性与电压表的极性相反,即上负下正,可判断出同名端如图中红色实心点所示。 五、计算分析题(每题10分)
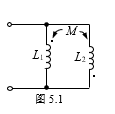
1、求图5.1所示电路的等效阻抗。

解:两线圈为异侧相并,所以等效阻抗![]()
2、耦合电感L1=6H,L2=4H,M=3H,试计算耦合电感作串联、并联时的各等效电感值。
解:![]()
![]()
![]()
![]()
3、耦合电感L1=6H,L2=4H,M=3H。①若L2短路,求L1端的等效电感值;②若L1短路,求L2端的等效电感值。
解:①若L2短路,设在L1两端加电压
,则
(1)
(2)
由(2)式得
代入式(1)![]()
所以:

得L1端等效电感![]()
②同理可得L1短路时L2端的等效电感 ![]()
也可根据反射阻抗的公式直接计算等效电感量:
可得
所以
。
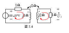
4、电路如图5.4所示,求输出电压U2。

解:应用回路电流法求解。在图上标出各回路参考绕行方向,对两回路列KVL方程
(1)
(2)
由(2)得
代入(1)![]()
解得:![]()
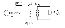
5、电路如图5.5所示。①试选择合适的匝数比使传输到负载上的功率达到最大;②求1Ω负载上获得的最大功率。

解:①理想变压器的反射阻抗
(因图中n:1标为1:n,所以n2变为1/n2)
由负载上获得最大功率的条件可得
;
因理想变压器的反射阻抗与初级回路阻抗相并联,所以负载上获得的最大功率只有电源发出的最大功率的一半,即:![]()
更多推荐



所有评论(0)