系列文章目录

第一章 计算机组成原理期末复习

第二章 操作系统期末复习

通过老师给的那份“期中考试试卷”分析考点,再结合一学期的作业习题,总结分析考哪些题目。


一、考试题型

1.原理分析题(6 小题,每小题 5 分,共 30 分)PS:改成原理说明题,知识点不变

2.应用题(3 小题,共 20 分)

3.计算题(3 小题,每小题 10 分,共 30 分)

4.设计题(2 小题,每小题 12、8 分,共 20 分)


二、考题分析

1.原理分析题

(1)请根据你对计算机认识,分析一下冯·诺依曼计算机的特点?

(2)请分析指令和数据都存储在存储器中,计算机如何区分他们?

(3)请分析异步通信与同步通信的主要区别是什么,并说明通信双方如何联络。

(4)请分析一下中断向量地址和入口地址的区别和联系。

(5)请简要分析一下指令流水技术的设计思想。

(6)请根据你对 CPU 的认识,分析一下它的组成与功能。

   考题分析:纯背题,基本上都是出自前三章内容。除了这6道题,把平常作业题的文字题全背了,考试能拿到80%的分。

    PS:考试遇到不会的新题,先把字给扯满。

            考试的题型叫做原理说明题,具体说明要更结合题目。


2.应用题

(1)第一题(第7.3章 寻址方式)

 考题分析:知识点是第7.3章的寻址方式,需要将5种数据寻址学明白,了解怎么跳转的即可。

(2)第二题(第5.4章 程序查询方式)

 

PS:类汇编语言属于拓展内容,这里就两道题,建议直接背诵

(3)第三题(第10.1章 指令周期和控制单元)

 考题分析:是例10.1原题,需要将三类指令的指令周期,三种周期的微操作命令、节拍安排学清楚。可以从第八章学习。

PS:根据老师上课所说,这道题是从第九章的例9.2和这道题二选一


3.计算题

(1)第一题(第4.3.2章 Cache-主存地址映射)

 考题分析:是例4.11的数据改变题,需要将Cache的几种考法都进行学习,防止考试进行改变。

(2)第二题(第6.3.3章 计算机的运算方法)

 

 考题分析:是书上课后习题,6.20(4),本次期末考试应该也是T6.20四选一。

(3)第三题(第6.4章 浮点四则运算)

 

 考题分析:是书上课后习题,6.26(2),本次期末考试应该也是T6.26三选一。

PS:不考,考浮点表示


4.设计题

(1)第一题(第4.15章 浮点四则运算)

 考题分析:是书上习题的改编题,例4.1,大题目不变,要注意小题目的考察方式。

(2)第二题(第7章 指令系统)

 考题分析:是书上课后习题的删减题,7.16,本次期末考试如果考的话,应该也是这道题,注意小题目的替换。


 三、考题学习与预测

 这部分是为了0基础复习不过来的同学们,进行合理的猜题,以60分为目标。


 1.原理分析题(背它!最简单的得分项,必拿 25/60

(1)请根据你对计算机认识,分析一下冯·诺依曼计算机的特点?

        ① 计算机由运算器、存储器、控制器、输入设备、输出设备五大部件组成。

        ② 指令和数据以同等地位存放于存储器中,并可按地址寻访。

        ③ 指令和数据均用二进制数表示

        ④ 指令由操作码和地址码组成

        ⑤ 指令在存储器内按顺序存放

        ⑥ 机器以运算器为中心

(2)请分析指令和数据都存储在存储器中,计算机如何区分他们?

        ① 通过不同的时间段来区分指令和数据,即在指令阶段取出的为指令,在执行阶段取出的即为数据。

        ② 通过地址来源区分,由PC提供存储单元地址的取出的是指令,由指令地址码部分提供储存单元地址的取出的是操作数(数据)。

(3)请分析异步通信与同步通信的主要区别是什么,并说明通信双方如何联络。

        同步通信与异步通信主要区别在于前者有公共时钟,总线上的设备按同一时序,统一的传输周期进行信息传输,通信双方按约定好的时序联络,后者没有公共时钟,没有固定的传输周期,采用应答方式通信,集体联络方式有不互锁,半互锁,全互锁三种。不互锁方式通信双方没有相互制约的关系,半互锁方式通信双方有简单的制约关系,全互锁通信双方有完全的制约关系。其中全互锁通信可靠性最高。

(4)请分析一下中断向量地址和入口地址的区别和联系。

        区别:向量地址是硬件电路(向量编码器)产生的中断源的内存地址编号,中断入口地址是中断服务程序首址。

        联系:中断向量地址可理解为中断服务程序入口地址指示器(入口地址的地址),通过它访存可获得中断服务程序入口地址。

(5)请简要分析一下指令流水技术的设计思想。

        指令流水就是改变各条指令按顺序串行执行的规则,使机器在执行上一条指令的同时,取出下一条指令,即上一条指令的执行周期和下一条指令的取指周期同时进行。

(6)请根据你对 CPU 的认识,分析一下它的组成与功能。

        

        CPU主要有以下四方面的功能:

        ① 指令控制:程序的顺序控制,称为指令控制。

        ② 操作控制:CPU管理并产生由内存取出的每条指令的操作信号,把各种操作信号送往相应部件,从而控制这些部件按指令的要求进行动作。

        ③ 时间控制:对各种操作实施时间上的控制,称为时间控制。

        ④ 数据加工:对数据进行算术运算和逻辑运算处理,完成数据的加工处理。

(7)如何理解计算机系统的层次结构?

        计算机系统层次结构,指的是计算机系统由硬件和软件两大部分所构成。从计算机系统的多级层次结构来看,可以将硬件研究的主要对象归结为传统机器M₁和微程序机器M₀。软件的研究对象主要是操作系统级以上的各级虚拟机。

​ 

(8)如何理解计算机组成与计算机体系结构?

        ① 计算机体系结构是指那些能被程序员所见到的计算机系统的属性,即概念性的结构与功能特性。 抽象

        ② 计算机组成是指如何实现计算机体系结构所体现的属性,它包含了许多对程序员来说是透明的硬件细节。 具体的构成实现

(9)请分别解释存储字长、机器字长与指令字长。

        ① 机器字长:CPU一次能处理数据的位数,通常与CPU的寄存器位数有关。

        ② 存储字长:存储器中一次存储单元(存储地址)所存储的二进制代码的位数,即存储器中的MDR位数。

        ③ 指令字长:计算机指令字的位数。

        ④ 数据字长:计算机数据存储所占用的位数。

(10)什么是总线?总线包括哪些基础功能?★

         总线是一种能由多个部件分时共享的公共信息传输部件

         基础功能:

         ① 在CPU、内存、输入、输出设备传递信息时提供公用通道。

         ② 是连接多个部件的信息传输线。

         ③ 是各部件共享的传输介质。

(11)总线控制的含义,功能包括哪些?★

         含义:就是管理总线的使用,包括总线上设备的管理和设备使用总线的过程管理。

         总线控制功能主要包括判优控制(或称仲裁逻辑)和通信控制。

(12)为什么要进行判优控制,判优控制有几种?★

         总线判优控制解决多个部件同时申请总线时的使用权分配问题。

         总线判优控制可分集中式和分布式两种。

         常见的集中式总线控制有三种:链式查询方式、计数器查询方式、独立请求方式。

(13)通讯控制解决什么问题,通信控制有哪几种?

         总线通信控制主要解决通信双方如何获知传输开始和传输结束,以及通信双方如何协调如何配合。通常用四种方式:同步通信、异步通信、半同步通信和分离式通信。

(14)一个总线传输周期包括哪几个阶段?

        ① 申请分配阶段:由需要使用总线的主模块(或主设备)提出申请,经总线仲裁机构决定将下一传输周期的总线使用权授予某一申请者。

        ② 寻址阶段:取得了使用权的主模块(或主设备)通过总线发出本次要访问的从模块的地址及有关命令,启动参与本次传输的从模块。

        ③ 传输阶段:主模块和从模块进行数据交换,数据由源模块发出,经数据总线流入目的模块。

        ④ 结束阶段:主模块的有关信息均从系统总线上撤除,让出总线使用权。

(15)存储器的层次机构主要体现在什么地方?为什么要分这些层次,计算机如何管理这些层次?

         存储器的层次结构主要体现在Cache-主存和主存-辅存这两个存储层次上。

         从整个存储系统来看,这两个存储层次达到了速度快、容量大、位阶低的优化效果。

         主存与Cache之间的信息调度功能全部由硬件自动完成。而主存-辅存层次的调度目前广泛采用虚拟存储技术实现,即将主存与辅存的一部分通过软硬结合的技术组成虚拟存储器,当程序运行时,再由软、硬件自动配合完成虚拟地址空间与主存实际物理空间的转换。

(16)试比较程序查询方式、程序中断方式和DMA方式对CPU工作效率的影响

         ① 程序查询方式要求CPU时刻查询I/O直到I/O准备好为止,工作效率低。

         ② 程序中断方式提高了CPU的工作效率,消除了“踏步”现象,CPU工作效率得到提高。

         ③ DMA方式中CPU工作效率最高,CPU不直接参与I/O和内存间的信息交换,只是把外部总线的使用权暂时交付DMA,仍然可以完成自身内部的操作,所以不必中断现行的服务程序。

(17)简述IO接口的功能和基本组成

         功能:选址功能,传送命令的功能,传送数据的功能。反映I/O设备工作状态的功能。

         基本组成:命令寄存器和命令译码器,数据缓冲寄存器DBR、设备选择电路、设备状态标记、控制逻辑电路。

(18)解释名词:吞吐率、加速比、效率

         吞吐率:在指令级流水线中,吞吐量是指单位时间内流水线所完成指令或输出结果的数量。

         加速比:流水线的加速比是指m段流水线的速度与等功能的非流水线的速度之比。

         效率:效率是指流水线中各功能段的利用率。

(19)调用中断服务程序和调用子程序有何区别?

         ① 子程序调用是预先按排好的,程序中断是随机发送的。

         ② 调用子程序是为主程序服务的,而中断程序与主程序的程序毫无关系。

(20)什么是指令周期、机器周期和时钟周期?三者有何关系?

         指令周期是指取出并执行一条指令从开始取指令直到指令执行完这段时间。

         机器周期是在同步控制的机器中,执行指令周期中一步相对完整的操作(指令步)所需时间,通常安排机器周期长度等于主存周期。

         时钟周期是指计算机主时钟的周期时间,它是计算机运行时最基本的时序单位,对应完成一个微操作所需时间,通常时钟周期等于计算机主频的倒数。

         PS:指令周期是否有一个固定值?为什么?

         由于计算机中各种指令执行所需的时间差异很大,因此为了提高CPU运行效率,即使在同步控制的机器中,不同指令的指令周期长度都是不一致的,也就是说指令周期对于不同的指令来说不是一个固定值。

(21)计算机体系结构和计算机组成? 

         计算机体系结构(有无乘法指令):程序员所见到的计算机系统的属性(机器语言程序员所看到的传统机器的属性),即概念性的结构与功能特性(指令系统、数据类型、寻址技术、I/O机理)

        计算机组成(如何实现乘法指令):实现计算机体系结构所体现的属性(具体指令的实现)

(22)cpu内部具体组成的功能、存储器的结构和具体功能?★

         

图的1234流程

 

部件作用: 

控制器指挥各部件协调工作;

运算器能完成算术运算和逻辑运算;

存储器用来存放程序和数据;

输入设备可将人们熟悉的信息转换成机器能识别的信息;

输出设备可将机器运行结果转换成人们能接受的信息。

一些概念:

主机:是计算机硬件的主体部分,包括运算器、控制器和存储器。

主存:用来存放程序和数据,可以直接与CPU交换信息。

ALU:用来完成算术逻辑运算。

CU:用来解释存储器中的指令并发出各种操作命令来执行指令。

I/O设备:受CU控制,用来完成相应的输入和输出操作。

(23)计算机性能指标?★

机器字长:CPU一次能处理数据的位数,通常与CPU的寄存器位数有关。

存储容量:包括主存容量和辅存容量,是存放二进制代码的总位数,可用位(bit)或字节(byte) 来衡量。

运算速度:可用MIPS(每秒执行的百万条指令数)、CPI(每执行一条指令所需的时钟周期数)或FLOPS(每秒浮点运算次数)来衡量。

计算机性能的优劣与系统结构、硬件组成、外设配置、软件种类等有关,对于用户而言着重考虑      性价格比(相对指标)。

(23)内存与CPU的连接 ★


 2.应用题(比较简单的得分项,需要理解以防改数据 40/60

(1)寻址方式 ★

所需知识点:【计算机组成原理(五)】寻址方式_哔哩哔哩_bilibili

解题思路:

         ① 直接寻址:101中形式地址对应的300地址就是要取出的值800。

         ② 间接寻址:101中形式地址对应的300,寻找到这个EA有效地址800(间接),再EA有效地址寻找到600值。

         ③ 相对寻址:因为双字长的取数指令,PC进行两次自加一

EA=(PC)+A=402,EA=500,EA有效地址寻找到500值。

         ④ 变址寻址:EA=A+(XR),EA=400,EA有效地址寻找到700值。

         ⑤ 基址寻址:EA=A+(BR),EA=500,EA有效地址寻找到200值。

标准答案:

        PS:年年都考这道题,

简单易得分。

(2)程序查询方式 改成考中断

题型一 输入一个数据(不考)

所需知识点:计算机组成原理---程序查询方式Li_xpq_lrh的博客-CSDN博客_程序查询+找不到的类汇编语言

标准答案: 

题型二 输出一个数据(不考)

       题目: 设有某输出接口,状态口地址63H,数据口地址60H,当状态口的D0为1时,输出忙BUSY,D0为0时,可以输出数据。查寻式输出DAT单元一个数据的程序。

标准答案:

题型一  中断服务程序的流程 ★

        题目:需要保护哪些内容呢

 

题目:试比较单重中断和多重中断服务程序的处理流程,说明它们不同的原因。

以程序断点存入堆栈为例,单重中断和多重中断的处理流程分别如图(a)和(b)所示。

由图可见,它们的主要区别是:在中断服务程序中,开中断指令安排的位置不同。单重中断的开中断指令安排在“恢复现场”之后,中断返回之前;多重中断的开中断指令安排在“保护   现场”之 后。

由于CPU一旦响应了中断会自动关中断,因此单重中断在恢复现场之前,CPU不可能再次响   应   任何新的中断请求。而多重中断在保护现场之后立即“开中断”,因此在此后CPU便可以再次响应级别更高的中断源请求,实现多重中断。

(3)指令周期和控制单元 ★

题型一 有节拍安排

标准答案:

         (1)由于(PC)+1→PC需由ALU完成,因此PC的值可作为ALU的一个源操作数,靠控制ALU做+1运算得到(PC)+1,结果送至与ALU输出端相连的R₂,然后再送至PC。

        此题的关键是要考虑总线冲突的问题,故取指周期的微操作命令及节拍安排如下:

                T₀  PC→Bus→MAR,1→R             ;PC通过总线送MAR

                T₁  M(MAR)→MDR,

                      (PC)→Bus→ALU₊₁→R₂          ;PC通过总线送ALU完成(PC)+1→R₂

                T₂  MDR→Bus→IR,                       ;MDR通过总线送IR

                      OP(IR)→微操作命令形成部件

                T₃  R₂→Bus→PC                           ;R₂通过总线送PC

         (2)立即寻址的加法指令执行周期的微指令命令及节拍安排如下:

                T₀  Ad(IR)→Bus→R₁                      ;立即数→R₁

                T₁  (ACC)+(R₁)→ALU→R₂             ;ACC通过总线送ALU

                T₂ R₂→Bus→ACC                          ;结果通过总线送ACC

 题型二 无节拍安排-单总线结构

    

        

标准答案:

        

         

         PS:除了加法指令,还要学习存数指令LDA

        


 3.计算题(非常简单! 65/60

 (1)Cache计算 ★   两个例题

1、设某机主存容量为 8MB,Cache 容量为 16KB,每字块有 8 个字,每字 32 位。计算下列问 题:

(1)计算主存的块数,Cache 的块数。

(2)Cache 初始态为空,CPU 依次从主存的第 0,1,2,……,79 号单元读出 80 个字(主存 一次读出一个字),并重复按此次序读 8 次,计算命中率是多少?

(3)若 Cache 的速度是主存的 5 倍,试问有 Cache 和无 Cache 相比,速度提高多倍?

所需知识点:计算机组成原理|八道大题|哔哩哔哩|46:30

复习思路:从书上120页的例4.8看到例4.11,全要掌握

标准答案:

(1) 块长 8*32/8=32B 主存块数 8M/32=2 18块 Cache 块数 16K/32=512 块

(2)80 个字分别在 80/8=10 块中 第 1 次调入 Cache 每块中第一个没命中,所以没命中 10 个字,命中 70 个字。 第 2 次到第 8 次 80 个字均命中。

命中率:((8*80-10)/8*80)*100%=98.4%

(3)8*80*5t/((8*80-10)*t+10*5t)=4.71 4.71-1=3.71 倍

        PS:必考

 (2)原码一位乘  

4、x=0.11011,y=-0.11101 用原码一位乘计算 x*y。

所需知识点:计算机组成原理|八道大题|哔哩哔哩|00:00

学习思路:

         ① 从书上219开看,将原码表示方式学完

         ② 再学会234页的移位运算

         ③ 再学会243页的乘法运算

标准答案:

[x] 原 =0.11011 , [y] 原 =1.11101 , |x|=0.11011 , |y|=0.11101

                部分积                      乘数

                0.00000                 1 1 1 0 1

             + 0.11011


                0.11011

                0.01101                 1 1 1 1 0

             + 0.00000


                0.01101

                0.00110                 1 1 1 1 1

             + 0.11011


                1.00001

                0.10000                 1 1 1 1 1

             + 0.11011


                1.01011

                0.10101                  1 1 1 1 1

                0.11011


                1.10000

                0.11000                  0 1 1 1 1

则x*·y*=0.1100001111,乘积的符号位为xo⊕yo=1⊕0=1

故[x·y]原=1.1100001111,则x·y=-0.1100001111

1、x=0.110111,y=-0.101110 用原码一位乘计算 x*y。

标准答案:

[x] 原 =0.11011 , [y] 原 =1.11101 , |x|=0.11011 , |y|=0.11101,结果的符号位 1⊕0=1

                部分积                      乘数                                说明

                0.000000                 1 0 1 1 1 0                开始部分积为0,乘数为0,加上0

             + 0.000000


                0.000000                 0 1 0 1 1 1                乘数为1,加上x*

             + 0.110111   


                0.110111                 1

                0.011011                 1 0 1 0 1 1                乘数为1,加上x*

             + 0.110111           


                1.010010                 1 1

                0.101001                 0 1 0 1 0 1                乘数为1,加上x*

             + 0.110111 


                 1.100000                 1 1 1

                 0.110000                 0 0 1 0 1 0                乘数为0,加上0

              + 0.000000


                 0.110000                 0 1 1 1

                 0.011000                 0 0 0 1 0 1                乘数为1,加上x*

              + 0.110111


                 1.001111                 1 0 1 1 1

                 0.100111                 1 0 0 0 1 0                乘数已全部移出

则x*·y*=0.100111100010,乘积的符号位为xo⊕yo=0⊕1=1

故[x·y]原=1.100111100010,则x·y=-0.100111100010

2、x=-0.010111,y=-0.010101 用原码一位乘计算 x*y。

标准答案:

[x] 原 =0.11011 , [y] 原 =1.11101 , |x|=0.11011 , |y|=0.11101,结果的符号位 1⊕0=1

                部分积                      乘数                                说明

                0.000000                 0 1 0 1 0 1                开始部分积为0,乘数为1,加上x*

             + 0.010111


                0.010111   

                0.001011                 1 0 1 0 1 0                尾数为0,加上0             

             + 0.000000   


                0.110111                 0

                0.011011                 1 1 0 1 0 1                乘数为1,加上x*

             + 0.110111           


                0.011100                 1 0

                0.002220                 0 1 1 0 1 0                     乘数为0,加上0

              +0.000000


                0.001110                  0 1 0

                0.000111                  0 0 1 1 0 1                     乘数为1,加上x*

              +0.010111


                0.011110                  1 0 1 0

                0.001111                  0 0 0 1 1 0                      乘数为0,加上0

              +0.000000


                0.001111                  0 1 0 1 0

                0.000111                  1 0 0 0 1 1

则x*·y*=0.000111100011,xo⊕yo=1⊕1=0

故[x·y]原=0.000111100011,则x·y=0.000111100011

 (3)浮点运算,尾数

3、x=2-011*(-0.100010),y=2-010*(-0.011111)按机器补码浮点运算计算[x+y]补。

所需知识点:计算机组成原理 | 12.5八道大题_哔哩哔哩_bilibili

标准答案:

        x=2-011×(-0.100010) y=2-010×(-0.011111)

        [x]补=1,101;1.011 110

        [y]补=1,110;1.100 001

  1)对阶: [x]补=1,110;1.101 111

  2)尾数运算:[Mx]补+[My]补= 1 1 . 1 0 1 1 1 1 + 1 1 . 1 0 0 0 0 1 =1 1 . 0 1 0 0 0 0

  3)结果规格化:[x+y]补=11,110;11.010 000 已是 规格化数。

  4)舍入:无

  5)溢出:无 则:x+y=2-010×(-0.110 000)

        PS:今年改成了浮点表示 ↓

 (3)浮点表示 ★

题目一

将 +19/128写成二进制定点数、浮点数及在定点机和浮点机中的机器数形式。其中数值部分均取 10 位,数符取 1 位,浮点数阶码取 5 位(含1位阶符)。

所需知识点:计算机组成原理 | 12.5八道大题_哔哩哔哩_bilibili

学习思路:从书上229开看

标准答案:

        设 x = +10/128

        二进制形式                x = 0.0010011

        定点表示                    x = 0.0010011000

        浮点规格化形式         x = 0.1001100000×2﹣¹⁰

        定点机中                    [x]原 = [x]补 = [x]反 = 0.0010011000

        浮点机中                    [x]原 = 1, 0010;  0. 1001100000

                                          [x]补 = 1, 1110;  0. 1001100000

                                          [x]反 = 1, 1101;  0. 1001100000

题目二

将 –58 表示成二进制定点数和浮点数,并写出它在定点机和浮点机中的三种机器数及阶码

为移码,尾数为补码的形式(其他要求同上例)。

标准答案:

x = –58

二进制形式                    x = – 111010

定点表示                        x = – 0000111010

浮点规格化形式             x = – (0.1110100000) × 2¹¹⁰

定点机中                        [x]原 = 1, 0000111010

                                       [x]补 = 1, 1111000110

                                       [x]反 = 1, 1111000101

浮点机中                        [x]原 = 0, 0110; 1. 1110100000

                                       [x]补 = 0, 0110; 1. 0001100000

                                       [x]反 = 0, 0110; 1. 0001011111

                                       [x]阶移、尾补 = 1, 0110; 1. 0001100000

        PS:PPT的题目,必须要懂


 4.设计题(麻烦的得分项,尽量写 75/60

 (1)CPU与存储器的连接 ★

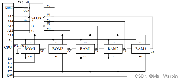
1、设 CPU 共有 16 根地址线,8 根数据线,并用 MREQ (横杠)(低电平有效)作访存控制信号, WR 作 读写命令信号(高电平为读,低电平为写)。现有下列存储芯片: ROM(2K*8 位,4K*4 位,8K*8 位), RAM(1K*4 位,2K*8 位,4K*8 位)及 74138 译码器和其他门电路(门电路自定)。 试从上述规格中选用合适芯片,画出 CPU 和存储芯片的连接图。要求:

(1)最小 4K 地址为系统程序区,4096~16383 地址范围为用户程序区;

(2)指出选用的存储芯片类型及数量;

(3)详细画出片选逻辑。

所需知识点:计算机组成原理 | 12.5八道大题_哔哩哔哩_bilibili

解题思路:

         ① 将题目给的地址转换成十六进制

         ② 合理选用芯片

         ③ 讲十六进制转换成二进制

         ④ 数据线的连接

         ⑤ 地址线的连接

         ⑥ 片选线的连接

         ⑦ 读/写线的连接

标准答案:

        

 

        PS:“P94 例4.1” 和 “P95 例4.2” 和 “P151 习题4.15”

 (2)机器指令概念 PS:供理解

2、某机主存容量为 4M×16 位,且存储字长等于指令字长,若该机的指令系统具备 120 种操作。 操作码位数固定,且具有直接、间接、立即、相对四种寻址方式。

(1)画出一地址指令格式并指出各字段的作用;

(2)该指令直接寻址的最大范围(十进制表示);

(3)一次间址的寻址范围(十进制表示);

(4)相对寻址的位移量(十进制表示)

所需知识点:计算机组成原理 | 12.5八道大题_哔哩哔哩_bilibili

标准答案:

        (1)一地址指令格式为

                        

操作码字段,共 7 位,可反映 120 种操作; M 寻址方式特征字段,共 2 位,可反映 4 种寻址方式; A 形式地址字段,共 16 – 7 – 2 = 7 位

        (2)直接寻址的最大范围为 2⁷ =128

        (3)由于存储字长为 16 位,故一次间址的寻址范围 2¹⁶ = 65536

        (4)相对寻址的位移量为 -64~ +63 

  (3) 扩展操作码技术 

题目:设某机为定长指令字结构,指令长度12位,每个地址占3位,试提出一种方案,使该系统包含4条三地址指令,8条二地址指令,180条单地址指令。能否为三地址指令4条,单地址指令255条,零地址指令64条?为什么?

所需知识点:

标准答案:

        


 总结

        同学们不要死记硬背,理解才能以不变应万变!本次考试十分灵活,千万别死记硬背! 

Logo

有“AI”的1024 = 2048,欢迎大家加入2048 AI社区

更多推荐