FPGA高端项目:FPGA基于GS2971+GS2972架构的SDI视频收发+HLS图像缩放+多路视频拼接,提供4套工程源码和技术支持
FPGA高端项目:FPGA基于GS2971+GS2972架构的SDI视频收发+HLS图像缩放+多路视频拼接,提供4套工程源码和技术支持
目录
FPGA高端项目:FPGA基于GS2971+GS2972架构的SDI视频收发+HLS图像缩放+多路视频拼接,提供4套工程源码和技术支持
1、前言
目前FPGA实现SDI视频编解码有两种方案:一是使用专用编解码芯片,比如典型的接收器GS2971,发送器GS2972,优点是简单,比如GS2971接收器直接将SDI解码为并行的YCrCb422,GS2972发送器直接将并行的YCrCb422编码为SDI视频,缺点是成本较高,可以百度一下GS2971和GS2972的价格;另一种方案是使用FPGA逻辑资源部实现SDI编解码,利用Xilinx系列FPGA的GTP/GTX资源实现解串,利用Xilinx系列FPGA的SMPTE SDI资源实现SDI编解码,优点是合理利用了FPGA资源,GTP/GTX资源不用白不用,缺点是操作难度大一些,对FPGA开发者的技术水平要求较高。有意思的是,这两种方案在本博这里都有对应的解决方案,包括硬件的FPGA开发板、工程源码等等。
本设计基于Xilinx的Zynq7100-xc7z100ffg900-2中端FPGA开发板使用GS2971+GS2972架构的SDI视频收发+HLS图像缩放+多路视频拼接,视频源有两种,分别对应开发者手里有没有SDI相机的情况,一种是使用HD-SDI相机,也可以使用SD-SDI或者3G-SDI相机,因为本设计是三种SDI视频自适应的;如果你的手里没有SDI相机或者没有SDI相机输入接口,则可使用FPGA内部生成的动态彩条模拟SDI相机视频;视频源的选择通过代码顶层的define宏定义进行选择,默认使用SDI相机作为视频源;同轴的SDI视频通过同轴线连接到GS2971转接板,GS2971解码芯片将同轴的串行的SDI视频解码为并行的BT1120格式视频,至此,SDI视频解码操作已经完成,可以进行常规的图像处理操作了;本设计的目的是做HLS图像缩放+HLS多路视频拼接后输出解码的SDI视频,针对目前市面上的主流项目需求,本博设计了HDMI输出方式,需要进行BT1120视频转RGB+HLS图像缩放+HLS多路视频拼接+图像缓存操作;本设计使用BT1120转RGB模块实现视频格式转换;图像缩放采用HLS实现的图像缩放架构实现SDI的图像缩放操作,将原始的1920x1080分辨率的SDI视频缩小为960x540,当然,读者也可以缩放为其他分辨率;多路视频拼接方案使用Xilinx官方的Video Mixer IP核方案,该IP最多支持16路视频拼接;图像缓存使用Xilinx官方的VDMA架构,该架构简单灵活,输入接口为AXIS视频流,缓存介质为PS端DDR3;图像从DDR3读出后,进入纯verilog代码实现RGB转BT1120视频模块实现视频格式转换;最后BT1120视频经过GS2972编码芯片被编码为同轴的串行的SDI视频输出,并经过SDI转HDMI盒子输出到显示器;本博客提供4套工程源码,具体如下:
现对上述4套工程源码做如下解释,方便读者理解:
工程源码15:
输入视频为HD-SDI相机,输入分辨率为1920x1080@30Hz,经过GS2971解码+BT1120转RGB+HLS图像缩放+Video Mixer 2路视频拼接+VDMA图像缓存+GS2972编码后,以3G-SDI接口方式输出,图像缩放方案采用HLS方案,从1920x1080缩放为960x1080,然后将缩放后的视频复制为2份以模拟2路视频,再将这2路视频进行视频拼接,视频拼接方案采用Xilinx官方的Video Mixer方案;最后在HDMII 1920x1080的输出分辨率下叠加2路拼接视频,即2分屏显示;
工程源码16:
输入视频为HD-SDI相机,输入分辨率为1920x1080@30Hz,经过GS2971解码+BT1120转RGB+HLS图像缩放+Video Mixer 4路视频拼接+VDMA图像缓存+GS2972编码后,以3G-SDI接口方式输出,图像缩放方案采用HLS方案,从1920x1080缩放为960x540,然后将缩放后的视频复制为4份以模拟4路视频,再将这4路视频进行视频拼接,视频拼接方案采用Xilinx官方的Video Mixer方案;最后在HDMII 1920x1080的输出分辨率下叠加4路拼接视频,即4分屏显示;
工程源码17:
输入视频为HD-SDI相机,输入分辨率为1920x1080@30Hz,经过GS2971解码+BT1120转RGB+HLS图像缩放+Video Mixer 8路视频拼接+VDMA图像缓存+GS2972编码后,以3G-SDI接口方式输出,图像缩放方案采用HLS方案,从1920x1080缩放为480x540,然后将缩放后的视频复制为8份以模拟8路视频,再将这8路视频进行视频拼接,视频拼接方案采用Xilinx官方的Video Mixer方案;最后在HDMII 1920x1080的输出分辨率下叠加8路拼接视频,即8分屏显示;
工程源码18:
输入视频为HD-SDI相机,输入分辨率为1920x1080@30Hz,经过GS2971解码+BT1120转RGB+HLS图像缩放+Video Mixer 16路视频拼接+VDMA图像缓存+GS2972编码后,以3G-SDI接口方式输出,图像缩放方案采用HLS方案,从1920x1080缩放为240x540,然后将缩放后的视频复制为16份以模拟16路视频,再将这16路视频进行视频拼接,视频拼接方案采用Xilinx官方的Video Mixer方案;最后在HDMII 1920x1080的输出分辨率下叠加16路拼接视频,即16分屏显示;
本文详细描述了Xilinx的Zynq7100-xc7z100ffg900-2 FPGA开发板使用GS2971+GS2972架构的SDI视频收发+HLS图像缩放+Video Mixer多路视频拼接+转HDMI输出,工程代码编译通过后上板调试验证,可直接项目移植,适用于在校学生做毕业设计、研究生项目开发,也适用于在职工程师做项目开发,可应用于医疗、军工等行业的数字成像和图像传输领域;
提供完整的、跑通的工程源码和技术支持;
工程源码和技术支持的获取方式放在了文章末尾,请耐心看到最后;
免责声明
本工程及其源码即有自己写的一部分,也有网络公开渠道获取的一部分(包括CSDN、Xilinx官网、Altera官网等等),若大佬们觉得有所冒犯,请私信批评教育;基于此,本工程及其源码仅限于读者或粉丝个人学习和研究,禁止用于商业用途,若由于读者或粉丝自身原因用于商业用途所导致的法律问题,与本博客及博主无关,请谨慎使用。。。
2、相关方案推荐
本博主所有FPGA工程项目–>汇总目录
其实一直有朋友反馈,说我的博客文章太多了,乱花渐欲迷人,自己看得一头雾水,不方便快速定位找到自己想要的项目,所以写了一篇汇总目录的博文并置顶,列出我目前已有的所有项目,并给出总目录,每个项目的文章链接,当然,本博文实时更新。。。博客链接如下:
点击直接前往
本博已有的 SDI 编解码方案
我的博客主页开设有SDI视频专栏,里面全是FPGA编解码SDI的工程源码及博客介绍;既有基于GS2971/GS2972的SDI编解码,也有基于GTP/GTX资源的SDI编解码;既有HD-SDI、3G-SDI,也有6G-SDI、12G-SDI等;专栏地址链接:
点击直接前往
本方案的SDI接收+发送
本方案采用GS2971接收SDI视频,然后进行图像缓存操作(图像缓存方案包括FDMA方案和VDMA方案,缓存介质包括PL端DDR3、PS端DDR3),最后用GS2971发送SDI视频,最终以3G-SDI输出;提供3套工程源码,3套工程源码详情请参考“1、前言”中的截图,上述所有工程源码均已上板调试通过,详细设计方案请参考我专门的博客,博客链接如下:
点击直接前往
本方案的SDI接收+图像缩放应用
本方案采用GS2971接收SDI视频,然后进行图像缩放操作(图像缩放方案包括纯verilog图像缩放方案和HLS图像缩放方案),再进行图像缓存操作(图像缓存方案包括FDMA方案和VDMA方案,缓存介质包括PL端DDR3、PS端DDR3),最后用GS2971发送SDI视频,最终以3G-SDI输出;提供3套工程源码,3套工程源码详情请参考“1、前言”中的截图,上述所有工程源码均已上板调试通过,详细设计方案请参考我专门的博客,博客链接如下:
点击直接前往
本方案的SDI接收+纯verilog图像缩放+纯verilog多路视频拼接应用
本方案采用GS2971接收SDI视频,然后进行图像缩放操作(图像缩放方案为纯verilog图像缩放),再进行多路视频拼接(包括2路、4路、8路、16路视频拼接,拼接方案为纯verilogFDMA方案,视频拼接和图像缓存为一个整体,缓存介质包括PL端DDR3、PS端DDR3),最后用GS2972编码器发送SDI视频,最终以3G-SDI输出;提供8套工程源码,8套工程源码详情请参考“1、前言”中的截图,上述所有工程源码均已上板调试通过,详细设计方案请参考我专门的博客,博客链接如下:
点击直接前往
本方案的SDI接收+OSD动态字符叠加输出应用
本方案采用GS2971接收SDI视频,然后进行动态字符叠加(方案为HLS动态字符叠加),再进行图像缓存操作(图像缓存方案为VDMA方案,缓存介质包括PS端DDR3),最后用GS2972编码器发送SDI视频,最终以3G-SDI输出;提供1套工程源码,工程源码详情请参考“1、前言”中的截图,上述所有工程源码均已上板调试通过,详细设计方案请参考我专门的博客,博客链接如下:
点击直接前往
本方案的SDI接收+HLS多路视频融合叠加应用
本方案采用GS2971接收SDI视频,然后进行多路视频融合叠加(方案为HLS多路视频融合叠加),再进行图像缓存操作(图像缓存方案为VDMA方案,缓存介质包括PS端DDR3),最后用GS2972编码器发送SDI视频,最终以3G-SDI输出;提供1套工程源码,工程源码详情请参考“1、前言”中的截图,上述所有工程源码均已上板调试通过,详细设计方案请参考我专门的博客,博客链接如下:
点击直接前往
本方案的SDI接收+GTX 8b/10b编解码SFP光口传输
本方案采用GS2971接收SDI视频,然后进行8b/10b编解码作(8b/10b编解码方案为GTX高速接口方案,线速率为5G),再通过板载的SFP光口实现数据回环,再进行图像缓存操作(图像缓存方案为FDMA方案,缓存介质包括PL端DDR3、PS端DDR3),最后用GS2972编码器发送SDI视频,最终以3G-SDI输出;提供2套工程源码,2套工程源码详情请参考“1、前言”中的截图,详细设计方案请参考我专门的博客,上述所有工程源码均已上板调试通过,详细设计方案请参考我专门的博客,博客链接如下:
点击直接前往
FPGA的SDI视频编解码项目培训
基于目前市面上FPGA的SDI视频编解码项目培训较少的特点,本博专门开设了FPGA的SDI视频编解码高级项目培训班,专门培训SDI视频的编解码,具体培训计划细节如下:
1、我发你上述全套工程源码和对应的工程设计文档网盘链接,你保存下载,作为培训的核心资料;
2、你根据自己的实际情况安装好对应的开发环境,然后对着设计文档进行浅层次的学习;
3、遇到不懂的随时问我,包括代码、职业规划、就业咨询、人生规划、战略规划等等;
4、每周末进行一次腾讯会议,我会检查你的学习情况和面对面沟通交流;
5、你可以移植代码到你自己的FPGA开发板上跑,如果你没有板子,你根据你自己的需求修改代码后,编译工程,把bit发我,我帮你下载到我的板子上验证;或者你可以买我的开发板;
3、详细设计方案
设计原理框图
4套工程源码设计原理框图如下,该设计采用HLS图像缩放+Video Mixer多路视频拼接+VDMA图像缓存方案:
视频源选择
视频源有两种,分别对应开发者手里有没有SDI相机的情况,一种是使用HD-SDI相机,也可以使用SD-SDI或者3G-SDI相机,因为本设计是三种SDI视频自适应的;如果你的手里没有SDI相机或者没有SDI相机输入接口,则可使用FPGA内部生成的动态彩条模拟SDI相机视频;视频源的选择通过代码顶层的define宏定义进行选择,默认使用SDI相机作为视频源;如下:
选择逻辑代码部分如下:
选择逻辑如下:
当(注释) define COLOR_TEST时,输入源视频是SDI相机;
当(不注释) define COLOR_TEST时,输入源视频是动态彩条;
动态彩条
如果你的手里没有SDI相机或者没有SDI相机输入接口,则可使用FPGA内部生成的动态彩条模拟SDI相机视频;视频源的选择通过代码顶层的define宏定义进行,动态彩条可配置为不同分辨率的视频,视频的边框宽度,动态移动方块的大小,移动速度等都可以参数化配置,我这里配置为辨率1920x1080,动态彩条模块代码位置和顶层接口和例化如下:

动态彩条模块的例化请参考工程源码的顶层代码;
SDI 相机
我用到的是SDI相机为HD-SDI相机,输出分辨率为1920x1080@30Hz,本工程对SDI相机的选择要求范围很宽,可以是SD-SDI、HD-SDI、3G-SDI,因为很设计对这三种SDI视频是自动识别并自适应的;如果你的手里没有SDI相机,也可以去某宝买HDMI转SDI盒子,一百多块钱就可以搞定,使用笔记本电脑模拟视频源,用HDMI线连接HDMI转SDI盒子,输出SDI视频做事视频源,可以模拟SDI相机;
GS2971+GS2972架构
本设计采用GS2971解码芯片接收SDI+GS2972芯片编码发送SDI,GS2971和GS2972不需要软件配置,硬件电阻上下拉即可完成配置,本设计配置为输出/输入BT1120格式视频,当然,你在设计电路时也可以配置为输出CEA861格式视频;GS2971+GS2972硬件架构如下,提供PDF格式原理图:
BT1120转RGB
BT1120转RGB模块的作用是将SMPTE SD/HD/3G SDI IP核解码输出的BT1120视频转换为RGB888视频,它由BT1120转CEA861模块、YUV422转YUV444模块、YUV444转RGB888三个模块组成,该方案参考了Xilinx官方的设计;BT1120转RGB模块代码架构如下:
HLS图像缩放详解
该方案采用HLS方案C++代码实现,并综合成RTL后封装为IP,可在vivado中调用该IP,关于这个方案详情,请参考我之前的博客,博客链接如下:
点击直接前往
该IP在vivado中的综合资源占用情况如下:
HLS图像缩放需要在SDK中运行驱动和用户程序才能正常工作,我在工程中给出了C语言程序,具体参考工程源码;
Video Mixer多路视频拼接
采用Xilinx官方的Video Mixer IP核实现多路视频拼接,Video Mixer最多只能实现16路视频拼接,以工程15的2路视频拼接为例,Video Mixer的资源消耗截图如下:
Video Mixer IP核UI配置界面如下:
Video Mixer需要在SDK中运行驱动和用户程序才能正常工作,我在工程中给出了C语言程序,具体参考工程源码;
VDMA图像缓存
图像缓存使用Xilinx官方的VDMA架构实现图像3帧缓存,缓存介质为板载的PS端DDR3;VDMA图像缓存架构由Video In to AXI4-Stream、VDMA、Zynq软核、Video Timing Controller、AXI4-Stream To Video Out构成;详情请参考后面的“工程源码架构小节”,VDMAIP核UI配置界面如下:
VDMA加需要在SDK中运行驱动和用户程序才能正常工作,我在工程中给出了C语言程序,具体参考工程源码;
RGB转BT1120
在SDI输出方式下需要使用该模块;RGB转BT1200模块的作用是将用户侧的RGB视频转换为BT1200视频输出给SMPTE SD/HD/3G SDI IP核;RGB转BT1120模块由RGB888转YUV444模块、YUV444转YUV422模块、SDI视频编码模块、数据嵌入模块组成,该方案参考了Xilinx官方的设计;BT1120转RGB模块代码架构如下:
SDI转HDMI盒子
在SDI输出方式下需要使用到SDI转HDMI盒子,因为我手里的显示器没有SDI接口,只有HDMI接口,为了显示SDI视频,只能这么做,当然,如果你的显示器有SDI接口,则可直接连接显示,我的SDI转HDMI盒子在某宝购买,不到100块;我用的截图如下:
工程源码架构
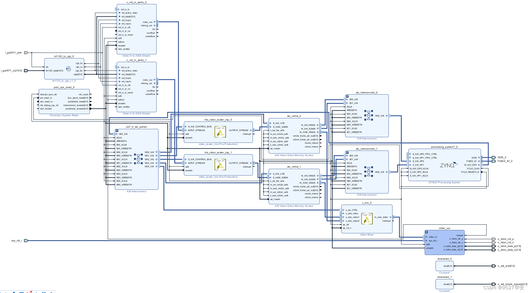
本博客提供4套工程源码,4套代码的vivado Block Design设计具有相似性,以工程15的2路视频拼接为例,Block Design截图如下,其他工程与之类似;
以工程15的2路视频拼接为例,工程源码架构如下图,其工程16、17、18、19与之类似:
4套工程源码PL端时钟由Zynq软核提供,所以需要运行运行SDK以启动Zynq,此外,HLS图像缩放、VDMA、Video Mixer等IP核都需要运行软件驱动才能正常工作,所以,以工程15的2路视频拼接为例,SDK软件代码架构如下,其他3套工程与之类似:
4、工程源码15详解–>SDI收发+HLS图像缩放+Video Mixer 2路视频拼接
开发板FPGA型号:Xilinx–Zynq7100–xc7z100ffg900-2;
开发环境:Vivado2019.1;
输入:HD-SDI相机,分辨率1920x1080@30Hz;
输出:3G-SDI,1080P分辨率下的960x540的2路视频拼接2分屏显示;
SDI接收方案:GS2971解码芯片;
SDI发送方案:GS2972编码芯片;
缩放方案:HLS图像缩放方案;
输入输出缩放:输入1920x1080–>输出960x540;
视频拼接方案:Video Mixer 2路视频拼接;
图像缓存方案:VDMA方案;
图像缓存路径:PS端DDR3;
工程作用:此工程目的是让读者掌握FPGA实现SDI接收+图像缩放+2路视频拼接的设计能力,以便能够移植和设计自己的项目;
工程Block Design和工程代码架构请参考第3章节“工程源码架构“小节内容;
工程的资源消耗和功耗如下:
5、工程源码16详解–>SDI收发+HLS图像缩放+Video Mixer 4路视频拼接
开发板FPGA型号:Xilinx–Zynq7100–xc7z100ffg900-2;
开发环境:Vivado2019.1;
输入:HD-SDI相机,分辨率1920x1080@30Hz;
输出:3G-SDI,1080P分辨率下的960x540的4路视频拼接4分屏显示;
SDI接收方案:GS2971解码芯片;
SDI发送方案:GS2972编码芯片;
缩放方案:HLS图像缩放方案;
输入输出缩放:输入1920x1080–>输出960x540;
视频拼接方案:4路视频拼接;
图像缓存方案:VDMA方案;
图像缓存路径:PS端DDR3;
工程作用:此工程目的是让读者掌握FPGA实现SDI接收+图像缩放+4路视频拼接的设计能力,以便能够移植和设计自己的项目;
工程Block Design和工程代码架构请参考第3章节“工程源码架构“小节内容;
工程的资源消耗和功耗如下:
6、工程源码17详解–>SDI收发+HLS图像缩放+Video Mixer 8路视频拼接
开发板FPGA型号:Xilinx–Zynq7100–xc7z100ffg900-2;
开发环境:Vivado2019.1;
输入:HD-SDI相机,分辨率1920x1080@30Hz;
输出:3G-SDI,1080P分辨率下的480x540的8路视频拼接8分屏显示;
SDI接收方案:GS2971解码芯片;
SDI发送方案:GS2972编码芯片;
缩放方案:HLS图像缩放方案;
输入输出缩放:输入1920x1080–>输出480x540;
视频拼接方案:8路视频拼接;
图像缓存方案:VDMA方案;
图像缓存路径:PS端DDR3;
工程作用:此工程目的是让读者掌握FPGA实现SDI接收+图像缩放+8路视频拼接的设计能力,以便能够移植和设计自己的项目;
工程Block Design和工程代码架构请参考第3章节“工程源码架构“小节内容;
工程的资源消耗和功耗如下:
7、工程源码18详解–>SDI收发+HLS图像缩放+Video Mixer 16路视频拼接
开发板FPGA型号:Xilinx–Zynq7100–xc7z100ffg900-2;
开发环境:Vivado2019.1;
输入:HD-SDI相机,分辨率1920x1080@30Hz;
输出:3G-SDI,1080P分辨率下的240x540的8路视频拼接16分屏显示;
SDI接收方案:GS2971解码芯片;
SDI发送方案:GS2972编码芯片;
视频拼接方案:16路视频拼接;
图像缓存方案:VDMA方案;
图像缓存路径:PS端DDR3;
工程作用:此工程目的是让读者掌握FPGA实现SDI接收+图像缩放+16路视频拼接的设计能力,以便能够移植和设计自己的项目;
工程Block Design和工程代码架构请参考第3章节“工程源码架构“小节内容;
工程的资源消耗和功耗如下:
8、工程移植说明
vivado版本不一致处理
1:如果你的vivado版本与本工程vivado版本一致,则直接打开工程;
2:如果你的vivado版本低于本工程vivado版本,则需要打开工程后,点击文件–>另存为;但此方法并不保险,最保险的方法是将你的vivado版本升级到本工程vivado的版本或者更高版本;
3:如果你的vivado版本高于本工程vivado版本,解决如下:
打开工程后会发现IP都被锁住了,如下:
此时需要升级IP,操作如下:

FPGA型号不一致处理
如果你的FPGA型号与我的不一致,则需要更改FPGA型号,操作如下:


更改FPGA型号后还需要升级IP,升级IP的方法前面已经讲述了;
其他注意事项
1:由于每个板子的DDR不一定完全一样,所以MIG IP需要根据你自己的原理图进行配置,甚至可以直接删掉我这里原工程的MIG并重新添加IP,重新配置;
2:根据你自己的原理图修改引脚约束,在xdc文件中修改即可;
3:纯FPGA移植到Zynq需要在工程中添加zynq软核;
9、上板调试验证
准备工作
需要准备的器材如下:
FPGA开发板;
SDI摄像头,没有摄像头则选择动态彩条;
SDI转HDMI盒子;
HDMI显示器;
我的开发板了连接如下:
图中居左者为GS2971接收芯片,对应的金色同轴线连接SDI相机;居右者为GS2972发送芯片,对应的黑色同轴线连接SDI转HDMI盒子;SDI转HDMI盒子再连接显示器;
工程15–>2路视频缩放拼接输出–>视频演示
输入视频为HD-SDI相机,输入分辨率为1920x1080@30Hz,经过GS971 SDI接收+图像缩放+2路视频拼接+GS2972编码后,以3G-SDI接口方式输出,输入视频从1920x1080缩放为960x1080,然后将缩放后的视频复制为2份以模拟2路视频,再将这2路视频进行视频拼接,最后在HDMI 1920x1080的输出分辨率下叠加2路拼接视频,即2分屏显示;输出视频演示如下:
GS2971接收+2路视频缩放拼接+GS2972发送
工程16–>4路视频缩放拼接输出–>视频演示
输入视频为HD-SDI相机,输入分辨率为1920x1080@30Hz,经过GS971 SDI接收+图像缩放+4路视频拼接+GS2972编码后,以3G-SDI接口方式输出,输入视频从1920x1080缩放为960x540,然后将缩放后的视频复制为4份以模拟4路视频,再将这4路视频进行视频拼接,最后在3G-SDI 1920x1080的输出分辨率下叠加4路拼接视频,即4分屏显示;输出视频演示如下:
SDIX4-HDMI
工程17–>8路视频缩放拼接输出–>视频演示
输入视频为HD-SDI相机,输入分辨率为1920x1080@30Hz,经过GS971 SDI接收+图像缩放+8路视频拼接+GS2972编码后,以3G-SDI接口方式输出,输入视频从1920x1080缩放为480x540,然后将缩放后的视频复制为8份以模拟8路视频,再将这8路视频进行视频拼接,最后在3G-SDI 1920x1080的输出分辨率下叠加8路拼接视频,即8分屏显示;输出视频演示如下:
GS2971接收+8路视频缩放拼接+GS2972发送
工程18–>16路视频缩放拼接输出–>视频演示
输入视频为HD-SDI相机,输入分辨率为1920x1080@30Hz,经过GS971 SDI接收+图像缩放+8路视频拼接+GS2972编码后,以3G-SDI接口方式输出,输入视频从1920x1080缩放为240x540,然后将缩放后的视频复制为16份以模拟16路视频,再将这16路视频进行视频拼接,最后在3G-SDI 1920x1080的输出分辨率下叠加16路拼接视频,即16分屏显示;输出视频演示如下:
GS2971接收+16路视频缩放拼接+GS2972发送
10、福利:工程代码的获取
福利:工程代码的获取
代码太大,无法邮箱发送,以某度网盘链接方式发送,
资料获取方式:私,或者文章末尾的V名片。
网盘资料如下:
此外,有很多朋友给本博主提了很多意见和建议,希望能丰富服务内容和选项,因为不同朋友的需求不一样,所以本博主还提供以下服务:
更多推荐


所有评论(0)