利用全加器实现7段数码管_显示译码器 || 7段数码管 || 7段LCD || 7448 || 数电
显示译码器 || 7段数码管 || 7段LCD || 7448 || 数电1数码显示器件在介绍显示译码器之前,先介绍一下常用的数码显示器件,可以分为半导体显示器液晶显示器荧光数码管辉光数码管等其中半导体显示器和液晶显示器是常用的七段数码显示器。1.1七段数码管(7 segment led display)先介绍一下七段数码管(7 segment led display)。七段数码管就是7个条状le
显示译码器 || 7段数码管 || 7段LCD || 7448 || 数电
1数码显示器件
在介绍显示译码器之前,先介绍一下常用的数码显示器件,可以分为
- 半导体显示器
- 液晶显示器
- 荧光数码管
- 辉光数码管
- 等
其中半导体显示器和液晶显示器是常用的七段数码显示器。
1.1七段数码管(7 segment led display)
先介绍一下七段数码管(7 segment led display)。
七段数码管就是7个条状led,一般有两种接法。
特点如下:
- 工作电压比较低(1.7~3V);
- 体积小、寿命长、可靠性高;
- 响应时间短(一般不超过0.1μs);
- 亮度高;
- 缺点是工作电流大,每一段的工作电流在10mA左右。
1.2液晶显示器LCD
液晶显示器通过控制可见光的反射来达到显示目的。
液晶显示器分反射式和背光式。
液晶显示器的最大优点是功耗极低,使其在各种小型便携式仪器、仪表中得到了广泛的应用。
2七段显示译码器
七段显示译码器,可以把BCD码转换为七段显示码。
下图可以直观展示出它的作用。
2.1七段显示译码器集成电路
7448功能表如表所示,
上面的真值表其它部分都好理解,这里主要解释一下LT的作用。
如下图,当LT为0时,7448输入二进制代码0时,显示效果为下面的第一个图所示;
当LT为1时,7448输入二进制代码0时,显示效果如下面第二个图所示。
简单来说就是要不要显示0的问题。
上图是一个使用7448实现6位BCD码译码并显示的电路图。
上面这个思考题大家可以想一想,下面是从网上找到的答案。(图2就是上面的电路图)
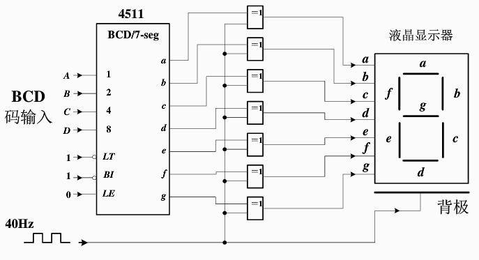
2.2如何驱动液晶显示器?
这里的关键是异或门的使用,这里再放一次异或门的真值表。
可以看出当异或门的输入A为1时,异或门对于另一个输入B就相当于一个非门。
当异或门的输入A为0时,异或门的输出与输入B相同。
懒得打字了,第二部分看PPT看不懂的话可以看这个视频。
丢题目,第三题这个考点绝了。
更多推荐



所有评论(0)