电池电压测试技术总结
目前,电压测量方案较多,测量方案的选择既要考虑测量精度和速度与成本问题,又要考虑采样信号失真和高低压干扰隔离问题。以下是总结的常用的电池电压测量方法,仅供个人学习方便使用,另外还有采用数字芯片的测量方法。分类优点不足共模测量电路简单,成本低,寿命长存在累计误差,精度逐渐降低继电器测量方便速度慢,寿命短光控MOS速度快,寿命长成本高,体积大运放+...
目前,电压测量方案较多,测量方案的选择既要考虑测量精度和速度与成本问题,又要考虑采样信号失真和高低压干扰隔离问题。以下是总结的常用的电池电压测量方法,仅供个人学习方便使用,另外还有采用数字芯片的测量方法。
| 分类 | 优点 | 不足 |
|---|---|---|
| 共模测量 | 电路简单,成本低,寿命长 | 存在累计误差,精度逐渐降低 |
| 继电器 | 测量方便 | 速度慢,寿命短 |
| 光控MOS | 速度快,寿命长 | 成本高,体积大 |
| 运放+MOS | 成本低 | 采样精度受电阻影响大 |
| V/F转换法 | 速度慢,小信号范围内精度低 | |
| 浮动地测量法 | 电路复杂,精度低,易受干扰 | |
| 线性电路法 | 原理简单 | 精度低,体积大,成本高 |
1.1共模测量法:
共模测量是相对同一参考点,用精密电阻等比例衰减测量各点电压,然后依次相减得到各节电池电压。该方法电路比较简单,但是测量精度也等比例降低,这种方法只适合串联电池数量较少或者对测量精度要求不高的场合。如图1为电阻分压方案
图1电阻分压方案
差模测量是确定电路中两个独立点之间的差分电压。例如,测量单个电阻两端的电压就需要在电阻两端进行测量。通常差分电压测量在确定通过电路独立元件的电压或者信号源很嘈杂的情况下是很有用的。所以当串联电池数量较多而且对测量精度要求较高时一般应采用此种方法。
1.2继电器切换法
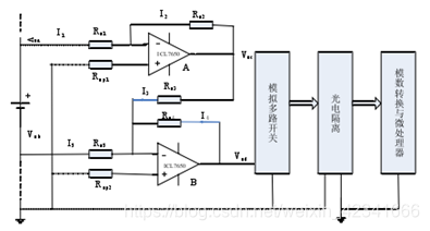
用两个差模增益放大器A、B设计了一种硬件直接相减的电路,其原理电路如图2所示。
图2采用硬件直接相减法测量单体电压的电路
1.3 V/F 转换法
V/F 转换法的原理图如图3所示,将被测信号先转换成电压(或电流)量,再转换为对应的的脉冲频率),每个采样到的蓄电池经降压后送到 V/F 转换系统,V/F 转换信号的输出通过光电隔离器件送到多路模拟开关,再送到 MCU,处理器是通过控制多路模拟开关采集频率信号的。数据采集电路与数据处理电路采用光电隔离和变压器隔离技术
图3V/F 转换法的原理图
1.4浮动地测量法
如图4所示的原理图,系统开始工作时,通过模拟开关选通控制到模拟开关,使其被测电池两端的电位信号进入测量,此信号分别进入差分放大器和窗口比较器,在窗口比较器中与Vr相比较,如果与Vr刚好相等,则可以启动A/D进行测量。如果太高或太低,则通过控制器到浮动地调整电路对其进行调整。这时控制器将需要调整的地电位增量送入D/A转换器,D/A形成的相应模拟增量将改变地电位,直到地电位调整到恰当数值,然后再由模拟开关选通到差分放大电路再启动A/D 测量。
图4 浮动地技术原理图
1.5线性电路直接采样法
如图5所示,线性电路直接采样法是为每个蓄电池配置一块采集板,就近完成信号的采集和转换,将转换后的数字信号传输给单片机进行处理和传输。此电路简单实用,适用范围广,测量精度高,很好的解决了电池检测难的问题,总的来说当蓄电池组中蓄电池的数量较少时,以上的方法都是可行的
图5 线性电路直接采样法原理框图
1.6运算放大器和MOSFET管相结合的方法
如图6所示,这种以运算放大器和MOSFET管相结合的电压测量电路测量精度高,相对于其他电压测量电路,有着电路简单、体积小、成本低的优点。结合光电继电器不仅减少了测量电路对电池组一致性的影响,而且使其在非测量时处于断电状态,节省了电能,所以该测量电路凭其特点有着很好的实用价值。
图6电压测量电路原理图
更多推荐

所有评论(0)