DDR的VTT有源端接和无源端接(slua886a笔记)
对于DDR的VTT端接,一直有说法是有源端接可降低功耗。之前一直没仔细理解其中原因,现在找了些相关的资料来介绍和对比有源和无源端接,理解有源端接的优点和降低功耗的原理。主要基于读slua886a和自己查的其他一些资料。
DDR的VTT有源端接和无源端接(slua886a笔记)
背景
对于DDR的VTT端接,一直有说法是有源端接可降低功耗。之前一直没仔细理解其中原因,现在找了些相关的资料来介绍和对比有源和无源端接,理解有源端接的优点和降低功耗的原理。
主要基于读slua886a和自己查的其他一些资料。大家看到这个编号,就猜到了这是TI的一份文档。
对DDR的原理和使用的了解十分有限,仅供参考。
SSTL简介
DDR常用的IO形式是SSTL (Stub Series Terminated Logic),比如SSTL_2,SSTL_18等。(DDR4中已经改用pseudo open-drain (POD)的形式,在此就不介绍了,主要原因还是我不懂)
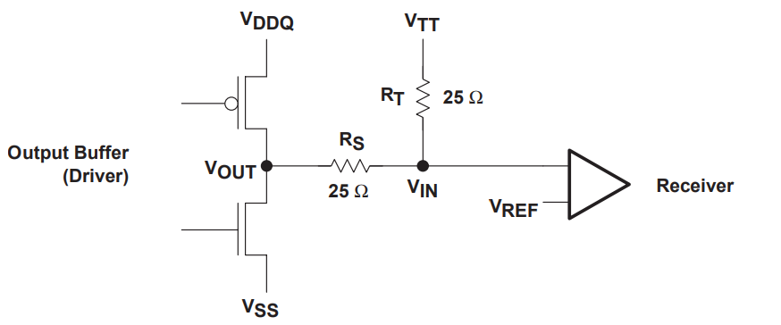
发送端和接收端的结构如下图所示。
- 发送端是一个推挽形式的驱动器,
RS为驱动器的串联电阻。 RT为外部的端接电阻。VTT为端接的电压。- 接收端是把输入电压
VIN和基准电压VREF进行比较。
这里我其实有个问题,不接RT和VTT,看起来也能正常工作——可能是VTT端接可改善信号质量。
SSTL更详细的结构如下图。
- 理想的
VTT=VREF=1/2*VDDQ - 可以看到,如果发送端的上管开启,VOUT=VDDQ,
VOUT>VTT——RT的电流方向为向上——VIN>VTT=VREF,因此接收到高电平。 - 反之,下管开启,
VIN<VTT=VREF,因此接收到高电平
如果VTT的电压偏离VREF,接收的数据就可能错误。根据slua886a,SSTL_18标准要求高电平至少需要为VREF+125mV。如果简单把上管开启后的情况看成是VCCQ--[RS]--VIN--[RT]--VTT这种电阻分压的形式,显然VTT电压下降会导致VIN电压跟着下降——结论是,VTT电压不能过低。同理,VTT电压也不能过高。理想情况下,VTT应该是跟随VREF变化。

无源端接
无源端接即使用两个电阻分压产生VTT=VDDQ/2。这两个电阻的阻值需要足够小,来保证在各种工况下VTT不偏离VREF太多。
看下slua886a中一个关于DDR2端接的一个例子。这里假设SSTL的MOS的导通电阻为20R。而VTT共接了42个信号。
- 有21个信号为1,21个信号为0:如下图,相当于有21个65R并联在上拉的电阻,另外21个65R并联在下拉的电阻,因此,此时上下的等效电阻基本相等,保证了
VTT=VDDQ/2。(也可以按照下图,从电流的角度来理解,VTT电源的净电流为0)
- 极端的情况,42个信号都为0时,所有的42个65R电阻都并联在下拉的Rp上,此时下拉的等效电阻最小,因此
VTT达到最低。
之前说的VTT,按照slua886a的电阻值来计算,DDR2的SSTL_18中,VTT应大于0.54V。
(具体计算:根据VTT-[25R]--VIN=1.025V--[40R]--VDDQ这个回路计算得到)
Assuming the number of low bit lines is larger than that of high bit lines, the net VTT current goes out of termination and VTT voltage is lower than VDDQ/2. Based on calculation, to make VIN at high bit line higher than logic high threshold (VREF + 125 mV = 1.025 V), VTT voltage must be higher than 0.54 V
就根据这两个条件计算Rp值:
- VTT=0.54V
- VTT是Rp//(65R/42)和Rp分压结果。
得到Rp=2.06Ω。这个阻值很小,这两个分压电阻上就有较高的功耗1.8^2/2.06=0.81W。
因此,无源端接的VTT会随信号变化而跳变,并且分压电阻的阻值小、功耗高。
有源端接
无源端接的分压电阻驱动能力弱(带不动很多根信号线,暂时就叫驱动能力吧),而且分压电阻消耗的功率实际上是白白消耗的。所以另一种方案是,把VTT连接到专用的DC-DC或者LDO,也就是有源端接。
比如,下图的MAX1809应用电路,看起来和一个普通DC-DC没有太大差别。主要区别在于,这个芯片除了一般的输出电流的情况(对应所接数据线“0”的数量大于“1”的数量),还需要支持电流倒灌的情况。
使用这类芯片,调节速度很快,如下图,VTT可以看做是基本恒定,主要就是省去了无源端接中那两个分压电阻的功耗,从而降低的端接所需的功率。
根据slua886a做的对比,有源端接的功耗可以是无源端接的低至1/3。
相关芯片
LDO TPS51200
- VLDOIN为LDO的输入
- VTT为LDO的输出,具有±3A的驱动能力,电压VTT=VTTREF=REFIN
- VTTREF精度较高,但是驱动能力弱,可接在DDR的VREF
- 支持VO远端反馈

DC-DC MAX1809
这个手册大致解释了电流source和sink两种情况的原理。
- source:控制方式同一般的buck。
- sink:做为boost电路来控制。——不过这个倒灌回去的电流去哪了,我就不知道了——可能是被VIN的其他负载消耗了?

参考资料
slua886a:DDR VTT Power Solutions: A Competitive Analysis (Rev. A)
TI的VTT相关芯片选型:
TPS51200 data sheet, product information and support | TI.com
DDR memory power ICs | TI.com
ADI的一种DC-DC VTT调节器
MAX1809 3A、1MHz、DDR存储器端接电源 | 亚德诺(ADI)半导体 (analog.com)
其他一些大致读过的资料:
Generating VREF and VTT in QDR®, DDR-II, DDR-II+, … - Infineon Developer Community
TN-41-13: DDR3 Point-to-Point Design Support (micron.com)
https://www.microsemi.com/document-portal/doc_view/14638-an-17-ddr-sdram-memory-termination-lx1672
USING THE LX1672 AND LX1673 FOR DDR SDRAM MEMORY
SSTL FOR DIMM APPLICATIONS
更多推荐




所有评论(0)