【模电知识总结】二极管
二极管是一种具有单向导电特性的器件,其本质是一个封装了的PN结。
文章目录
一、二极管是什么?
二极管是一种具有单向导电特性的器件,其本质是一个封装了的PN结。
二、结构与原理
1、内部结构
二极管其实就是一个封装好了的PN结。
蓝色区域为N型半导体(纯净的硅晶体中掺入5价磷,磷原子外层多出来的自由电子使整个N型半导体带负电,N即negative,负的,消极的)。如果给N型半导体通电是可以导通的。
黄色区域为P型半导体(纯净的硅晶体中掺入3价硼,硼原子外层缺少一个电子,我们用空穴取代这个缺少的电子,空穴吸引电子对外显正电,同时使整个P型半导体带正电,P即positive,正的,积极的)。
注意:P型半导体内部不全是空穴,也有自由电子,只是没有N型半导体那么多。注意:虽然P型有空穴,N型有自由电子,但P型、N型半导体整体电性为中(自由电子和空穴都会和原子核形成静电平衡)。
问:“整个N型半导体带负电“和“N型半导体整体电性为中”是否矛盾?
答:不矛盾,带负电只是说N型半导体自身带有大量可自由移动的自由电子,但对外电性为中。
将P型半导体和N型半导体放一块就构成了PN结(二极管的核心)。
2、工作原理
构成PN结之后会发生什么呢?
N型半导体中的电子会有向P型半导体运动的趋势(异性相吸),N型的电子会左移填补P型的空穴,N型半导体失去电子漏出5价磷原子显正电,P型半导体得到电子显负电,从而在P型、N型半导体接触的区域形成耗尽区(即耗尽电子与空穴),并形成内建电场,电场线方向从N指向P。
当二极管正向偏置时(P极加正电),外界电场方向与内建电场方向相反,外界电场抵消内建电场,耗尽区宽度减小,N极电子在外界电场的作用下向P极移动,形成电流;
当二极管反向偏置时(N极加正电),外界电场方向与内建电场方向相同,外界电场增强内建电场,耗尽区宽度增大,N极电子在外界电场的作用下背向P极移动,无法形成电流;
这也就是二极管单向导电性的由来!
注意:电池只提供电压,不提供电子!
三、伏安特性
当加在二极管上的正向电压较小时,正向电流几乎等于零。只有当二极管两端电压超过某一数值Uon时,正向电流才明显增大。将Uon称为死区电压。
死区电压与二极管的材料有关。一般硅二极管的死区电压为0.5V-0.7V左右,锗二极管的死区电压为0.2V-0.3V左右。

在二极管上加反向电压时,电流基本为0,当电压足够大时,二极管会被击穿。
四、应用
1、限幅电路
下图为STM32的GPIO外设结构框图。

引脚的两个保护二级管可以防止引脚外部过高或过低的电压输入,当引脚电压高于
VDD 时,上方的二极管导通,当引脚电压低于 VSS 时,下方的二极管导通,防止不正常电
压引入芯片导致芯片烧毁。
五、分类
1、普通二极管

2、发光二极管
发光二极管简称为LED。由镓(Ga)与砷(AS)、磷(P)的化合物制成的二极管,当电子与空穴复合时能辐射出可见光,因而可以用来制成发光二极管。
3、稳压二极管

稳压二极管利用pn结反向击穿状态,其电流可在很大范围内变化而电压基本不变的现象,制成的起稳压作用的二极管。
稳压二极管的伏安特性曲线与普通二极管的类似,其差异是稳压二极管的反向特性曲线比较陡。
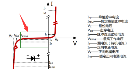
4、TVS瞬态抑制二极管
TVS可以防静电,防雷击,是一种保护器件。
它的响应速度特别快(皮秒级别),瞬态功率大,漏电流低,体积小。

其中,绿色框所在区域为TVS正常工作区间。
当输入电压超过钳位电压时,TVS瞬间导通,保护负载免受脉冲破坏。
参考资料
1、https://m.elecfans.com/article/738236.html
2、https://www.dgjs123.com/bandaoti/211.htm
3、https://semiware.com/blog/tvs-selection-guide.html
4、https://www.bilibili.com/video/BV1344y167qm?spm_id_from=333.337.search-card.all.click&vd_source=53d27d53fc6ff276be6e93437afd3e0e
更多推荐



所有评论(0)