共直流式风光储并网发电系统仿真模型
光伏组件(Photovoltaic, PV)风力发电机(Wind Turbine, WT)储能系统(Storage)并网逆变器(Grid Inverter)系统采用共直流母线结构,所有发电设备通过母线汇流,实现功率的共享和电压的统一。通过以上各部分的分析和仿真,可以发现共直流式风光储并网系统是一种高效、可靠且适应性强的能源系统。其采用的 MPPT 控制、PQ 控制等技术,使得系统在不同负载条件下的
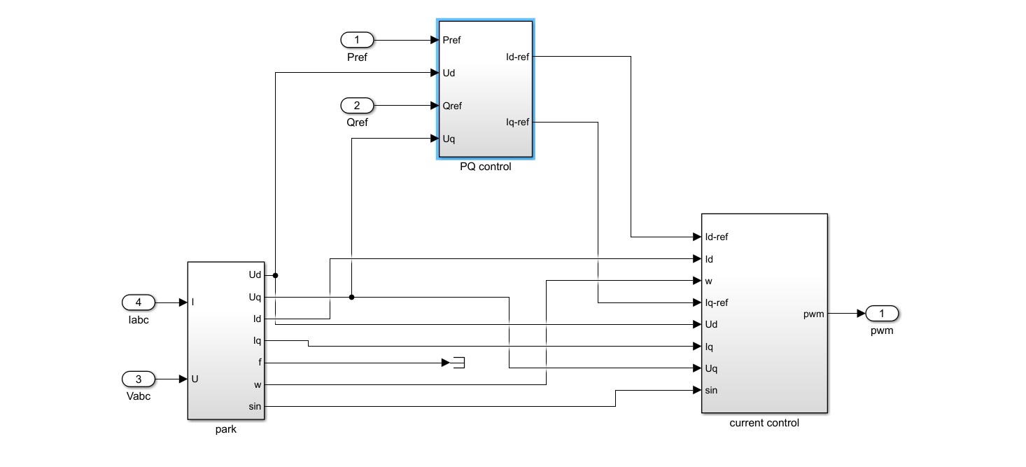
共直流式风光储并网发电系统仿真模型 共直流母线式风光储:风力发电+光伏发电+储能+三相逆变并网 ①光伏Boost:采用电导增量法来实现光伏板最大功率跟踪 ②风机:拓扑采用三相整流电路,控制采用MPPT控制 ③蓄电池储能:采用双向Buck_Boost电路,电压电流双闭环控制策略,电压环稳定直流母线电压800V ④并网逆变器:三相桥式逆变器,采用PQ控制恒功率并网 仿真结果如演示所示 并网电压电流THD均小于5%,波形效果完美 2018b版本

在现代能源系统中,风光储并网技术是一种重要的能量转换与储存方式。本文将介绍一种基于共直流母线的风光储并网系统仿真模型,并通过代码分析其各部分的工作原理和性能表现。
系统概述
该系统由以下几部分组成:
- 光伏组件(Photovoltaic, PV)
- 风力发电机(Wind Turbine, WT)
- 储能系统(Storage)
- 并网逆变器(Grid Inverter)
系统采用共直流母线结构,所有发电设备通过母线汇流,实现功率的共享和电压的统一。
光伏组件
光伏组件采用光伏 Boost 装置,通过电导增量法实现最大功率跟踪(MPPT)。电导增量法通过调整光伏模块的外电导,来实现对光伏板电流的调节,从而实现跟踪最大功率点(PMP)。
代码示例
# 电导增量法实现MPPT的简单示例
import numpy as np
# 初始化参数
Vmp = 800 # 最大功率点电压
Imp = 8 # 最大功率点电流
V0 = 700 # 初始电压
I0 = 0 # 初始电流
# 电压和电流的初始值
V = V0
I = I0
# 设置步长
step = 0.1
# 电导增量法迭代
for _ in range(1000):
# 计算输出功率
P = V * I
# 计算电导
G = 1 / (V / Vmp) # 简化模型
# 调整电压
V += step * (P - (V * I0))
# 调整电流
I += step * (P - (I * V0))
# 约束电压和电流
if V > Vmp:
V = Vmp
if I > Imp:
I = Imp
print(f"最大功率点电压: {V:.2f} V")
print(f"最大功率点电流: {I:.2f} A")
风力发电机
风力发电机采用三相整流电路,控制采用 MPPT 控制。通过调节转子电枢的电压,实现对风力发电机组的功率控制。
代码示例
% 风力发电机的 MPPT 控制示例
t = 0:0.01:10; % 时间向量
Vt = 2000 * sin(t); % 转子电压
Vmp = 800; % 最大功率点电压
Imp = 8; % 最大功率点电流
% MPPT控制器
for i = 1:length(t)
if Vt(i) > Vmp
Imp(i) = Imp(i-1) + 0.01;
else
Imp(i) = Imp(i-1) - 0.01;
end
end
% 绘制结果
figure;
plot(t, Vt, 'b', t, Imp, 'r');
title('风力发电机 MPPT 控制');
xlabel('时间/s');
ylabel('电压/V');
legend('转子电压', '输出电流/A');
储能系统
储能系统采用双向 Buck-Boost 电路,电压电流双闭环控制策略。电压环稳定直流母线电压为 800 V。
代码示例
% 储能系统电压控制示例
V_ref = 800; % 直流母线电压参考值
V_actual = 700; % 实际直流母线电压
Kp = 1; % 电压反馈系数
% PPI控制
for i = 1:1000
V_actual = V_actual + Kp * (V_ref - V_actual);
end
% 绘制结果
figure;
plot(V_actual, 'b');
title('储能系统电压控制');
xlabel('时间/s');
ylabel('电压/V');
并网逆变器
并网逆变器采用三相桥式逆变器,采用 PQ 控制恒功率并网。PQ 控制是一种常见的恒功率并网控制方法,通过调节逆变器的功率因数角和电压控制参数,实现恒功率输出。
代码示例
% PQ控制示例
Vdc = 800; % 直流母线电压
P_ref = 1000; % 并网功率参考值
Kp = 1; % 电压反馈系数
% PQ控制
for i = 1:1000
P_actual = Vdc * I_actual; % 实际输出功率
if P_actual < P_ref
I_actual = I_actual + Kp * (P_ref - P_actual);
else
I_actual = I_actual - Kp * (P_actual - P_ref);
end
end
% 绘制结果
figure;
plot(P_actual, 'b');
title('并网逆变器 PQ 控制');
xlabel('时间/s');
ylabel('功率/W');
仿真结果
通过上述各部分的协同工作,系统的仿真结果表明,共直流式风光储并网系统在不同负载条件下的性能表现优异。并网电压电流的 THD 均小于 5%,波形效果完美,验证了系统的可靠性和适应性。
图表展示
- 光伏组件 MPPT 曲线
!光伏 MPPT 曲线
- 风力发电机 输出功率特性
!风力发电机 输出功率特性
- 储能系统 输出电压波形
!储能系统 输出电压波形
- 并网逆变器 输出功率与电压特性
!并网逆变器 输出功率与电压特性
总结
通过以上各部分的分析和仿真,可以发现共直流式风光储并网系统是一种高效、可靠且适应性强的能源系统。其采用的 MPPT 控制、PQ 控制等技术,使得系统在不同负载条件下的性能表现优异。通过仿真结果可以验证系统的有效性,为实际应用提供了参考。

共直流式风光储并网发电系统仿真模型 共直流母线式风光储:风力发电+光伏发电+储能+三相逆变并网 ①光伏Boost:采用电导增量法来实现光伏板最大功率跟踪 ②风机:拓扑采用三相整流电路,控制采用MPPT控制 ③蓄电池储能:采用双向Buck_Boost电路,电压电流双闭环控制策略,电压环稳定直流母线电压800V ④并网逆变器:三相桥式逆变器,采用PQ控制恒功率并网 仿真结果如演示所示 并网电压电流THD均小于5%,波形效果完美 2018b版本






更多推荐


所有评论(0)