MDAIOD 尺寸标注
尺寸标注规范和要求;
关联
(后期可总结到一起)
概述
依赖:GB/T 4458.4 - 2003
【简介】图样中,除了表达零件的结构形状外,还需要标注尺寸,以确定零件的大小。
因此尺寸也是图样的重要组成部分,尺寸是否正确、合理,也会直接影响图样的质量。
为了便于交流,国家标准对标注尺寸的方法做了一系列规定,在绘图时必须严格遵守。
【经验】内部无所谓,只需要正确制作能用即可。
但与外部单位交流则不同,需要遵守国标规范。
基本规则
1、机件的真实大小 以 图样上所标注尺寸数值为依据。
与图形大小及绘图准确度无关。
2、图样中(包括技术要求和其他说明)的尺寸以毫米(mm)为单位时,不需标注计量单位的符号或名称,
如采用其他单位,则必须注明单位代号。
3、图样中所标注的尺寸,为该图样所示机件的最后完工尺寸,否则应另加说明。
4、机件的每一尺寸,一般只标注一次,并应标注在反映该结构最清晰的图形上。
尺寸组成
一个完整的线性尺寸包含:
- 尺寸线;
- 尺寸界线;
- 尺寸线终端;
- 尺寸数字;
(如下图所示为一个线性尺寸标注示例)

尺寸线
【是什么?】尺寸线表示尺寸的度量方向。
【要求】
1、必须用细实线单独绘制,不能用任何其它图线代替;
2、也不得与其他图线重合或画在其延长线上;


3、尺寸线之间不能相交,应尽量避免与尺寸界线相交。
如果不可避免相交,需要打断尺寸线,尺寸界线一般不打断。
4、标注线性尺寸时,尺寸线必须与所标注的线段平行。

5、相同方向尺寸线之间距离应均匀,间隔最小为7mm左右。

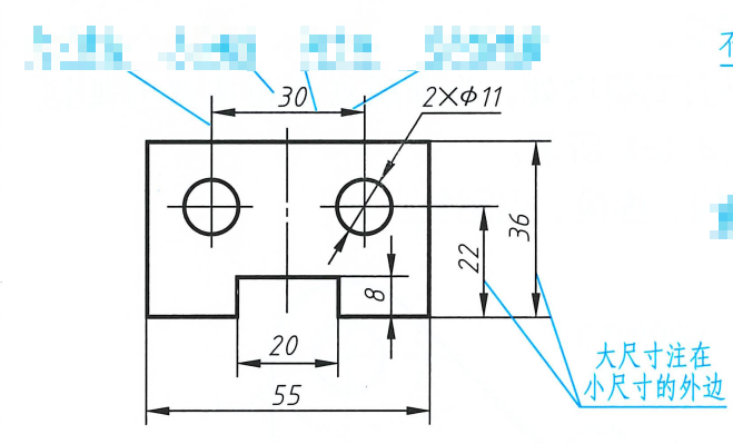
6、当有几条平行的尺寸线时,大尺寸 要标注在 小尺寸的外面,以免尺寸线与尺寸界线相交。

尺寸界线
【是什么?】尺寸界线表示尺寸度量的范围。
【要求】
1、(尺寸界线)一般用 细实线 绘制;
2、(尺寸界线)一般从图形的 轮廓线、轴线、 对称中心线处 引出;
3、也可用图形的 轮廓线、轴线、或对称中心线 作为尺寸界线;
4、(尺寸界线)一般与尺寸线垂直,必要时允许倾斜;
5、一般情况下,尺寸界线应超出尺寸线 2~5mm。

例如:CAD 某尺寸标注样式中,配置 尺寸界线超出尺寸线2mm。

尺寸线终端
【是什么?】~表示尺寸的起止,有 箭头 和 斜线 2种形式。
Tip:CAD中有其它多种尺寸线终端样式。

【箭头】
适用于各种类型的图形;
其不能过长或过短;
尖端要与尺寸界线接触,不得超出也不得离开。

【斜线】
当尺寸线终端 采用斜线形式时,尺寸线与尺寸界线 必须相互垂直。
Tip:下图,斜线作为尺寸线终端时,与尺寸界线保持45°夹角。

【注意】
1、同一张图样中只能采用一种尺寸线终端形式。
2、通常机械图的尺寸线终端采用箭头形式,
3、当采用箭头作为尺寸线终端时,若位置不够,则允许用 圆点 或 细实线 代替箭头。
尺寸数字
【是什么?】~表示尺寸度量的大小。
【规则】
1、线性尺寸 的尺寸数字的位置 一般注写在尺寸线的 上方或左方。
2、线性尺寸数字 - 方向:
(1)水平方向字头朝上;

(2)竖直方向字头朝左;

(3)倾斜方向字头保持朝上的趋势;

3、尽量避免(如下图所示)30°范围内标注线性尺寸。

4、(30°范围)当无法避免时,可做引出标识(如下图所示)。

5、尺寸数字不可被任何图线通过,当不可避免时,图线必须断开。

Tip:CAD 只需要将文字前置,背景会自动断开。


标注角度
标注角度尺寸时,
尺寸界线应沿直线方向引出,

尺寸线画成圆弧;

其圆心为该角的顶点;

半径取适当的大小;
太大不好查找,太小可能会其他位置图形显示;
(机械制图中)标注角度的数字一律水平方向书写。
如下图,所有角度标注数字;

角度数字写在尺寸线中断处,必要时,允许写在尺寸线的上方或外面(或引出标注)。

特殊尺寸代号

常用:直径、半径、45°倒角、弧长...
尺寸标注示例!!
圆直径标注
【规则1】直径标注,应在尺寸数字前加符号 φ;

【规则2】直径标注,尺寸线应通过圆心,尺寸线终端画成箭头。

【规则3】直径标注,整圆或大于半圆的的圆弧,应标注直径。

圆半径标注
【规则1】半圆,或小于半圆的圆弧 标注半径尺寸。

【规则2】半径尺寸数字前,加注符号“R”。(见上图)
【规则3】半径尺寸必须标注在 投影为圆弧 的图形上,且尺寸线应通过圆心(圆心标记点)。
(下图十字表示圆心点)

大圆弧标注
【场景】当圆弧的半径过大时,或在图纸范围内无法标出圆心位置时,可按图示形式标注。
【形式1】无法标注圆心位置时,使用折断标注。

【形式2】不需要标注圆心位置时,圆弧内任意起点引出尺寸线。

球面
【规则1】标注球面直径或半径尺寸时,应在符号 “φ” 或 “R” 前再加注符号 “S”。

【规则2】对于标准件、轴、手柄端部等,在不引起误解情况下,可沈略“S”。

弦长
【规则】弦长的尺寸界线,平行于对应弦的垂直平分线。

弧长
【规则】标注弧长时,应在尺寸数值前加注符号 “⌒”。

【规则2】弧长的尺寸界线,沿直径引出。
狭小部件
狭小部件没有足够的地方画箭头,
箭头可外移,

也可用圆点或斜线代替。

尺寸数字可写在尺寸界线外或引出标注。

尺寸符号应用
【规则】机械图样中可加注一些符号,以简化表达一些常见结构。
【正方形边长】

【表示板厚度】

【表示锥度】

【表示斜度】

【表示圆球直径】

【表示倒角】

【表示沉孔】

【表示埋头孔】

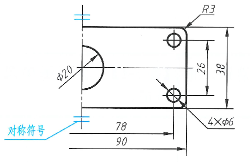
对称机件
【规则】当对称机件的图形只画出一半或略大于一半时,
尺寸线 应略超过对称中心线 或 断裂处的边界线,
仅在尺寸线一端画出箭头。
(如图示)

圆周上均匀分布的孔
【示例】图中 “8Xφ6EQS” 表示8个φ6的孔均匀分布;

当孔的定位和分布情况在图中都已明确时,允许省略其位置尺寸(角度)和 EQS(均布)
例1:

例2:

更多推荐



所有评论(0)