自行走快递转运车控制系统设计
本文设计了一种自行走快递转运车控制系统,采用STM32H7主控芯片,针对物流园区重载转运需求构建四层架构。系统集成激光雷达、视觉摄像头等多传感器,基于改进A*算法实现多车协同调度,并优化模糊PID控制算法保障重载稳定性。测试表明,该系统导航精度≤2.5cm,800kg载重下连续运行12小时,转运效率提升60%,货物损耗率降至0.5%。通过动态优先级机制和传感器融合优化,系统具备规模化应用价值,未来
自行走快递转运车控制系统设计
第一章 系统整体设计
自行走快递转运车控制系统以“重载稳定、高效转运、精准调度、安全可靠”为核心设计原则,面向物流园区、仓库、快递分拣中心等场景,解决传统人工转运效率低、劳动强度大、货物损耗率高、调度混乱的痛点。系统采用“感知-调度-控制-管理”的四层闭环架构,分为环境感知层、协同调度层、运动控制层与管理交互层:感知层通过多传感器采集路况、障碍物、货物状态及自身姿态数据;协同调度层基于云端平台实现多车路径规划、任务分配与冲突规避;运动控制层针对重载特性优化速度与转向控制,保障平稳运行;管理交互层支持货物信息录入、转运状态监控、故障报警等功能。系统适配500-1000kg载重,自主导航精度≤3cm,避障响应时间≤0.2秒,续航时长≥12小时,支持多车协同作业与批量货物转运,兼顾转运效率与货物安全性。
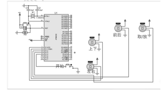
第二章 系统硬件设计
系统硬件以STM32H777VIT6高性能单片机为主控核心,搭配FPGA与工业级MCU协同处理,满足重载控制与多传感器数据融合需求。核心硬件模块分为六大类:感知模块集成32线激光雷达(探测距离≤30m,精度±1cm)、高清视觉摄像头(识别货物标签与路况)、超声波传感器(近距离避障)、GPS/北斗双模定位模块(户外全局定位)、IMU惯性测量单元(姿态监测)与重量传感器(实时检测货物载重),多维度保障转运安全;控制模块包含STM32最小系统、FPGA数据处理板、CANopen总线接口,实现传感器数据汇总、调度指令解析与控制信号输出;驱动模块采用大功率直流无刷电机(额定功率500W)与专用驱动板(如BLDC600),搭配高精度编码器实现速度与扭矩闭环控制,适配重载转向与制动需求;电源模块采用48V高容量锂电池组,搭配双路DC-DC稳压电路输出12V/5V/3.3V电压,具备过充、过放、过流、短路四重保护;货物管理模块配备RFID读卡器(识别货物标签)与压力传感器(监测货物是否稳定);交互模块包含工业级触控屏、语音播报器、指示灯与急停按钮,支持状态查询与应急操作。硬件防护等级达IP65,适应物流园区粉尘、潮湿等复杂环境,结构采用重载底盘设计,提升承载稳定性。
第三章 系统软件实现
系统软件基于FreeRTOS实时操作系统开发,采用模块化与分布式编程思路,分为传感器驱动层、协同调度层、运动控制层与管理服务层。传感器驱动层封装各传感器采集函数,通过中断与DMA传输实现数据高速采集,加入卡尔曼滤波与数据融合算法,提升数据准确性与稳定性;协同调度层是核心,基于改进型分布式A*算法实现多车路径规划,通过时间窗算法分配转运任务,利用冲突规避策略解决多车交汇拥堵问题,支持云端远程调度与本地自主决策切换;运动控制层针对重载特性优化PID算法,引入模糊PID控制调节速度与转向,根据载重动态调整制动扭矩,保障起步、行驶、停靠全过程平稳,避免货物晃动;管理服务层开发货物信息管理系统,支持RFID标签录入、转运路径记录、货物状态监控,通过4G/以太网与云端管理平台通信,实时上传转运数据,同时加入故障自检逻辑,传感器、电机或货物异常时自动停机并发送报警信息。软件还支持多车通信协议,实现车车互联与协同作业。
第四章 系统测试与优化改进
系统完成软硬件集成后,开展功能测试、性能测试与场景化试运行:功能测试覆盖重载导航、避障、多车协同、货物监控等核心功能,导航定位精度≤2.5cm,避障成功率100%,货物稳定监测准确率99.8%;性能测试中,转运车在800kg载重下最高行驶速度达1m/s,连续运行12小时无故障,单次充电可完成30+批次货物转运;场景测试选取大型物流园区,部署10台转运车协同作业,累计转运货物5000+件,转运效率提升60%,货物损耗率从3%降至0.5%,调度冲突率≤1%。针对测试中发现的问题优化:优化协同调度算法,引入动态优先级机制,提升紧急货物转运响应速度;改进模糊PID参数,将重载行驶速度误差从4%降至1.5%;优化传感器数据融合策略,提升复杂路况下的障碍物识别准确率;增加货物防倾倒预警功能,当货物倾斜角度≥5°时自动减速并报警。未来可拓展AI视觉分拣功能,实现货物自动装卸对接,集成5G通信模块提升多车协同响应速度,适配智能化物流园区全流程自动化需求。
总结
- 系统以STM32H7为核心,针对快递转运重载、批量、协同的核心需求,优化软硬件设计,实现自主转运、多车协同与货物安全管理,适配物流园区等场景;
- 硬件采用重载底盘与高防护设计,软件融入协同调度与模糊PID控制算法,兼顾转运效率、行驶稳定性与货物安全性;
- 经测试验证,系统在重载工况下运行稳定、调度高效、安全可靠,优化后实用性与适配性进一步提升,具备物流园区规模化应用价值。





文章底部可以获取博主的联系方式,获取源码、查看详细的视频演示,或者了解其他版本的信息。
所有项目都经过了严格的测试和完善。对于本系统,我们提供全方位的支持,包括修改时间和标题,以及完整的安装、部署、运行和调试服务,确保系统能在你的电脑上顺利运行。
更多推荐



所有评论(0)