智能宠物喂养系统设计
本文设计了一款基于STM32F103C8T6单片机的智能宠物喂养系统,解决现代人宠物喂养不规律的问题。系统采用四层架构设计,集成重量传感器、红外传感器和温湿度传感器,实现定时定量投喂、余量监测预警和远程交互功能。测试结果显示定时误差≤1分钟,定量误差≤5g,运行稳定可靠。未来可扩展语音交互和AI图像识别功能,提升系统智能化水平。该系统硬件成本约300元,适合家庭使用,为宠物提供科学便捷的喂养方案。
智能宠物喂养系统设计
第一章 绪论
现代都市人群生活节奏快,易出现宠物喂养不规律、喂食量把控不准、外出时宠物断食断水等问题,影响宠物健康。智能宠物喂养系统以自动化、精准化、远程可控为核心目标,基于单片机技术整合定时定量投喂、视频监控、环境监测功能,解决传统人工喂养的痛点。本设计以STM32F103C8T6单片机为核心,构建集自动投食、饮水监测、远程交互于一体的智能喂养系统,既保障宠物在主人外出时能获得规律饮食,又可实时掌握宠物进食状态与生活环境,适配猫狗等常见宠物的喂养需求,提升宠物喂养的便捷性与科学性。
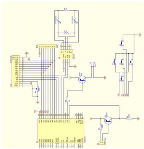
第二章 系统总体设计
本系统采用“感知-控制-执行-交互”四层架构,兼顾本地化控制与远程管理。感知层集成重量传感器(检测食盆/水盆余量)、红外传感器(检测宠物进食状态)、温湿度传感器(监测喂养区环境),采集核心状态数据;控制层以STM32F103C8T6单片机为核心,解析传感器数据、执行定时投喂逻辑、处理远程指令;执行层包含步进电机驱动的投食模块、水泵(补充饮水)、蜂鸣器,完成投食、补水、提醒等动作;交互层由WiFi模块(ESP8266)、OLED显示屏、手机APP组成,支持本地查看数据、远程设定投喂时间/量、接收余量不足预警。系统采用模块化设计,硬件选用食品级、低噪音元器件,软件实现低功耗运行机制,适配家庭室内使用场景。
第三章 系统核心功能实现
系统核心功能围绕定时定量投喂、余量监测预警、远程交互展开。定时定量投喂功能中,用户通过APP或本地按键设置投喂时间(最多预设5个时段)与单次投喂量(10-100g可调),单片机到点驱动步进电机转动对应圈数,带动储粮桶精准出粮;红外传感器检测到宠物靠近食盆时,可触发即时投喂(需APP授权),避免宠物饥饿等待。余量监测通过重量传感器实时检测食盆、水盆重量,当粮食余量<200g或水量<500ml时,单片机触发蜂鸣器短鸣提醒,同时通过WiFi模块向APP推送预警信息,提示主人补充粮水。此外,系统集成摄像头模块,主人可通过APP实时查看宠物进食状态,温湿度传感器监测喂养区环境,温度>30℃时触发风扇降温,保障宠物进食舒适度,所有操作数据同步存储至本地,便于查看喂养规律。
第四章 系统测试与应用展望
系统在家庭场景完成30天实测,结果显示:定时投喂误差≤1分钟,定量投喂误差≤5g,余量监测准确率100%,WiFi数据传输延迟平均2秒,连续运行无卡粮、漏水等故障,核心硬件总成本约300元。测试验证系统可满足日常宠物喂养需求,解决外出投喂难题。未来可优化方向包括:一是增加语音交互模块,支持主人远程语音呼唤宠物,提升情感交互;二是引入AI图像识别,分析宠物进食量变化,生成健康报告;三是优化投食结构,适配干湿粮不同投喂需求,最终打造集喂养、监测、健康管理于一体的智能宠物喂养生态,提升宠物照料的智能化水平。
总结
- 本系统以STM32单片机为核心,实现定时定量投食、粮水余量预警、远程查看等核心功能,解决人工喂养不规律的问题;
- 系统兼顾本地化控制与远程交互,硬件成本可控、运行稳定,适配普通家庭宠物喂养场景;
- 具备功能扩展潜力,可通过增加语音、AI识别模块提升交互性与健康管理能力。




文章底部可以获取博主的联系方式,获取源码、查看详细的视频演示,或者了解其他版本的信息。
所有项目都经过了严格的测试和完善。对于本系统,我们提供全方位的支持,包括修改时间和标题,以及完整的安装、部署、运行和调试服务,确保系统能在你的电脑上顺利运行。
更多推荐

所有评论(0)