智能儿童台灯系统设计与实现
摘要: 智能儿童台灯系统通过融合环境感知、自动调光、坐姿监测与学习管理功能,解决了传统台灯功能单一的问题。系统采用四层架构设计,以STM32/ESP32为核心,集成环境光传感器、坐姿检测模块和语音交互功能,实现亮度/色温自适应调节(300-500lx)、坐姿异常提醒(红外/摄像头监测)和学习定时管理。硬件采用高显指LED双色温灯板,软件通过闭环控制算法实现智能调光,支持APP远程控制。测试表明系统
智能儿童台灯系统设计与实现
第一章 绪论
传统儿童台灯功能单一,仅提供基础照明,存在亮度固定、色温不适、易造成视觉疲劳、缺乏坐姿提醒、无定时护眼与学习管理等问题,难以满足儿童学习场景下的健康用眼与习惯培养需求。智能儿童台灯系统融合环境感知、自动调光、坐姿监测、语音交互与学习管理功能,可根据环境光自动调节亮度与色温,实时监测坐姿并提醒纠正,支持定时学习、护眼模式与远程监护,为儿童提供科学、健康、智能的学习照明环境。本系统以单片机为核心,结合光照传感器、红外测距/摄像头、蓝牙/Wi‑Fi模块与语音模块,实现“感知‑调节‑监测‑提醒‑管理”一体化智能控制,具备护眼、安全、易用、低功耗特点,适用于家庭、书房、儿童学习空间等场景。
第二章 系统设计原理与整体架构
系统采用“感知层—控制层—执行层—交互层”四层架构,实现护眼照明与学习管理闭环。感知层由环境光传感器、坐姿监测传感器(红外/摄像头)、按键模块组成,采集环境亮度、坐姿状态与用户指令;控制层以STM32/Arduino为核心,完成数据处理、逻辑判断、调光控制与提醒策略;执行层包括LED灯板(冷暖双色温)、蜂鸣器/语音提醒、电机(可选自动调角);交互层支持本地按键、OLED显示、语音播报与手机APP远程控制。
系统工作原理为:环境光传感器实时监测桌面照度,单片机根据国标护眼照度自动调节PWM占空比,实现亮度与色温自适应;坐姿监测模块检测头部距离与倾斜角度,异常时触发声光/语音提醒;支持定时学习、休息提醒、夜间护眼模式;通过APP可远程查看使用状态、设置亮度、查看学习时长,实现“科学护眼+习惯养成+智能管理”一体化。
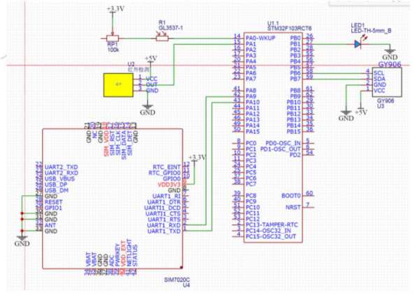
第三章 系统硬件与软件设计
3.1 硬件设计
主控采用STM32F103或ESP32(支持Wi‑Fi/蓝牙)。照明模块采用高显指LED灯板(RA>90),冷暖双色温(3000K‑5000K),通过两路PWM独立调节亮度与色温。感知模块:BH1750环境光传感器采集照度;红外测距传感器(GP2Y0A21)或微型摄像头检测坐姿距离与倾角;按键实现模式切换、亮度手动调节。提醒模块:蜂鸣器+SYN6288语音芯片,支持“坐姿请端正”“请注意休息”等语音播报。显示模块采用0.96寸OLED,显示亮度、模式、定时时间、坐姿状态。通信模块采用ESP32自带Wi‑Fi/蓝牙,实现APP联动。电源采用5V/2A Type‑C供电,过流/过压保护,安全可靠。
3.2 软件设计
软件基于Keil/Arduino开发,模块化实现。主程序完成传感器采集、PWM调光、坐姿判断、定时管理、语音提醒与通信任务。调光算法采用闭环控制,根据环境照度(目标300‑500lx)自动调整亮度,色温随时间/模式自适应(学习模式4000K,阅读模式3500K,夜间模式2700K)。坐姿判断通过距离阈值(<30cm)与角度阈值判断前倾/低头,连续异常3秒触发提醒,纠正后停止。定时管理支持25/5分钟番茄钟,学习结束自动提醒休息。APP端支持远程调光、模式切换、定时设置、学习记录统计。系统支持低功耗待机,无操作10分钟自动降亮度,30分钟自动关灯。
第四章 系统测试与总结展望
系统测试表明:环境光响应灵敏,亮度调节平滑,色温自然柔和;坐姿监测准确,提醒及时不扰民;语音播报清晰,交互友好;OLED显示直观,操作简便;APP连接稳定,远程控制延迟低;连续运行稳定,无频闪、无眩光,符合儿童护眼标准。整体结构安全、造型友好,适合儿童长期使用。
本系统实现了儿童学习照明的智能化与健康化,解决了传统台灯的护眼不足与习惯管理缺失问题。未来可扩展AI坐姿识别(摄像头+深度学习)、环境噪音监测、绘本伴读、家长语音通话、睡眠监测等功能,进一步提升陪伴与教育属性,向“护眼+学习+健康+安全”的全场景儿童智能终端方向发展。


文章底部可以获取博主的联系方式,获取源码、查看详细的视频演示,或者了解其他版本的信息。
所有项目都经过了严格的测试和完善。对于本系统,我们提供全方位的支持,包括修改时间和标题,以及完整的安装、部署、运行和调试服务,确保系统能在你的电脑上顺利运行。
更多推荐



所有评论(0)