基于优化储能控制技术的无缝切换不间断交流电源系统设计
本文设计了一种基于优化储能控制技术的无缝切换不间断交流电源系统(UPS),采用STM32+DSP双核心架构与模型预测控制算法,实现电网与储能电源的零中断切换(≤0.3ms)和高效充放电管理(效率≥95%)。系统通过霍尔传感器实时监测电网状态,利用锁相环实现相位同步,结合双向变换器与静态开关完成无缝切换,输出电压THD≤2%,保护响应时间≤10μs。测试表明系统有效解决了传统UPS切换中断和储能效率
基于优化储能控制技术的无缝切换不间断交流电源系统设计
第一章 绪论
传统不间断电源(UPS)多采用机械切换或简单储能放电模式,存在电网失电时切换中断(通常2-10ms)、储能电池充放电效率低、深度放电易衰减等问题,难以满足精密仪器、数据中心等对供电连续性与稳定性要求极高的场景需求。优化储能控制技术通过精准的充放电管理与快速切换逻辑,可显著提升UPS的供电可靠性与储能利用率。本研究设计基于优化储能控制的无缝切换UPS系统,核心目标是实现电网与储能电源的零中断切换、储能电池的高效充放电控制、过载与过压保护功能。系统需具备响应快、损耗低、储能寿命长的特性,解决传统UPS切换中断、储能管控粗放的痛点,为高敏感负载提供高品质不间断供电解决方案,符合电力电子设备高效化、智能化发展趋势。
第二章 系统设计原理与核心架构
本系统核心架构围绕“电网检测-储能控制-无缝切换-负载供电”四大模块构建,采用STM32F103单片机+DSP TMS320F28335双核心控制架构。电网检测模块通过电压传感器实时监测电网电压、频率与相位,判断电网供电状态;储能控制模块基于模型预测控制(MPC)算法,优化锂电池充放电策略,兼顾输出稳定性与电池寿命;无缝切换模块采用双向全桥变换器与静态开关组合,通过DSP快速锁相环(PLL)实现电网与储能电源的相位同步,确保切换无中断;负载供电模块经LC滤波电路输出纯净正弦波电压。核心原理为“状态检测-储能优化-同步切换”闭环:STM32实时监测电网状态,DSP通过优化算法调控储能充放电,电网异常时静态开关毫秒级切换至储能供电,切换过程中相位与幅值无偏差,实现负载零中断供电。
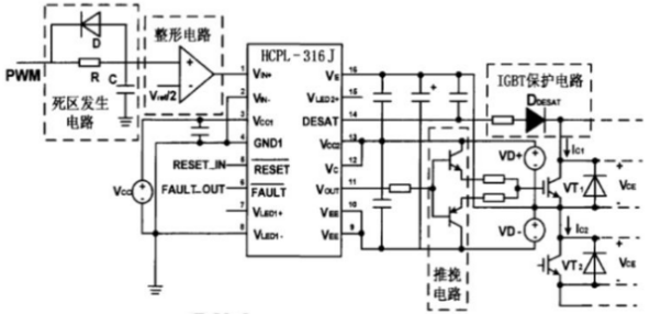
第三章 系统设计与实现
系统硬件采用模块化设计:电网检测单元选用霍尔电压传感器采集电网三相电压,信号经调理后送入DSP ADC;储能单元采用18650锂电池组(额定电压48V),搭配双向DC-DC变换器,实现充放电模式智能切换;切换单元采用IGBT构成的静态开关,配合LC滤波器(开关频率20kHz)滤除谐波;控制单元中,STM32负责状态监测与保护逻辑,DSP专注MPC算法运算与PWM信号生成,双核心通过SPI通信协同工作;保护单元集成过压、过流、过温检测电路,异常时立即封锁PWM输出并切断负载回路。
软件层面核心逻辑为:电网正常时,DSP通过MPC算法控制双向变换器为锂电池恒流恒压充电,同时电网直接为负载供电;STM32实时比对电网参数与标准阈值,电网失电/异常时立即发送切换指令;DSP通过PLL快速同步储能电源与电网相位(同步时间≤0.5ms),控制静态开关无缝切换至储能供电;储能供电阶段,MPC算法动态调整输出电压幅值与频率,保障负载电压稳定(波动≤±1%);电网恢复后,反向切换至电网供电,同时恢复储能充电。软件内置电池SOC估算算法,避免过充过放,延长电池循环寿命。
第四章 系统测试与总结展望
选取1kW阻感负载开展系统测试,结果显示:电网与储能电源切换时间≤0.3ms,负载电压无跌落与畸变,满足无缝切换要求;储能充放电效率≥95%,锂电池SOC控制精度≤±3%,有效避免深度放电;额定负载下输出电压THD≤2%,电压稳定度±0.8%,频率稳定度±0.1Hz;过压、过流保护响应时间≤10μs,动作可靠。误差分析表明,少量切换相位偏差源于电网谐波干扰,可通过优化PLL滤波算法进一步提升同步精度。
综上,本系统通过优化储能控制与快速同步切换技术,解决了传统UPS切换中断的痛点,兼具高可靠性与储能高效利用优势。后续优化方向包括:引入超级电容与锂电池混合储能拓扑,提升动态响应速度;增加CAN通信模块,实现多机并联扩容;优化MPC算法,结合AI预测电网波动,提前调整储能工作状态,进一步提升系统在复杂电网环境下的适应性与稳定性。


文章底部可以获取博主的联系方式,获取源码、查看详细的视频演示,或者了解其他版本的信息。
所有项目都经过了严格的测试和完善。对于本系统,我们提供全方位的支持,包括修改时间和标题,以及完整的安装、部署、运行和调试服务,确保系统能在你的电脑上顺利运行。
更多推荐



所有评论(0)