基于STM32的仓库温湿度数据获取系统
摘要:本文设计了一种基于STM32L431RCT6单片机的仓库温湿度数据获取系统,采用分布式SHT30传感器实现多点采集(误差≤±0.3℃/±1.2%RH),通过RS485总线和LoRa无线传输数据,支持本地存储、远程上传和超标预警功能。系统测试显示采集传输成功率≥99.5%,待机功耗85μA,解决了传统人工采集效率低的问题。未来可扩展物联网接入和AI风险预判功能。该系统适用于大型仓储环境,实现了
基于STM32的仓库温湿度数据获取系统
第一章 绪论
传统仓库温湿度管理依赖人工手持仪器巡检,存在数据采集频率低、人工成本高、数据易遗漏篡改、无法实时掌握全域温湿度状态等问题,尤其在大型仓储场景中,易因局部温湿度超标导致货物霉变、失效。STM32单片机凭借低功耗、多接口扩展、稳定的数据处理能力,成为仓库温湿度精准采集与传输的核心控制单元。本研究设计基于STM32的仓库温湿度数据获取系统,核心目标包括:实现仓库多点温湿度实时采集(测温误差≤±0.5℃,测湿误差≤±2%RH)、数据本地存储与远程上传;具备超标阈值预警、采集频率可配置功能;系统单节点待机功耗≤100μA,支持多节点组网覆盖全域仓库,解决传统人工采集效率低、实时性差的痛点。
第二章 系统设计原理与核心架构
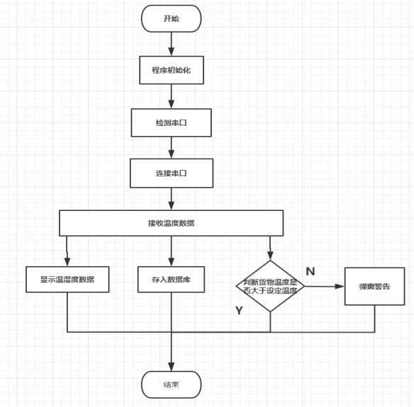
本系统核心架构围绕“多点感知-数据处理-存储传输-预警提示”四大模块构建,基于STM32L431RCT6低功耗单片机实现全流程管控。多点感知模块通过分布式部署的温湿度传感器,采集仓库不同区域的温湿度数据,避免单点采集的片面性;数据处理模块依托STM32的运算能力,对采集数据进行滤波校准,剔除环境干扰导致的异常值;存储传输模块将处理后的数据本地缓存,并通过无线通信上传至仓储管理终端;预警提示模块对比实时数据与预设阈值,超标时触发本地声光报警。核心原理为“分布式采集-集中式处理-多端同步-异常预警”闭环:各传感器节点将温湿度信号转换为数字信号,经STM32处理后完成本地存储与远程传输,确保数据的实时性、准确性与可追溯性。
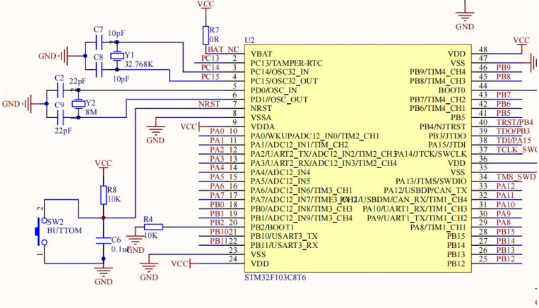
第三章 系统设计与实现
系统硬件以STM32L431RCT6为核心,分布式部署SHT30高精度温湿度传感器(I2C接口),按仓库区域划分8个采集节点,每个节点通过RS485总线与核心控制板通信,保障长距离数据传输稳定性;采用W25Q128 FLASH芯片(SPI接口)本地存储近60天温湿度数据,掉电不丢失;LoRa无线模块(SX1278)通过USART串口实现数据远程上传,传输距离可达1km,适配大型仓库场景;声光报警器(GPIO驱动)在温湿度超标时触发预警,同时通过OLED显示屏(I2C接口)实时显示各节点数据;电源模块采用220V转12V开关电源为主供电,3.7V锂电池为备用电源,断电后单节点可持续工作12小时。软件层面采用模块化编程,核心逻辑包括:初始化模块配置外设与采集频率(默认5分钟/次,支持1-30分钟可调),设定安全阈值(如温度5-35℃、湿度30-70%RH);数据采集模块读取各节点传感器数据,通过滑动平均滤波算法优化精度;存储模块按“时间-节点-温湿度值”格式存储数据,支持本地查询;传输模块定时将数据封装后通过LoRa上传至管理终端,超标时立即上传异常信息;低功耗模块在非采集时段将单片机切换至休眠模式,降低待机能耗。
第四章 系统测试与总结展望
选取大型电商仓库(2000㎡)开展系统测试,结果显示:8个采集节点温湿度测量误差≤±0.3℃/±1.2%RH,数据采集与上传无延迟,传输成功率≥99.5%;本地存储数据与管理终端数据一致性100%,超标预警响应时间≤1秒;单节点待机功耗85μA,备用电池续航达13小时,满足应急需求。误差分析表明,少量数据偏差源于传感器安装位置的气流干扰,可通过加装防护外壳优化。综合来看,该系统基于STM32实现了仓库温湿度的分布式精准采集与远程传输,解决了传统人工采集的痛点。后续优化方向包括:增加数据加密传输机制,提升数据安全性;接入物联网平台,支持手机APP实时查看数据趋势;结合AI算法分析温湿度变化规律,提前预判超标风险。
总结
- 本系统以STM32L431RCT6为核心,采用分布式SHT30传感器实现仓库多点温湿度精准采集,测量误差≤±0.3℃/±1.2%RH,数据准确性高。
- 系统支持本地存储、LoRa远程传输、超标预警功能,适配大型仓库长距离、多节点监测需求,且低功耗、双供电设计保障稳定运行。
- 系统解决了传统人工采集效率低的问题,后续可通过物联网、AI算法进一步提升数据管理与风险预判能力。



文章底部可以获取博主的联系方式,获取源码、查看详细的视频演示,或者了解其他版本的信息。
所有项目都经过了严格的测试和完善。对于本系统,我们提供全方位的支持,包括修改时间和标题,以及完整的安装、部署、运行和调试服务,确保系统能在你的电脑上顺利运行。
更多推荐


所有评论(0)