51单片机外部中断
STC89C5X系列单片机提供了4个外部中断:外部中断0(INTO)、外部中断1(INT1)、外部中断2(INT2)、外部中断3(INT3)。当进入主程序main开始,从上往下去执行,当此时突然来了中断响应,此时程序会暂停当前执行的行数,去执行中断函数,当中断函数里面的程序执行完成,此时会回到刚才程序暂停的位置继续往下执行下一行代码,继续一行一行的往下走。
1.外部中断介绍
STC89C5X系列单片机提供了4个外部中断:外部中断0(INTO)、外部中断1(INT1)、外部中断2(INT2)、外部中断3(INT3)。
当进入主程序main开始,从上往下去执行,当此时突然来了中断响应,此时程序会暂停当前执行的行数,去执行中断函数,当中断函数里面的程序执行完成,此时会回到刚才程序暂停的位置继续往下执行下一行代码,继续一行一行的往下走。
外部中断0,通过TCON里面的IT0来设置,当IT0设置0时候,那么就是电平促发,如果IT0设置1的时候,那么就是下降沿促发,IE0是外部中断促发标志,判断P3.2引脚是否有中断促发,如果有,IE0系统内部自动设置1,就是当IT0设置1或者0的时候,P3.2引脚来一个低电平或者下降沿的时候,此时IE0就会促发中断标志,自己自动设置成1,同时还需要设置IE里面的EX0和EA中断总开关都需要设置成1,这样的话,CPU检测到了中断,就促发了中断。
对于外部中断1,跟外部中断0操作方式一模一样,只是外部中断0是P3.2,外部中断1是P3.3
单片机引脚图
外部中断0在单片机的P3.2引脚功能,外部中断1在单片机P3.3
IE寄存器内部设置
当我想要使用外部中断0或者外部中断1的时候,只需要将EX0或者EX1设置1,并且还要将EA总中断开关设置1,对IE寄存器操作
TCON寄存器内部设置
IT0或者IT1设置外部中断促发方式,当成功促发则IE0或者IE1自动设置成1
2.外部中断配置
1、中断源有中断请求;
2、中断源的中断允许位为1;
3、CPU开中断(即EA=1)。
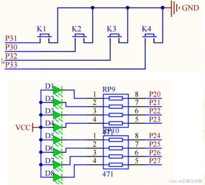
3.硬件设计

外部中断0是P32引脚,外部中断1是P33引脚,这里都接了一个开关,P32和P33引脚接了一个上拉电阻,当什么都不操作的时候,都是高电平,当按下开关后,就会变成低电平,也就是说当按钮按下由高电平变成低电平就是一个下降沿,此时正好促发外部中断0或者外部中断1
4.实现功能
通过外部中断0和外部中断1控制LED灯亮灭操作
5.软件设计
#include <reg51.h>
#include <intrins.h>
#define u16 int
#define u8 char
sbit LED = P2^5;
void delay_50ms(u16 us) {
while(us--);
}
void exter0_init(void) {
EA = 1; //打开总中断开关
EX0 = 1; //打开外部中断0
IT0 = 1; //下降沿促发方式
}
void exter1_init(void) {
EA = 1; //打开总中断开关
EX1 = 1; //打开外部中断0
IT1 = 1; //下降沿促发方式
}
void main() {
exter0_init();
exter1_init();
while(1) {
}
}
void int0() interrupt 0 {
LED = !LED;
}
void int1() interrupt 2 {
LED = !LED;
}
6.电路仿真设计

当按下P3.2引脚对应的开关就是从1变成0下降沿,外部中断0触发,外部中断0的功能就是让LED5取反,当按下p3.3引脚对应的开关也是从1变成0下降沿,外部中断1触发,外部中断1的功能也是让LED5取反,可以做到P3.2开关开灯,P3.3开关进行关灯。
更多推荐


所有评论(0)