电力市场出清程序:IEEE14节点输电阻塞与电价求解之旅
假设已知各机组成本系数a,b,c% 构建目标函数系数向量ff = 2.* a;f = [f;b];这里我们根据成本函数构建目标函数系数向量f,因为linprog()函数要求目标函数是线性形式,对于二次项 \( ai Pi^2 \),求导后变为 \( 2a_i \),就得到了f前半部分,后半部分就是一次项系数b。
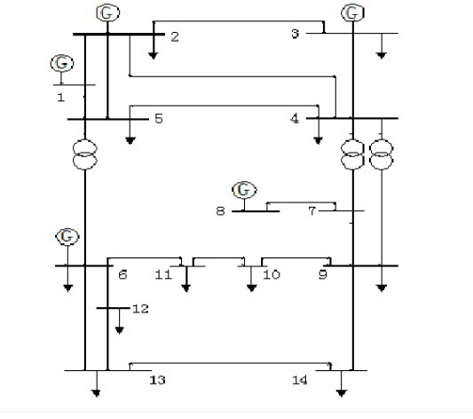
电力市场出清程序。 IEEE14节点考虑输电阻塞,求解机组边际电价和节点边际电价。 采用拉格朗日乘子进行分析计算,目标函数为发电成本最小。 运用matlab中的linprog()函数实现此程序,均为m程序。 其他测试系统完全可以根据这个程序进行改写,非常有参考价值。

在电力市场领域,出清程序的设计与实现至关重要。今天咱们就来聊聊如何在IEEE14节点系统中,考虑输电阻塞的情况下,求解机组边际电价(LMP)和节点边际电价(MCP)。
核心思路:拉格朗日乘子与目标函数
这里我们采用拉格朗日乘子法进行分析计算,核心目标函数是发电成本最小。为啥选这个目标呢?毕竟在实际电力市场运行中,降低发电成本可是大家都很关注的事儿。

想象一下发电成本函数可以写成这样:

电力市场出清程序。 IEEE14节点考虑输电阻塞,求解机组边际电价和节点边际电价。 采用拉格朗日乘子进行分析计算,目标函数为发电成本最小。 运用matlab中的linprog()函数实现此程序,均为m程序。 其他测试系统完全可以根据这个程序进行改写,非常有参考价值。

\[ C = \sum{i = 1}^{n} ai Pi^2 + bi Pi + ci \]
这里 \( Pi \) 是第 \( i \) 台机组的发电功率, \( ai, bi, ci \) 是每台机组对应的成本系数。这就是我们要最小化的对象啦。
Matlab 实现:linprog() 函数大显身手
我们通过Matlab中的 linprog() 函数来实现这个程序,并且都是基于m程序哦。下面就来看一些关键代码片段:
1. 定义目标函数系数
% 假设已知各机组成本系数a,b,c
a = [a1, a2,..., an];
b = [b1, b2,..., bn];
% 构建目标函数系数向量f
f = 2.* a;
f = [f; b];
这里我们根据成本函数构建目标函数系数向量 f,因为 linprog() 函数要求目标函数是线性形式,对于二次项 \( ai Pi^2 \),求导后变为 \( 2a_i \),就得到了 f 前半部分,后半部分就是一次项系数 b。
2. 约束条件设置
% 功率平衡约束
Aeq = [ones(1, n), zeros(1, m)];
beq = demand;
% 线路潮流约束(简化示意)
% 假设已知线路潮流与机组功率关系矩阵A_line
A = [A_line, zeros(size(A_line, 1), m)];
b = line_flow_limit;
功率平衡约束 Aeq 和 beq 保证了发电功率总和等于负荷需求 demand。而线路潮流约束 A 和 b 确保线路传输功率不超过限制 lineflowlimit,这里只是简化示意,实际中线路潮流计算会更复杂。
3. 调用linprog() 函数求解
[x, fval] = linprog(f, A, b, Aeq, beq, lb, ub);
linprog() 函数就会根据我们设置的目标函数系数 f,不等式约束 A 和 b,等式约束 Aeq 和 beq,以及变量的上下限 lb 和 ub 来求解最优解 x 和最小发电成本 fval。
通用性:为其他测试系统改写奠定基础
这个程序的一大亮点就是,其他测试系统完全可以根据这个程序进行改写,具有极高的参考价值。不同系统可能只是节点数量、机组参数、线路参数等有所不同。比如说新系统节点多了,那我们就相应调整矩阵的维度,重新设置机组成本系数和线路潮流限制等参数就行啦。
通过以上基于Matlab的电力市场出清程序,我们就能在IEEE14节点系统中,有效考虑输电阻塞并求解出机组边际电价和节点边际电价,为电力市场的合理运行和电价制定提供有力支持。希望大家在实际应用中能根据自身需求灵活调整优化这个程序。
更多推荐



所有评论(0)