空间告急?AirMICROSD_1000直插小板快速扩容
硬件接线方式、软件demo下载
AirMICROSD_1000——合宙推出的一款直插式设计的SD卡配件板,避免传统杜邦线连接可能出现的数据异常或挂载失败问题,支持Micro SD卡(TF卡)快速扩展存储容量。
产品适配说明:
AirMICROSD_1000仅支持SDIO链接,目前只适用于Air8101系列产品;Air780系列和Air8000系列产品,请使用AirMICROSD_1010配件板。


本文特别分享AirMICROSD_1000+Air8101系列核心板应用示例demo,可结合实际需求灵活运用。
一、硬件接线方式
AirMICROSD_1000配件板采用排母设计,直接插到Air8101核心板对应排针即可;建议选择主流品牌SD卡,确保性能稳定。


1)AirMICROSD_1000配件板引脚功能说明:
-
3V3
SD卡的供电电压,通常为3.3V,确保卡内电路稳定运行。
-
GND
地线/接地,电路中的零电位参考点,用于稳定电压、保障安全,并消除静电或电磁干扰。
-
CD
卡检测(Card Detect),检测信号。 -
DO
数据输出(Data Out),在SPI模式下DO引脚用于从SD卡向主机发送数据,是单向数据输出通道。 -
CMD
命令(Command),用于向SD卡发送命令信号,控制卡的操作,如读取、写入、擦除等。 -
CLK
时钟(Clock),主机到SD卡的时钟信号,用于同步数据传输,控制通信节奏。
Air8101系列核心板通过Type-C USB口供电(核心板背面的功耗测试开关,拨到OFF一端)。此种供电方式下,VBAT引脚为3.3V,可以直接给配件板供电。
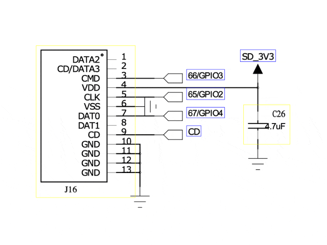
2)对应管脚如下图表:

二、软件demo下载
本示例demo核心功能为:使用Air8101系列核心板对Micro SD卡(TF卡)实现完整操作流程,覆盖了从文件系统挂载到高级文件操作的完整功能链。
-
main.lua:
主程序入口,主要用于初始化项目,加载应用模块。 -
AirMICROSD_1000.lua:
TF卡基础应用模块,实现文件系统管理、文件操作和目录管理功能。 -
http_download_file.lua:
HTTP下载模块,实现网络检测与文件下载到TF卡的功能。
部分示例代码说明如下,完整demo详见源码仓库最新文件。
1)文件系统管理
-
挂载:
挂载FAT32文件系统到/sd路径;
自动格式化检测与处理; -
空间信息获取:
实时查询TF卡可用空间;
输出详细存储信息(总空间/剩余空间)。
2)文件操作
-
创建目录:
io.mkdir("/sd/io_test") -
创建/写入文件:
io.open("/sd/io_test/boottime", "wb") -
检查文件存在:
io.exists(file_path) -
获取文件大小:
io.fileSize(file_path) -
读取文件内容:
io.open(file_path, "rb"):read("*a") -
启动计数文件:
记录设备启动次数 -
文件追加:
io.open(append_file, "a+") -
按行读取:
file:read("*l") -
文件关闭:
file:close() -
文件重命名:
os.rename(old_path, new_path) -
列举目录:
io.lsdir(dir_path) -
删除文件:
os.remove(file_path) -
删除目录:
io.rmdir(dir_path)
3)结果处理
-
资源清理(卸载)

更多推荐


所有评论(0)