登录社区云,与社区用户共同成长
邀请您加入社区
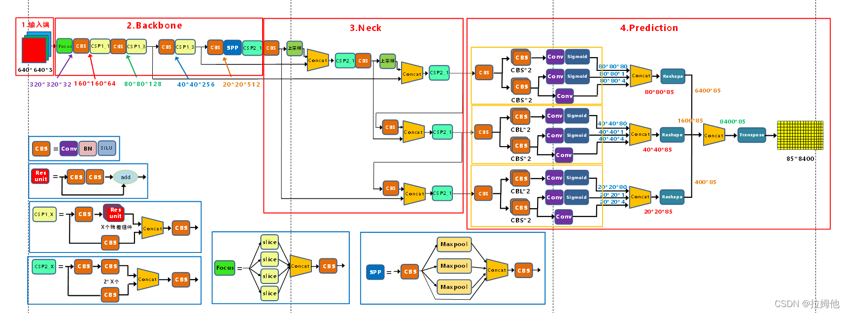
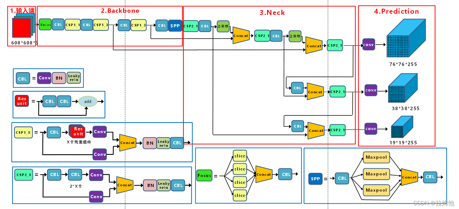
YOLO近几代结构图
YOLOv3
YOLOv4
YOLOv5
YOLOx
有“AI”的1024 = 2048,欢迎大家加入2048 AI社区
更多推荐
【毕业设计】SpringBoot+Vue+MySQL 医院资源管理系统平台源码+数据库+论文+部署文档
SpringBoot+Vue 线上辅导班系统平台完整项目源码+SQL脚本+接口文档【Java Web毕设】
Java SpringBoot+Vue3+MyBatis 体育馆管理系统系统源码|前后端分离+MySQL数据库
扫一扫分享内容
所有评论(0)