隔离模块选用
隔离模块是通过光、磁、电容等介质实现电气隔离的器件,阻断共地干扰与危险电压,保障系统安全。广泛应用于工业控制、医疗设备及通信系统,具备信号传输、噪声抑制和电路保护功能,常见类型包括光耦、磁耦及数字隔离芯片。
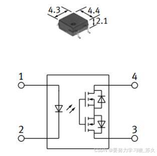
AQY211(固态继电器(MOS输出))
固态继电器是由微电子电路,分立电子器件,电力电子功率器件组成的无触点开关。用隔离器件实现了控制端与负载端的隔离。固态继电器的输入端用微小的控制信号,达到直接驱动大电流负载。
固态继电器可以具有短路保护,过载保护和过热保护功能。
了解固态继电器的结构,特点,工作原理及其应用环境 |惠木电子 (huimultd.com)


品牌名称:PANASONIC(松下);商品型号:AQY211G2SX;商品封装SOP-4-2.54mm;正向压降(Vf):1.32V;负载电压:40V;连续负载电流:1.6A;导通电阻:100mΩ;隔离电压(Vrms:1.5kV;导通时间(Ton):1ms;截止时间(Toff):120us。
AQY211G2SX -PDF数据手册-参考资料-立创商城 (szlcsc.com)

6N137(逻辑输出光耦)
逻辑输出光耦的电流传输特性曲线是非线性的,适合于开关信号的传输,不适合于传输模拟量。
工作原理:基于发光二极管和光敏三极管的协同作用。发光二极管将电信号转换为光信号,而光敏三极管则负责将光信号转换回电信号,实现电气隔离。当在逻辑输出光耦的输入端施加正向电压时,发光二极管会发出光线,照射到光敏三极管的感光面上。随着光线强度的变化,光敏三极管的内部电阻也会相应调整,从而产生输出电信号。这种通过光线传递信息的方式,实现了输入与输出之间的电气隔离,提高了系统的稳定性和可靠性。
逻辑输出光耦的工作原理、结构特点、工艺流程及设计要点详解 (baidu.com)


品牌名称:EVERLIGHT(亿光);商品型号:6N137;商品封装:DIP-8;逻辑输出光耦:输入类型 DC;工作电压4.5V~5.5V;隔离电压(Vrms)5kV;CMTI(kV/us) 20kV/us;数据速率10Mbit/s;通道数 1;工作温度 -40℃~+85℃;传播延迟(tpLH)75ns;传播延迟(tpHL)75ns;输入阈值电流(FH)2.5mA;耗散功率(Pd)100mW;
6N137_EL26XX.pdf (everlight.com.cn)

B0505S-1WR3(隔离电源模块)
DC-DC隔离电源,定压输入、非稳压输出隔离电源模块效率高、体积小、可靠性高、耐冲击、隔离特性好,温度范围宽。国际标准引脚方式,阻燃封装(UL94-V0),自然冷却,无需外加散热片,无需外加其他元器件可直接使用,并可直接焊接于PCB板上。
工作原理:隔离电源的输入端和输出端之间有一条隔离层,该层可以是变压器或其他隔离元件。当交流电信号进入隔离 transformer 中时,由于双绕组之间没有直接电气联系,因此输出端所连接的负载和输入端之间不会有任何的相互连结。由于两者之间被完全隔离,前一级故障时会使得后级电路不受影响,以避免可能产生的安全事故。
隔离模块介绍-隔离电源模块_隔离电源模块原理图-CSDN博客

品牌名称:EVISUN(易成);商品型号:B0505S-1WR3;商品封装:SIP-4;隔离电源模块:输出功率 1W;工作电压4.5V~5.5V;转换效率86%;输出电压5V;输出电流(最大值) 200mA;最大容性负载2400uF;隔离电压(Vrms)1.5kV;特性 短路保护。
B0505S-1WR3 -PDF数据手册-参考资料-立创商城 (szlcsc.com)

ADUM1201BRZ-RL7(数字隔离器)
数字隔离芯片是一种用于电子系统中,通过高电阻隔离技术实现数字和模拟信号传输的芯片。它的主要功能包括安全防护、信息传输和抗干扰。
工作原理:数字隔离芯片通过电容、电感或光学耦合技术实现信号的隔离和传输。常见的技术包括光耦、磁耦和容耦。其中,容耦技术逐渐成为主流,因为它在抗干扰、成本和集成度方面具有优势。
光耦技术:光耦基于光电效应,通过发光二极管和光敏三极管实现信号的电-光-电转换。优点是抗干扰能力强,但存在传输速率低、功耗高等缺点。
磁耦技术:磁耦基于电磁感应定律,通过变压器实现信号传输。优点是传输速率高,但易受外部磁场干扰,成本较高。
容耦技术:容耦通过电容两极板之间的电场变化实现信号传输。优点是抗干扰能力强,成本较低,集成度高。

品牌名称:ADI(亚德诺);商品型号:ADUM1201BRZ-RL7;商品封装:SOIC-8;正向通道数1;反向通道数1;最大数据速率10Mbps;隔离电压(Vrms)2500;工作温度 -40℃~+105℃
ADUM1201BRZ-RL7 -PDF数据手册-参考资料-立创商城 (szlcsc.com)

更多推荐

所有评论(0)