模糊PID控制器设计
模糊PID控制器设计Simulink框图模糊控制器设计参数确定及控制性能评价相关资源链接Simulink框图模糊控制器Simulink框图如图,模糊控制器的输入为误差与误差变化率;输出为归一化之后变为0和1之间的参数Kp′K_{p}^{'}Kp′,Kd′K_{d}^{'}Kd′,以及α\alphaα 。最终PID比例系数,微分系数,微分系数转换公式为该simulink框图为针对传递函数为4.2
模糊PID控制器设计
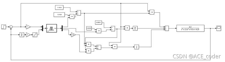
Simulink框图
模糊控制器Simulink框图如图,模糊控制器的输入为误差与误差变化率;输出为归一化之后变为0和1之间的参数 K p ′ K_{p}^{'} Kp′, K d ′ K_{d}^{'} Kd′,以及 α \alpha α 。最终PID比例系数,微分系数,微分系数转换公式为

该simulink框图为针对传递函数为 4.2 s 3 + 2.1 s 2 + 9.3 s + 4.25 \frac{4.2}{s^{3}+2.1s^{2}+9.3s+4.25} s3+2.1s2+9.3s+4.254.2的模糊pid控制框图
模糊控制器设计
1.确定模糊控制器输入输出隶属度函数如下:




2.模糊规则建立如下
3.去模糊化公式选择centroid方式。
参数确定及控制性能评价
首先使得给定系统在纯比例控制下等幅振荡,如图 。得到此时增益为 3.63,振荡周期为2.054s,之后依据教材上经验公式得到Simulink框图中所需参数。

最后适当调整Simulink框图参数,以匹配实际误差、误差变化率的波动范围与模糊控制器中误差、误差变化率的论域范围。得到最终控制效果如图,输入为单位阶跃。
该响应结果稳态误差为0,超调量为0.8%,输出上升时间(从10%至90%)为2.331s,满足设计要求。
相关资源链接
更多推荐



所有评论(0)