软件项目管理 - 作业集合
该作业pdf版下载链接该作业word版下载链接。
软件项目管理 - 作业集合
该作业pdf版下载链接
该作业word版下载链接
https://www.lanzouw.com/isPKg2025wtg
作业一
1、项目与日常运作的主要区别有哪些?
项目:为提供一项独特产品、服务或成果所做的临时性努力
运作:连续不断周而复始的活动
项目是一次性的,日常运作是重复进行的;
项目是以目标为导向的,日常运作是通过效率和有效性体现的;
项目是通过项目经理及其团队工作完成的,日常运作是职能式的现象管理;
项目存在大量的变更管理,日常运作基本保持持续的连贯性。
2、敏捷开发的宣言是什么?
个体和交互胜过过程和工具。
可以工作的软件胜过面面俱到的文档。
客户合作胜过合同谈判。
响应变化胜过遵循计划。
作业二:
1、请描述软件项目招投标的具体流程及甲方、乙方的具体任务。
(1)招标准备
• 甲方任务:明确项目需求、目标和预算。准备招标文件,包括项目范围、技术规格、交付标准、时间表等。发布招标公告。
(2)发布招标
• 甲方任务:正式发布招标公告,通常通过官方渠道或专业平台。可能包括一个预投标会议,向潜在的乙方介绍项目详情并回答问题。
(3)投标准备
• 乙方任务:获取招标文件。审阅招标文件,评估项目需求与自身能力的匹配度。准备投标文件,通常包括公司资质、项目管理计划、技术解决方案、报价等。
(4)提交投标
• 乙方任务:在规定的截止日期前提交完整的投标文件。
(5)评标与选择供应商
• 甲方任务:组织评标委员会审查投标文件。评审标准可能包括技术能力、过往经验、报价、项目管理能力等。
• 乙方任务:可能需要参加答辩会,对投标方案进行解释和辩护。
(6)合同谈判与签订
• 甲方任务:与中标的乙方进行合同谈判,明确项目的具体条款、费用、时间表和质量保证措施。
• 乙方任务:参与谈判,就合同条款达成一致,签署合同。
2、请写出三种常见的软件生存期模型,并说明这些模型适用于什么情况下的项目。
(1)瀑布模型
适用于软件需求很明确的软件项目,即一般适用于功能明确、完成、无重大变化的软件系统的开发,即:1)在项目开始前,项目的需求已经被很好的理解、也很明确,而且项目经理很熟悉为实现这一模型所需要的过程。2)解决方案在项目开始前也很明确。3)短期项目可采用瀑布模型。
(2) V模型
适用于项目需求在项目开始前很明确、解决方案在项目开始前也很明确,项目对系统的安全很严格,如航天飞机控制系统、公司的财务系统等。
(3)快速原型模型
适用于项目的需求在项目开始前不明确,需要减少项目的不确定性的时候。
作业三:
1、我们常常可以从哪些方面着手处理软件项目需求不明确的问题?
(1)让用户参与开发
(2)开发用户界面原型
(3)举行需求讨论会议
(4)强化需求分析和评审等
2、检验软件项目任务分解结果的标准有哪些?
(1)最底层的要素是否是实现目标的充分必要条件
(2)最底层要素是否有重复的
(3)每个要素是否清晰完整定义
(4)最底层要素是否有定义清晰的责任人
(5)是否可以进行成本估算和进度安排等
作业四:
1、一位项目经理正在进行一个图书馆信息查询系统的项目估算,他采用Delphi专家估算方法,邀请了3位专家进行估算,第一位专家给出了2万元、7万元、12万元的估算值,第二位专家给出了4万元、6万元、8万元的估算值,第三位专家给出了2万元、6万元、10万元的估算值,假设估算过程在第一轮后即结束,试计算这个项目的最终成本估算值,要求写出简要的计算过程,结果四舍五入保留2位小数。(备注:所有计算过程用文字表述)
专家一: E1=(a1+4*m1+b1)/6= (2+4*7+12)/6=7 (万元)
专家二: E2=(a2+4*m2+b2)/6= (4+4*6+8)/6=6 (万元)
专家三: E3=(a3+4*m3+b3)/6= (2+4*6+10)/6=6 (万元)
最终成本估算值:E= (E1+E2+E3)/3= (7+6+6)/3=6.33 (万元)
2、一个33.3KLO的软件项目,属于半有机型的项目,请采用基本COCOMO,估算此项目的规模,要求写出简要的计算过程,结果四舍五入取整数。(备注:所有计算过程用文字表述)
由基本COCOMO模型、半有机型项目可查表得系数:a=3.0,b=1.12。
因此,项目规模E = 3.0*L^1.12 = 3.0*33.3^1.12 = 152 PM
作业五:
1、对一个任务进行进度估算时,A是乐观者,估计用6天完成,B是悲观者,估计用24天完成,C是有经验者,认为最有可能用12天完成,那么采用PERT加权算法估算时,这个任务的历时估算介于10天到16天的概率是多少?要求写出相应的计算过程。
E=(6+4*12+24)/6=13,
δ=(24-6)/6=3,
E-δ=10,
E+δ=16,
因为10一16天刚好为均值左右一个标准差的区间,
所以任务历时估算介于10一16 天的概率为: 68.3%。
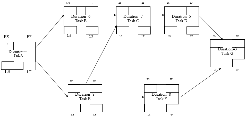
2、作为项目经理,你需要给一个软件项目做计划安排,经过任务分解后得到任务A,B,C,D,E,F,G,假设各个任务之间没有滞后和超前,下图是这个项目的PDM网络图。通过历时估计已经估算出每个任务的工期,现已标识在PDM网络图上。假设项目的最早开工日期是第0天,请计算每个任务的最早开始时间,最晚开始时间,最早完成时间,最晚完成时间,同时确定关键路径,并计算关键路径的长度,计算任务F的自由浮动和总浮动。
1.确定所有任务的ES、EF、LS、LF?
2.确定关键路径以及关键路径的长度?
3.确定任务F的自由浮动和总浮动?
要求写出相应的计算过程。
(1)
(2)关键路径:A-E-C-D-G
关键路径的长度:4 (TaskA) + 8 (TaskE) + 7 (TaskC) + 5 (TaskD) + 3 (TaskG) = 27天
(3)F的自由浮动:FF=ES(s)-EF-lag=24-20-0=4天
F的总浮动:TF=LS-ES=16-12=4天
3、现有一工程项目如下图所示,图中给出了各个任务可以压缩的最大限度和压缩成本,请问如果将工期压缩到17周、16周、15周时,每次应该压缩的活动是哪个?每次压缩后相应的项目总成本分别是多少?要求写出相应的计算过程。
(1)根据上图可计算出A、B、C、D的任务单位进度压缩的成本,如下表:
表1 每个任务的单位进度压缩成本
A:(6.2-5)/(7-5)=0.6
B:(11-8)/(9-6)=1
C:(4.5-4)/(10-9)=0.5
D:(4.2-3)/(8-6)=0.6
(2)根据题目已知条件和表1条件,可以看出首先压缩哪个任务,然后选择压缩后增加成本最小的任务,压缩这些任务,如表2所示:
表2 压缩后的项目总成本
(3)如果希望总工期压缩到17周,需要压缩关键路径“开始一→C→D-结束”,可以压缩的任务有C或者D,但是根据表7-6知道压缩任务C的成本最小(压缩任务C一周增加0.5万元成本,压缩任务D一周增加0.6万元成本),故选择压缩任务C一周。所以,项目压缩到17周后的总成本是20.5万元。
(4)如果希望总工期压缩到16周,需要压缩关键路径“开始一→C→D→结束”,可以压缩的任务还是C或者D,但是这时任务C在可压缩范围内是不能再压缩的,否则压缩成本会非常高,应该选择压缩任务D一周。所以,项目压缩到16周后的总成本是21.1万元。这时,项目网络图的两条路径的长度都是16周,即有两条关键路径。
(5)如果希望总工期压缩到15周,应该压缩两条关键路径,即“开始→A→B→结束”和“开始→C-→D-→结束”两条路径都需要压缩,在A、B任务中应该选择压缩任务A一周(压缩任务A一周增加0.6万元成本,压缩任务B一周增加1万元成本),在C、D中选择压缩D-周(这样的压缩成本是最低的)。所以,项目压缩到15周后的总成本是22.3万元。
参考答案二:
(计算过程省略)
作业六:
1、简述编制质量计划的常用方法有哪些?
(1)试验设计:试验设计是一种统计学方法,确定哪些因素可能会对特定变量产生影响。
(2)基准对照:是一种寻找最佳实践的方法,是利用其他项目的实施情况作为当前项目性能衡量的标准。
(3)质量成本分析:质量计划必须进行质量成本的综合分析,以便决定质量活动。
(4)流程图方法:可以显示系统的各种成分是相互的关系,帮助我们预测在何处可能发生何种质量问题。
(5)因果分析图:也称鱼刺图,描述相关的各种原因和子原因如何产生潜在问题或影响,将影响质量问题的“人员、设备、参考资料、方法、环境”等各方面的原因进行细致的分解,方便地在质量计划中制定相应的预防措施。
2、论述质量保证与质量控制的关系。
(1)质量保证(QA)是通过评价项目整体绩效,建立对质量要求的信任,提供项目和产品可视化的管理报告。这个任务本身并不能提高产品的质量,但是通过质量保证的一系列工作可以间接地提高产品的质量。质量保证一般由质量保证部门人员实施。
(2)质量控制(QC)是确定项目结果与质量标准是否相符,同时确定消除不符的原因和方法,它控制产品的质量,及时纠正缺陷。这个任务本身提高产品的质量,一般由开发人员实施。
(3)质量保证是后期质量活动,质量控制是前期质量活动。它们是有区别的:质质量保证是针对项目实施过程的管理手段,质量控制是针对项目产品的技术手段。实施质量保证是针对过程改进和审计的,强调的是过程改进和信心保证。实施质量控制是按照质量要求,检查具体可交付成果的质量,强调的是具体的可交付成果。
作业七:
1、简述配置管理在软件开发中的作用,并列举至少两种常见的配置管理工具。
答:软件配置管理是软件项目管理的重要内容,也是保证软件质量的重要手段。它能够对软件开发过程进行有效管理和控制,从而实现软件产品的完整性、一致性、可控性,使产品极大程度地与用户需求相吻合。它能够控制、记录、追踪对软件的修改并形成规文档,方便日后维护和升级,更重要的是能够保护代码资源,积累软件财富,提高软件重用率。
常见的配置管理工具有:ClearCase、 CVS\SVN、 VSS、Git等。
2、试论述矩阵型项目组织结构的优缺点是什么?
答:优点:
(1)专职的项目经理负责整个项目,以项目为中心,能迅速解决问题。在最短的时间调配人才,组成一个团队,把不同职能的人才集中在一起。
(2)多个项目可以共享各个职能部门的资源。在矩阵管理中,人力资源得到了更有效的利用,减少了人员冗余。
(3)既有利于项目目标的实现,也有利于公司目标方针的贯彻。
(4)项目成员的顾虑减少了,因为项目完成后,他们任然可以回到原来的职能部门,不用担心被解散,而且他们能有更多机会接触自己企业的不同部门。
缺点:
(1)容易引起职能经理和项目经理权利的冲突。
(2)资源共享可能引起项目之间的冲突。
(3)项目成员有多位领导,即员工必须要接受双重领导,因此经常有焦虑与压力。
3、一个项目在进行规划的时候,碰到了一个风险问题,项目经理需要决定是否采用方案A。如果采用方案A需要使用一个新的开发工具,而能够掌握这个工具的概率是30%,通过使用这个工具可以获利5万元;但如果采用方案A却不能掌握这个工具,将损失1万元。请分析并通过计算说明这个项目经理是否应该采用这个方案A? 要求写出相应的分析计算过程。
参考答案二:
如果不采用方案A:则EMV1=0万元;
如果采用方案A:则EMV2=530%+(-1) 70%=0.8万元;
因为EMV2 > EMV1,因此应该采用方案A。
4、某项目采用成本加激励费用(CPIF)的成本补偿类合同,当预计成本为100万元,利润10万元,且奖励分配为80/20时,如果实际成本降至80万元,则项目最终的总价为多少万元?要求写出相应的计算过程。
答案:
答:预计成本:100万元
实际成本:80万元
节省的成本:100-80=20万元利润:10万元
根据奖励分配比例:80/20,可以计算出乙方获得的奖励=20*0.2=4万元
最后,计算项目的最终总价:80+10+4=94万元。
参考答案二:
80+10+(100-80)*20%=94万元
作业八:
1、请简述项目执行控制的基本步骤是什么?
(1)建立计划标准;
(2)观察项目性能;
(3)测量和分析结果;
(4)采取必要措施;
(5)做好计划修改工作,控制反馈。
2、假设你被指定负责一个软件项目,其中有4部分,项目总预算为53000,A任务为26000,B任务为12000,C任务为10000,D任务为5000。截止到5月31日,A任务已经全部完成,B任务过半,C任务刚开始,D任务还没有开始,截止到5月31日的BCWS 和ACWP如下表所示。请采用50/50规则计算截止到5月31日的CV,SV,CPI,SPI,EAC?要求写出相应的计算过程。
非标准答案,仅供参考:
答:计算CV,SV,CPI,SPI的关键就是计算BCWP。由于采用50/50规则,不管完成多少,只要是任务开始,但是没有完成,我们认为是实现了50%的预算价值。则计算BCWS、ACWP、BCWP的表如下:
任务 BCWS(计划成本) ACWP(实际成本) BCWP(已获取价值) A 26000 25500 26000 B 9000 5400 6000 C 4800 4100 5000 D 0 0 0 总计 39800 35000 37000 截止到5月31日为止,CV,SV,CPI,SPI,EAC的计算结果如下:
BCWS=39800元,ACWP=35000元,BCWP=37000元,BAC=53000元。则CV=BCWP-ACWP=37000-35000=2000元
SV=BCWP-BCWS=37000-39800=-2800元
CPI=BCWP/ACWP100%=37000/35000100%=106%
SPI=BCWP/BCWS100%=37000/39800100%=93%
EAC=BAC/CPI=50000元
参考答案二:
首先计算BCWP如下:
CV=BCWP-ACWP=2000,
SV=BCWP-BCWS=-2800,
CPI =BCWP/ACWP=1.06,
SPI=BCWP/BCWS=0.93,
EAC=BAC/CPI=53000/1.06=50000
3、请分析论述一个典型的软件项目团队中一般有哪些人员角色及其职责是什么?
(1)项目经理 (Project Manager)。职责:负责整体项目计划、进度管理、资源分配、风险评估和问题解决。项目经理是团队和客户之间的主要联络人,确保项目目标和交付物符合预期。
(2)业务分析师 (Business Analyst)。职责:负责收集和分析项目需求,从业务角度理解项目目标。业务分析师帮助桥接业务需求与技术解决方案之间的差距,撰写详细的需求文档,并确保开发团队理解客户的需求。
(3)系统架构师 (System Architect)。职责:设计系统的整体结构,包括技术选择、数据结构、软件架构和安全性。系统架构师确保设计能够满足性能需求并具有良好的可扩展性和可维护性。
(4)UI/UX 设计师 (UI/UX Designer)。职责:负责设计软件的用户界面和体验,使之既美观又易于使用。设计师需进行用户研究和测试,以确保最终产品符合用户的期望和使用习惯。
(5)开发人员:
前端开发者 (Front-end Developer)。职责:负责用户界面的开发,实现设计和用户体验规范,确保应用程序在各种设备和浏览器上的兼容性和性能。
后端开发者 (Back-end Developer)。职责:负责服务器端逻辑、数据库交互和应用程序的核心功能实现,确保数据处理的安全性和效率。
(6)数据库管理员 (Database Administrator, DBA)。职责:设计和维护数据库结构,确保数据的完整性、安全性和高效访问。DBA 还负责数据备份和恢复计划。
(7)测试工程师 (Quality Assurance Engineer)。职责:设计和执行测试计划,包括自动化测试和手动测试,以确保软件满足所有技术和业务需求。测试工程师负责识别软件中的缺陷和问题,并确保它们在最终产品发布前得到修复。
(8)技术支持或运维工程师 (DevOps Engineer)。职责:负责软件的部署、监控和维护。运维工程师通过自动化工具提高部署效率,并确保系统稳定运行。
(9)质量管理人员 (Quality Manager)。职责:负责制定和执行项目的质量保证策略和流程。通过监控和评估项目活动和结果,确保项目遵守质量标准。质量管理人员组织定期的质量审查会议,处理质量问题和缺陷,并推动持续改进措施,以提升产品质量和团队性能。
作业九:
1、请简述作为项目经理,在项目结束阶段需要开展的主要活动有哪些?
答:
项目结束阶段是软件项目管理流程中至关重要的一部分,涉及多项活动,旨在确保项目有序完成并为将来的项目提供有价值的反馈。作为项目经理,在项目结束阶段需要开展的主要活动包括:
(1)项目交付物的最终验收:确保所有项目成果都已完成并符合客户或利益相关者的预期和合同规格。进行最终验收测试,并获得客户的正式验收。
(2)项目文档的整理和归档:收集、整理和存档所有项目文档,包括设计文档、开发文档、测试记录和会议记录。确保所有关键信息都被保存,便于未来的回顾和参考。
(3)项目评审和经验教训的记录:组织项目评审会议,汇总项目过程中的成功经验和遇到的问题。记录这些经验教训,并将其归档,为未来的项目提供改进的依据。
(4)资源释放和团队解散:对项目资源进行清算和重新分配,包括物理资源和人力资源。安排团队成员的项目后工作,可能包括为他们寻找新的项目或角色。
(5)客户关系和合同关闭:确保所有合同义务均已履行,与客户进行最后结算,并确保所有财务和合同事宜都得到妥善处理。维护良好的客户关系,确保未来合作的可能。
(6)开展相关庆祝活动:组织庆祝活动或会议以表彰团队的努力和成就,提高团队士气,表扬杰出贡献,并正式标志项目的结束。
2、通过学习软件项目管理课程,请以你自己的理解和认识,谈一谈作为项目经理如何才能更好地做好软件项目的管理工作。
答:
作为项目经理,有效地管理软件项目是一个涉及多方面技能和知识的复杂任务,这要求项目经理首先不仅具备技术知识,还要具备人际沟通、决策制定和领导能力。基于我对软件项目管理课程的理解,以下是一些关键策略,可以帮助项目经理更好地完成项目管理工作:
(1)明确项目目标和范围:成功的项目管理始于对项目目标和范围的清晰定义。项目经理需要与所有关键利益相关者协商,确保项目目标明确、可实现,并且所有人对这些目标有共同的理解。
(2)细致的项目规划:精心规划是项目成功的基石。项目经理应制定详尽的项目计划,包括时间线、资源分配、预算和里程碑。使用项目管理工具如Gantt图或敏捷看板可以帮助追踪进度和调整计划。
(3)有效的沟通策略:项目经理必须维护良好的沟通渠道,确保项目团队、客户和其他利益相关者之间信息的透明流通。定期的会议、更新报告和开放的反馈机制是保持项目透明和预防误解的关键。
(4)健全的风险管理:全面识别潜在风险并制定缓解策略是项目管理的重要部分。项目经理应该定期评估项目风险,并准备应对策略,以减少风险对项目目标的影响。
(5)灵活性和适应性:软件开发常常需要应对变化,包括技术变动、市场需求变化或资源限制。项目经理应具备灵活性,能够迅速适应这些变化,并调整项目计划以应对新的挑战。
(6)团队领导与动力激励:项目经理不仅是计划者和协调者,也是团队的领导者。有效的领导包括激励团队成员,确保他们保持高效和动力。认识到每位团队成员的独特技能和贡献,以及提供必要的培训和发展机会。
(7)质量保证:质量不应该是在项目结束时才考虑的事项。项目经理应确保项目的每个阶段都有质量控制措施,包括代码审查、持续集成和系统测试。
(8)持续的客户参与:在项目的整个周期中,持续地让客户参与进来,确保软件产品符合他们的期望和需求。这包括定期的演示、评审会议和试用反馈。
通过以上这些策略,项目经理可以更有效地管理软件项目,从而增强团队协作、优化资源使用、满足客户需求并提高项目成功率。
更多推荐


所有评论(0)