LABVIEW基础入门篇学习笔记
布尔类型:真、假两种数据类型整型等数据类型必须有默认分支右键条件结构--将本分支设置为默认分支整型设置选择数值输入控件--右键”表示法”--选择所需的数据类型。
0.LabVIEW是什么?
LabVIEW是一种图形化程序编程环境,图形化编程集成度高、容易掌握
观看视频教程
1.使用步骤
文件-新建VI,弹出 前面板与程序框图 两个界面(CTRL+E互相切换),前面板:面向用户;程序框图:编写程序。
在前面板界面右键,弹出“控件”窗口,选择需要的控件;同理,也可以在程序框图界面右键,弹出“控编程”窗口,选择需要的控件。这两个界面在任一界面做出改动,均会在另一界面体现。

编写完的加法小程序,如上述界面,单击“➡”运行程序。
2.LabVIEW的编程特点
图形化编程
天然并行性运行(若需要顺序执行,程序框图界面右键弹出编程窗口,选择“平铺式顺序结构”)


基于数据流运行(点亮小灯泡,高亮显示执行过程,可以看到程序的运行方向,即数据的流向)
3.程序结构设计示例
3.1 for循环+顺序结构


3.2 while循环+顺序结构


3.3 for循环提前中断


3.4 while循环提前中断


3.5 布尔类型条件结构

3.6 整型类型条件结构



3.7 字符串条件结构


3.8 事件结构



3.9 程序框图禁用结构
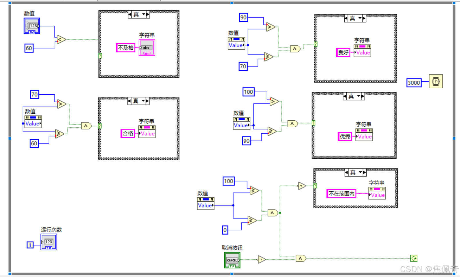
3.10 成绩打分器练习

1、2、3功能放在一起,前面板功能很简单,第一版虽功能一致,但相对于教学版有些冗余,这里给出两种程序框图的示例。



功能4为事件结构的返回信息的前面板显示。



4.数据类型
4.1 数值
1.数值常量和数值输入控件、数值显示控件可相互转换
2.下拉列表可以输出自定义的数值(“编辑项”时取消勾选“有序值”即可),枚举只能输出固定的数值(0 1 2……)


4.2 布尔
注意显示与输入的控件在程序运行时的区别,显示控件不可点击,输入控件可以点击改变其值
4.3 字符串
1.字符串常量和字符串输入控件、字符串显示控件可相互转换
2.功能:常用函数的使用

4.4 “格式化写入字符串”练习题--盒子尺寸显示


4.5 “搜索替换字符串”练习题--你好我好大家好


4.6 数组

1.数组将相同类型的数据集中在一个数据结构中
2.数组的创建:前面板--数组--拖动所需的数组类型(例如,字符串显示控件、数值输入控件等)进入数组容器
3.数组索引从0开始
4.7 簇

1.簇将多种类型的数据集中在一个数据结构中
2.数组的创建:前面板--簇--拖动所需的数组类型(例如,字符串显示控件、数值输入控件等)进入数组容器
注:簇的输入/显示类型由第一个放入簇的数据类型决定
3.错误簇:status状态、 code代码、 source源三个状态,按名称接触捆绑后可加条件结构;也可直接将错误簇连接至条件结构
4.8 数组练习题目


5.变量调用
5.1
5.2
6.细节操作
6.1 对一个元件两次赋值:右键--创建--属性节点--值/……

6.2 for循环提前中断的条件:右键--条件接线端

6.3 对于不同函数的使用介绍,打开帮助--显示即时帮助

6.4 不同数据类型的比较
布尔类型:真、假两种数据类型
整型等数据类型:必须有默认分支,右键条件结构--将本分支设置为默认分支
整型设置:选择数值输入控件--右键”表示法”--选择所需的数据类型


条件结构输入数据只能是布尔类型、整型、字符串、枚举类型、错误簇这五种数据类型
6.5 事件结构编程的3条黄金原则
不要将事件结构放置在while循环之外,而应该放置在while循环的内部
不要在事件结构的内部使用循环处理事件,可选择采用生产者消费者结构,在生产者循环中放置事件结构,在消费者循环中处理事件
记得为事件结构添加一个单独处理停止按钮的分支
6.6
更多推荐





所有评论(0)