LCD1602
LCD1602,51单片机
1、简介
LCD1602(Liquid Crystal Display)是一种工业字符型液晶,能够同时显示 16×02 即 32 字符(16 列两行)

2、引脚

第 1 脚: VSS 为电源地
第 2 脚: VDD 接 5V 正电源
第 3 脚: VL 为液晶显示器对比度调整端,接正电源时对比度最弱,接地时对比度最高,对比度 过高时会产生“鬼影”,使用时可以通过一个 10K 的电位器调整对比度。
第 4 脚:RS 为寄存器选择,高电平时选择数据寄存器、低电平时选择指令寄存器。
第 5 脚:R/W 为读写信号线,高电平时进行读操作,低电平时进行写操作。当 RS 和 R/W 共 同为低电平时可以写入指令或者显示地址,当 RS 为低电平 R/W 为高电平时可以读忙信号, 当 RS 为高电平 R/W 为低电平时可以写入数据。
第 6 脚:E 端为使能端,当 E 端由高电平跳变成低电平时,液晶模块执行命令。
第 7~14 脚:D0~D7 为 8 位双向数据线。
第 15 脚:背光源正极。
第 16 脚:背光源负极。
3、指令说明

指令 1:清显示,指令码 01H,光标复位到地址 00H 位置。
指令 2:光标复位,光标返回到地址 00H。
指令 3:光标和显示模式设置。I/D:光标移动方向,高电平右移,低电平左移。实际上就是控制 从左到右写入还是从右至左的写入顺序。S:屏幕上所有文字是否左移或者右 移。高电平 表示有效,低电平则无效。S=1 当写一个字符,整屏显示左移(ID=1)或 者右移(I/D=0),以 得到光标不移动而屏幕移动的效果。S=0 当写一个字符,整屏显示不移动。
指令 4:显示开关控制。D:控制整体显示的开与关,高电平表示开显示,低电平表示关显示. C:控制光标的开与关,高电平表示有光标,低电平表示无光标. B:控制光标是否闪 烁,高电平闪烁,低电平不闪烁。
指令 5:光标或显示移位 S/C:高电平时移动显示的文字,低电平时移动光标。R/L:文字或 者光 标移动方向,R 表示右移,L 表示左移。
指令 6:功能设置命令 DL:高电平时为 8 位总线,低电平时为 4 位总线。N:低电平时为单行显 示,高电平时双行显示。F:低电平时显示 5×8 的点阵字符,高电平时显示 5×10 的点阵 字符。
指令 7:字符发生器 RAM 地址设置。
指令 8:DDRAM 地址设置。
指令 9:读忙信号和光标地址。BF:为忙标志位,高电平表示忙,此时模块不能接收命令或 者数 据,如果为低电平表示不忙。
指令 10:写数据。
指令 11:读数据。
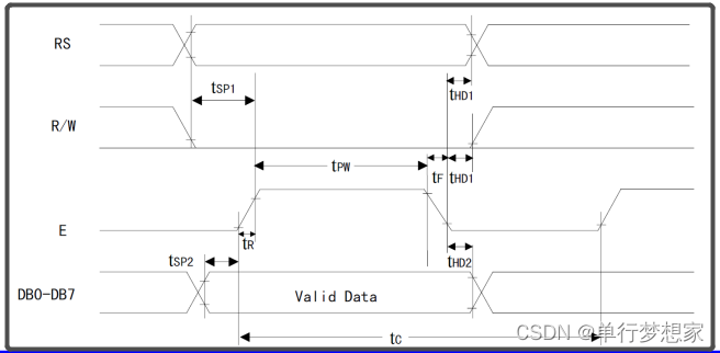
4、时序表
读操作时序

写操作时序

时序参数

液晶显示模块是一个慢显示器件,所以在执行每条指令之前一定要确认模块的忙标志为低电平,表示不忙,否则此指令失效。要显示字符时要先输入显示字符地址,也就是告诉模块在哪里显示字符。
5、LCD1602内部显示地址

例如第二行第一个字符的地址是40H,不能直接写入40H就可以将光标定位在第二行第一个字符的位置呢。因为写入显示地址时要求最高位 D7 恒定为高电平1 所以实 际写入的数据应该是 01000000B(40H) +10000000B(80H)=11000000B(C0H)。
6、字符存储
LCD1602模块字库表

7、注意事项
(1) 在对液晶模块的初始化中要先设置其显示模式
(2) 在液晶模块显示字符时光标是自动右移的,无需人工干预
(3) 每次输入指令前都要判断液晶模块是否处于忙的状态
8、LCD1602一般初始化过程
①(8bit)
(1)延时 15ms
(2)写指令 38H(不检测忙信号)
(3)延时 5ms
(4)以后每次写指令,读/写数据操作均需要检测忙信号
(5)写指令 38H:显示模式设置
(6)写指令 08H:显示关闭
(7)写指令 01H:显示清屏
(8)写指令 06H:显示光标移动设置
(9)写指令 0CH:显示开及光标设置
②(4bit)
(01)延时 50ms
(02)发送 0x03(4bit)(rs=0,rw=0)
(03)延时 4.5ms
(04)发送 0x03(4bit)(rs=0,rw=0)
(05)延时 4.5ms
(06)发送 0x03(4bit)(rs=0,rw=0)
(07)延时 150μs
(08)发送 0x02(4bit)(rs=0,rw=0)
(09)写指令 28H(8bit)
(10)写指令 0CH(8bit)
(11)写指令 01H(8bit)
(12)延时 2ms(8bit)
(13)写指令 06H(8bit)
更多推荐

所有评论(0)