数电3_1——半导体二极管门电路
数电3_1——半导体二极管门电路1. 概述1.1 门电路1.2 正负逻辑系统1.3 高低电平的实现1.3.1 开关电路实现高低电平1.3.2 互补开关电路1.4 数字电路概述2. 半导体二极管门电路2.1 半导体二极管开关特性2.1.1 稳态特性2.1.2 动态特性图解开关时间2.2 二极管门电路举例2.2.1 二极管与门2.2.2 二极管或门二极管构成门电路的缺点:1. 概述1.1 门电路...
数电3_1——半导体二极管门电路
1. 概述
1.1 门电路
实现基本逻辑运算和复合运算的单元电路称为门电路,常用门电路有非门、与非门、或非门、异或门、与或非门等
1.2 正负逻辑系统
- 在二值逻辑中,如果用高电平表示逻辑“1” ,低电平表示逻辑“0” ,在这种规定下的逻辑关系称为正逻辑;如果用高电平表示逻辑“0” ,低电平表示逻辑“1” ,在这种规定下的逻辑关系称为负逻辑。如图所示

- 正负逻辑式互为对偶式,即若给出一个正逻辑的逻辑式,则对偶式即为负逻辑的逻辑式,如正逻辑为或门,即 Y = A + B Y=A+B Y=A+B,对偶式为 Y D = A B Y^{D} =AB YD=AB。正负逻辑的使用依个人的习惯,但同一系统中采用一种逻辑关系,本课程采用正逻辑

例子:正逻辑对应的是或门时,负逻辑对应的是与门
| 正负逻辑 | A的电平 | B的电平 | 输出电平 |
|---|---|---|---|
| 高 | 高 | 高 | |
| 正逻辑 | 1 | 1 | 1 |
| 负逻辑 | 0 | 0 | 0 |
| 低 | 高 | 高 | |
| 正逻辑 | 0 | 1 | 1 |
| 负逻辑 | 1 | 0 | 0 |
| 高 | 低 | 高 | |
| 正逻辑 | 1 | 0 | 1 |
| 负逻辑 | 0 | 1 | 0 |
| 低 | 低 | 低 | |
| 正逻辑 | 0 | 0 | 0 |
| 负逻辑 | 1 | 1 | 1 |
1.3 高低电平的实现
1.3.1 开关电路实现高低电平
在数字电路中,输入输出都是二值逻辑,其高低电平用“0”和“1”表示。其高低电平的获得是通过开关电路来实现,如二极管或三极管电路组成。如图所示
原理:当开关S断开时,输出电压 v o = V c c v _{o}=V cc vo=Vcc ,为高电平“1”;当开关闭合时,输出电压 v o = 0 v_{o} =0 vo=0,为低电平“0”;若开关由三极管构成,则控制三级管工作在截止和饱和状态,就相当开关S的断开和闭合
1.3.2 互补开关电路
单开关电路,在导通的时候,因为会有电流通过,所以功耗较大,所以采用下图的互补开关电路,用另外一个管子(开关)代替电阻,节省功耗
原理: 开关 S 1 S_{1} S1和 S 2 S_{2} S2 受同一输入信号v I 的控制,而且导通和断开的状态相反。当 S 1 S_{1} S1闭合时, S 2 S_{2} S2断开,输出为高电平“1”;相反当 S 1 S_{1} S1 断开时, S 2 S_{2} S2闭合,输出为高电平“0”。
优点:互补开关电路由于两个开关总有一个是断开的,流过的电流为零,故电路的功耗非常低,因此在数字电路中得到广泛的应用
1.4 数字电路概述
- 优点:在数字电路中由于采用高低电平,并且高低电平都有一个允许的范围,故对元器件的精度和电源的稳定性的要求都比模拟电路要低,抗干扰能力也强
- 分类:可分为分立元件逻辑门电路和集成逻辑门电路
·分立元件逻辑门电路是由半导体器件、电阻和电容连接而成。
·集成逻辑门电路是将大量的分立元件通过特殊工艺集成在很小的半导体芯片上
2. 半导体二极管门电路
将开关换成二极管,得到以下电路:
对于图所示二极管开关电路,由于二极管具有单向导电性,故它可相当受外加电压 v I v_{I} vI控制的开关
2.1 半导体二极管开关特性
2.1.1 稳态特性
• 将电路处于相对稳定状态(没有剧烈变化)下,晶体二极管所呈现的开关特性称为稳态开关特性
设 v i v_{i} vi的高电平为 V I H = V C C V_{IH} =V_{CC} VIH=VCC , v i v_{i} vi的低电平为 V I L = 0 V_{IL} =0 VIL=0,且D为理想元件,即正向导通电阻为0,反向电阻无穷大,稳态时:
• 当 v I = V I H = V C C v_{I}=V_{IH} =V_{CC} vI=VIH=VCC时,D截止,输出电压 v o = V O H = V C C v_{o} =V _{OH} = V_{CC} vo=VOH=VCC
• 当 v = V I L = 0 v_{} =V_{IL} =0 v=VIL=0时,D导通,输出电压 v o = V O L = 0 v_o = V_{OL} =0 vo=VOL=0;
即可以用输入电压v i 的高低电平控制二极管的开关状态,并在输出端得到相应的高低电平
2.1.2 动态特性
图解
当电路处于动态状态,即二极管两端电压突然反向时,半导体二极管所呈现的开关特性称为动态开关特性(简称动态特性),二极管的动态特性如图所示
• 由于在输入电压转换状态的瞬间,二极管由反向截止到正向导通时,内电场的建立需要一定的时间,所以二极管电流的上升是缓慢的
• 当二极管由正向导通到反向截止时,二极管的电流迅速衰减并趋向饱和电流也需要一定的时间.
因为时间很短,在示波器一般无法看到。在输入信号的频率较低时,导通和截止的转换时间可以认为是瞬间完成,但是频率太高时,就不能忽略( 因为我的电流还没变化完成,你电压又有变化)
开关时间
将二极管由截止转向导通所需的时间称为 正向恢复时间(开通时间) t o n t_{on} ton ;
二极管由导通转向截止所需的时间称为 反向恢复时间(关断时间) t r e t_{re} tre,
两者统称为二极管的开关时间,一般 t o n t_{on} ton << t r e t_{re} tre (覆水难收)
2.2 二极管门电路举例
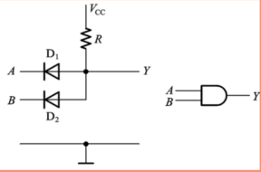
2.2.1 二极管与门
- 电路与工作原理——并联作开关


A,B两个二极管,只要有一个是低电平(0V),那么电路就会导通,Y输出低电平(0.7V);只有两个二极管同时为高电平3V,电路截止,Y输出高电平 - 输入输出真值表

2.2.2 二极管或门
-
电路与工作原理——并联充当电源


A,B两个二极管,只要有一个是高电平(3V),那么电路就会导通,Y输出高电平(2.3V);只有两个二极管同时为低电平0V,电路截止,Y输出低电平0V -
输入输出真值表

二极管构成门电路的缺点:
• 电平有偏移:输出的高低电平数值与输入的高低电平数值相差一个二极管的压降,后级的二极管门电路电平偏移,甚至使得高电平下降到门限值以下
• 带负载能力差:由于这种二极管门电路的输出电阻比较低,故带负载能力差,输出电平会随负载的变化而变化
更多推荐



所有评论(0)