plc模拟量与通信控制应用实践_第三版电气控制与PLC应用模块三教材答案
很高兴这期为你分享干货,让你在困难中找到解决的线索。模块三答案任务一思考与练习1.PLC 主要应用在哪些场合?答:(1)开关量逻辑控制;(2)模拟量过程控制;(3)运动控制;(4)现场数据采集处理;(5)通讯联网、多级控制2. PLC 的基本结构如何?试阐述其基本工作原理。答:(1)PLC主要有CPU(中央处理器)、存储器、输入/输出(I/O)接口电路、电源、外设接口、I/O(输入/输出)扩...
很高兴这期为你分享干货,让你在困难中找到解决的线索。
模块三答案
任务一 思考与练习
1.PLC 主要应用在哪些场合?
答:(1)开关量逻辑控制;
(2)模拟量过程控制;
(3)运动控制;
(4)现场数据采集处理;
(5)通讯联网、多级控制
2. PLC 的基本结构如何?试阐述其基本工作原理。
答:(1)PLC主要有CPU(中央处理器)、存储器、输入/输出(I/O)接口电路、电源、外设接口、I/O(输入/输出)扩展接口组成;(2)PLC采用循环扫描工作方式,其工作过程大致分为3个阶段:输入采样、程序执行和输出刷新;每个扫描周期大概需要1~100ms。
3. PLC 硬件由哪几部分组成?各有什么作用?
答:(1)PLC硬件由基本单元、扩展单元、扩展模块及特殊功能单元构成。
(2)基本单元用于接收、存储和处理数据;扩展单元和扩展模块都用于增加PLC的I/O点数,区别在于前者内部设有电源而后者内部没有电源;特殊功能单元是一些专门用途的装置,如模拟量I/O单元、高速计数单元、位置控制单元、通信单元等。
4. PLC输出接口按输出开关器件的种类不同,有几种形式 ?分别可以驱动什么样的负载?
答:(1)PLC有3种输出方式:继电器输出、晶体管输出、晶闸管输出。
(2)继电器输出为有触点输出方式,可用于直流或低频交流负载;晶体管输出型和晶闸管输出型都是无触点输出方式,前者适用于高速、小功率直流负载,后者适用于高速、大功率交流负载。
5. PLC 控制系统与传统的继电接触控制系统有何区别?
答:(1)组成的器件不同
继电接触控制系统是由许多硬件继电器、接触器组成的,而PLC则是由许多“软继电器”组成。
(2)触点的数量不同
继电器、接触器的触点数较少,一般只有4~8对,而“软继电器”可供编程的触点数有无限对。
(3)控制方法不同
继电接触控制系统是通过元件之间的硬接线来实现的,控制功能就固定在线路中。PLC控制功能是通过软件编程来实现的,只要改变程序,功能即可改变,控制灵活。
(4)工作方式不同
在继电接触控制线路中,当电源接通时,线路中各继电器都处于受制约状态。在PLC中,各“软继电器”都处于周期性循环扫描接通中,每个“软继电器”受制约接通的时间是短暂的。
6.请说出FX1N—60MR的型号含义?
答:M表示基本单元,R表示继电器输出型PLC,其输入输出总点数为60点。
任务二 思考与练习
1.填空题
(1)PLC的输入/输出继电器采用八进制进行编号。
(2)外部的输入电路接通时,对应的输入映像寄存器为1 状态,梯形图中对应的输入继电器的常开触点 闭合,常闭触点断开。
(3)若梯形图中输出继电器的线圈“通电”,对应的输出映像寄存器为1状态,在输出处理阶段后,继电器型输出模块中对应的硬件继电器的线圈得电,其常开触点闭合,外部负载运行。
(4)OUT指令不能用于输入继电器。
(5)将编程器内编写好的程序写入PLC时,PLC必须处在STOP模式。
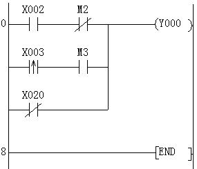
2.将图3-29的梯形图转换成指令表。
答: 0 LD X000
1 ANI X001
2 SET Y000
3 LDI X000
4 AND X001
5 RST Y000
6 END
3.在PLC控制电路中,停止按钮和热继电器在外部使用常闭触点或使用常开触点时,PLC程序相同吗?实际使用时采用那哪一种?为什么?
答:不相同;在实际中,停止按钮和热继电器在外部使用常闭触点,目的是为了提高安全保障。
4.在PLC控制电路中,为了节约PLC的I/O点数,常将热继电器的常闭触点接在接触器的线圈电路中,试画出该电路。
答:
5.设计电动机的两地控制程序并调试。要求:按下A地或B地的起动按钮,电动机均可起动,按下A地或B地的停止按钮,电动机均可停止。
答:
6.某一点餐系统的控制要求如下。
(1)当按下桌上的按钮1(X0)后墙上指示灯1(Y0)点亮。如果按钮(X0)被松开,
灯1(Y0)还是点亮。
(2)当按钮2(X1)被按下,墙上的灯2(Y1)点亮。如果按钮2(X1)被按下,灯2
(Y1)保持点亮。
(3)当操作面板上的PB1(X20)被按下,墙上的灯1(Y0)和灯2(Y1)熄灭。
试画出I/O 接线图并编写程序。
答:
任务三 思考与练习
1.请将图3-39的梯形图转换成指令表。
(a) (b)
图3-39 梯形图
答:
(a) (b)
2. 说明下列指令意义:
LD 取指令 OUT 输出指令
ANI 与非指令 OR 或指令
ANB 与块指令 SET 置位指令
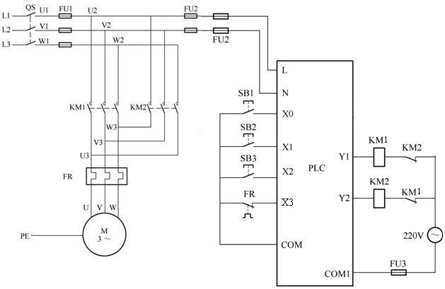
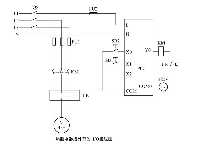
3.试编写电动机正反转控制的程序,并画出PLC的I/O接线图。
答:
4.将三个指示灯接在输出端上,要求SB0 、SB1、SB2 三个按钮任意一个按下时,灯H L0 亮;任意两个按钮按下时,灯H L1 亮;三个按钮同时按下时,灯H L2 亮,没有按钮按下时,所有灯不亮。试用PLC来实现上述控制要求。
答:
任务四 思考与练习
1. FX系列PLC共有几种类型辅助继电器?各有何特点?
答:FX系列PLC主要有三种类型的辅助继电器:
(1)通用辅助继电器
通用辅助继电器的线圈由用户程序驱动,若PLC在运行过程中突然断电,通用辅助继电器将全部变为OFF。若电源再次接通,除了因外部输入信号而变为ON的以外,其余的仍将保持为OFF。
(2)锁存辅助继电器
锁存辅助继电器用于保存停电前的状态。
(3)特殊辅助继电器
辅助继电器中M8000~M8255共256点为特殊辅助继电器,它们用来表示PLC的某些状态,提供时钟脉冲和标志(如进位、借位标志)、设定PLC的运行方式,或用于步进顺控、禁止中断、设定计数器是加计数器或是减计数器等。
2. FX系列PLC共有几种类型定时器?各有何特点?
答:FX系列PLC的定时器可分为通用定时器和积算定时器两种。 其中通用定时器线圈通电时,开始计时,断电时,自动复位,不保存中间数值。而积算定时器在定时过程中即使断电它也会把当前值保持下来,当重新上电时再继续累加计时直到触点动作。因为积算定时器断电时线圈不会复位,所以需要复位指令使其强制复位。
3.填空题
(1)定时器的线圈通电时开始定时,定时时间到时,其常开触点闭合,常闭触点 断开。
(2)通用定时器的线圈失电时被复位,复位后其常开触点断开,常闭触点闭合,当前值等于0。
(3)M8002是初始化脉冲,当PLC由STOP变为RUN时,它ON一个扫描周期。当PLC处于RUN状态时,M8000一直为闭合。
4.若将图3-42中的定时器T0换成T200时,定时器的定时值是多少?定时器线圈的驱动信号(图3-42中的X0)应为长信号,若X0的外部设备是按钮,该如何处理?
答:若将T0换为T200,此时定时器的定时值为1s;通过一个辅助继电器M0进行自锁。
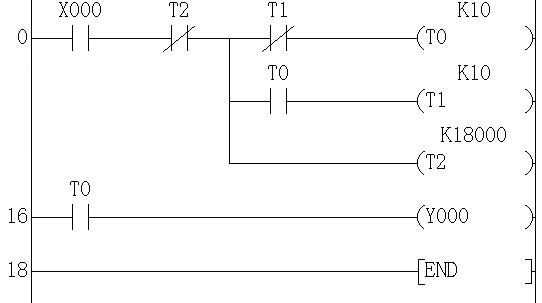
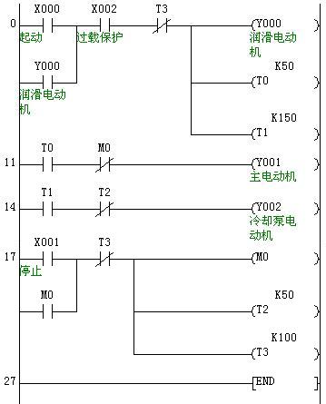
5.若将图3-44的控制要求改为:某控制系统有3台电动机,当按下起动按钮SB1时,润滑电动机起动;运行5s后,主电动机起动;运行10s后,冷却泵电动机起动。当按下停止按钮SB2时,主电动机立即停止;主电动机停5s后,冷却泵电动机停止;冷却泵电动机停5s后,润滑电动机停止。当任一电动机过载时,3台电动机全停。试编写控制程序。
答: 起动SB1---X0 停止SB2---X1 热继电器---X2
主电机----Y1 润滑电机---Y0 冷却泵电机---Y2
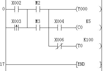
6.某控制系统有一盏红灯,当合上开关K1后,红灯亮1s灭1s,累计点亮半个小时后自行关闭。试编写控制程序。
答:
因为K1为开关,所以不用设置自锁。
7. 有一交通灯控制系统,其控制要求如下。
(1)当按下操作面板上的PB1(X20)时,交通灯开始工作。
(2)首先,红信号灯Y0 点亮10s。
(3)红信号灯10s 后熄灭。黄信号灯Y1 点亮5s。
(4)黄信号灯5s 后熄灭。绿信号灯Y2 点亮10s。
(5)绿信号灯Y2 在点亮10s 后熄灭。
(6)重复以上从(2)起的动作。
试确定系统的输入和输出,并编写程序。
答:
任务五 思考与练习
1.简述计数器的分类、用途。计数器的计数范围是多少?
答: 计数器可按其计数方式、计数范围、计数开关量的频率、计数器的元件号及设定值等分为如下5类。
(1)16位通用加计数器C0~C99,共100点,设定值:1~32 767。16位是指其设定值寄存器为16位。
(2)16位锁存加计数器C100~C199,共100点,设定值:1~32 767。
(3) 32位通用加/减双向计数器C200~C219,共20点,设定值:−2 147 483 648~+2 147 483 647。32位是指其设定值寄存器为32位。
(4)32位锁存加/减双向计数器C220~C234,共15点,设定值:−2 147 483 648~+2 147 483 647。
(5)32位加/减双向高速计数器C235~C255,共21点,设定值:−2 147 483 648~+2 147 483 647。
2.计数器的复位输入电路断开、计数输入电路闭合时,计数器的当前值加1。计数当前值等于设定值时,其常开触点闭合,常闭触点断开。再来计数脉冲时当前值不变。复位输入电路闭合 时,计数器被复位,复位后其常开触点断开,常闭触点闭合,当前值等于0。
3.如何将C200~C255设置为加计数器或减计数器?
答:C200~C255加/减双向计数器的计数方向由特殊辅助继电器M8200~M8255设定,对应的特殊辅助继电器为ON时,为减计数器(每计一个数,计数器的当前值就从设定值开始逐步减1),反之为加计数器(每计一个数,计数器的当前值就从0开始逐步加1
4. 试设计一个控制电路,该电路中有3台电动机,并且它们用一个按钮控制。第1次按下按钮时,M1起动;第2次按下按钮时,M2起动;第3次按下按钮时,M3起动;再按1次按钮3台电动机都停止。
答:
5.按下按钮X0后Y0变为ON并自锁,T0计时7s后,用C0对X1输入的脉冲计数,计满4个脉冲后Y0变为OFF,同时C0和T0被复位,在PLC刚开始执行用户程序时,C0也被复位,设计出梯形图。
答:
任务六 思考与练习
1.试用计数器实现单按钮起停控制程序。
答:
2.试用LDP或LDF指令编写任务五中的产品出入库数量监控程序。
答:
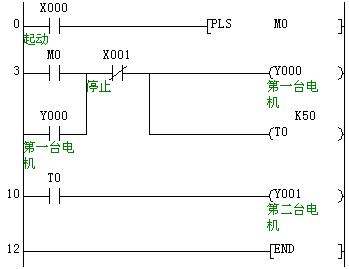
3.试用PLS指令及自锁电路来实现两台电动机顺序起动、同时停止控制电路。上机编程并调试。
答:
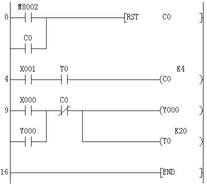
4.自动冲水设备在有人使用时光电开关X0为ON,冲水控制系统在使用者使用3s后令冲水阀Y0为ON并冲水2s,使用者离开后,冲水5s后停止。
任务七 思考与练习
1.将图3-68的指令表转换成梯形图。
(a) (b)
图3-68 指令表
答:梯形图如下
(a) (b)
2.与主控触点下端相连的常闭触点应使用LDI 指令。
任务八 思考与练习
1.什么叫顺序功能图?它有几部分组成?顺序功能图分为几类?
答:(1)顺序功能图就是就是将一个复杂的控制过程分解为若干个工作步分清各个步的工作细节,再依据总的控制要求将这些步联系起来,形成的顺序功能图。(2) 它主要有步、动作、有向连线、转移条件组成。(3)SFC基本结构可分为单分支、选择分支、并行分支和循环分支4种。
2.FX系列PLC的步进指令有几条?如何使用?
答:步进指令有STL和RET两条。STL是将步进接点接到左母线上。RET是步进结束指令。
3.如何将顺序功能图转换成梯形图?其编程规则有哪些?
答:将顺序功能图转化为步进梯形图时,编程顺序为先进行负载的驱动处理,然后进行转移处理。当然,没有负载的状态不必进行负载驱动处理。对应于某步的状态器S在梯形图中用STL的触点表示,STL指令为与主母线连接的常开触点指令,它在梯形图中占一行;接着就可以进行驱动处理,它可以直接驱动各种线圈(可以是Y、M、S、T、C的线圈)及应用指令或通过触点驱动线圈,若通过触点驱动线圈,开始的触点使用LD、LDI指令。通常用单独触点作为转移条件,但是在实际中,X、Y、M、S、T、C等各种软元件触点的逻辑组合(复杂的串联、并联)也可用作转移条件;转移目标用SET或OUT指令实现。最后使用RET指令返回原来的主母线。
编程规则:
(1)初始步可由其他步驱动,但运行开始时必须用其他方法预先作好驱动,否则状态流程不可能向下进行。
(2)步进梯形图编程顺序为:先进行驱动处理,后进行转移处理。二者不能颠倒。驱动处理就是该步的输出处理,转移处理就是根据转移方向和转移条件实现下一步的状态转移。
(3)编程时必须使用STL指令对应于顺序功能图上的每一步。
(4)各STL触点的驱动电路一般放在一起,最后一个STL电路结束时,一定要使用步进返回指令RET使其返回主母线。
(5)STL触点可以直接驱动也可以通过别的触点驱动。
(6)驱动负载使用OUT指令。
(7)由于CPU只执行活动步对应的电路块,因此使用STL指令时允许“双线圈”输出。
(8)在步的活动状态的转移过程中,相邻两步的状态器会同时ON一个扫描周期,此时可能会引发瞬时的双线圈问题。
(9)SET指令和OUT指令均可以用于步的活动状态的转移,可将原来活动步对应的状态器复位,将后续步置为活动步,此外还有自保持功能。
4.填空题:
(1)状态继电器是构成顺序功能图的重要软元件,它要与STL(步进梯形)指令配合使用。
(2)与STL步进触点相连的触点应使用LD 或LDI 指令。
(3)顺序功能图的编程原则为:先进行负载的驱动处理,然后进行转移处理 。
(4)顺序功能图中,在运行开始时,必须作好预驱动,一般可用M8002或M8000进行驱动。
(5) FX系列PLC的状态继电器中,初始状态继电器为S0~S9,通用状态继电器为S20~S499
5.试设计4盏流水灯每隔1s顺序点亮,并循环往复的顺序功能图和梯形图。
答:
6.将图3-79转换成梯形图和指令表。
图3-79 题5图
答:梯形图如下:
指令表如下
7.按下起动按钮X0,某加热炉送料系统控制Y0~Y3,依次完成开炉门、推料、推料机返回和关炉门几个动作,Xl~X4分别是各动作结束的限位开关,画出控制系统的顺序功能图。
答:
8.设计一个汽车库自动门控制系统,具体控制要求是:汽车到达车库门前,超声波开关接收到来车的信号,门电动机正转,门上升,当门升到顶点碰到上限开关时,停止上升,汽车驶入车库后,光电开关发出信号,门电动机反转,门下降,当下降到下限开关后门电动机停止。试画出PLC的I/O接线图,并设计出梯形图程序。
答:
任务九 思考与练习
1.选择分支的顺序功能图在分支和汇合上有什么特点?如何编程?
答:在进行选择分支的顺序功能图与步进梯形图之间的转换时,应首先进行分支状态元件的处理。处理方法是:先进行分支状态的输出连接,然后依次按照各个分支的转移条件置位各转移分支的首转移状态元件;其次依顺序进行各分支的连接;最后进行汇合状态的处理。汇合状态的处理方法是:先进行汇合前的驱动连接,然后依顺序进行汇合状态的连接。
2. 用步进指令设计电动机正反转的控制程序。
答:
3.抢答器控制。抢答器系统可实现四组抢答,每组两人。共有8个抢答按钮,各按钮对应的输入信号为X000、X001、X002、X003、X004、X005、X006、X007;主持人的控制按钮的输入信号为X010;各组对应指示灯的输出控制信号分别为Y001、Y002、Y003、Y004。前三组中任意一人按下抢答按钮即获得答题权;最后一组必须同时按下抢答按钮才可以获得答题权;主持人可以对各输出信号复位。试设计抢答器控制系统的顺序功能图。
答:
4.图3-89 为使用传送带将大、小球分类选择传送的装置示意图。其动作顺序为下降、
吸工件、上升、右移、下降、释放工件、上升、左移。左上为原点,当机械臂下降且电磁铁
吸住大球时,限位开关SQ2 断开,而吸住小球时SQ2 接通,以此判断大球或小球。试画出
顺序功能图并编写程序。
答:
任务十 思考与练习
1.有一并行分支的顺序功能图如图3-100所示。请对其进行编程。
2.用步进阶梯指令编一简单的直流电动机控制程序,要求达到的功能如下:直流电动机能够首先正向运行10s,停5s后,反向运行10s,如此循环5次,自动停机。
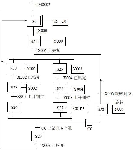
答:
3.某组合钻床用来加工圆盘状态零件上均匀分布的6个孔,如图3-101所示。操作人员放好工件后,按下起动按钮X0,Y0变为ON,工件被夹紧,夹紧后压力继电器X1为ON,Y1和Y3使两只钻头同时开始向下进给。大钻头钻到由限位开关X2(SQ1)设定的深度时,Y2使它上升,升到由限位开关X3(SQ2)设定的起始位置时停止上行。小钻头钻到由限位开关X4(SQ3)设定的深度时,Y4使它上升,升到由限位开关X5(SQ4)设定的起始位置时停止上行,同时设定值为3的计数器的当前值加1。两个都到位后,Y5使工件旋转120°,旋转结束后又开始钻第二对孔。3对孔都钻完后,计数器的当前值等于设定值3,转换条件满足。Y6使工件松开,松开到位后,系统返回初始状态。画出PLC的外部接线图和控制系统的顺序功能图,并将顺序功能图转换成梯形图。
图3-101 钻床加工零件示意图
答:(1)I/O(输入/输出)分配表
分析上述控制要求,PLC需要8 个输入点,7个输出点,其I/O 分配表如表所示。
(2)编程
分析控制要求可设计出组合钻床的顺序功能图如图所示。
其对应的梯形图如图所示。
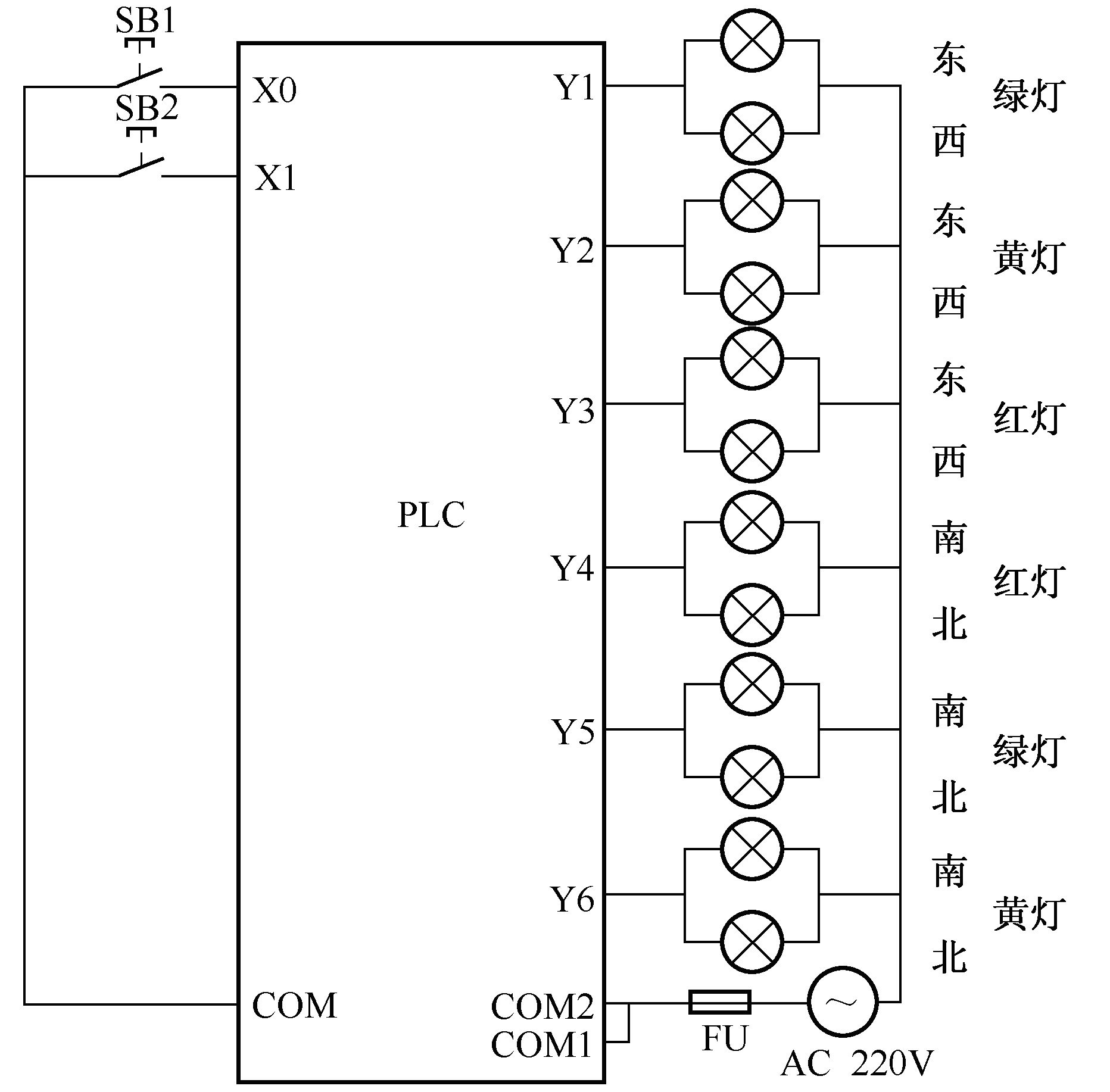
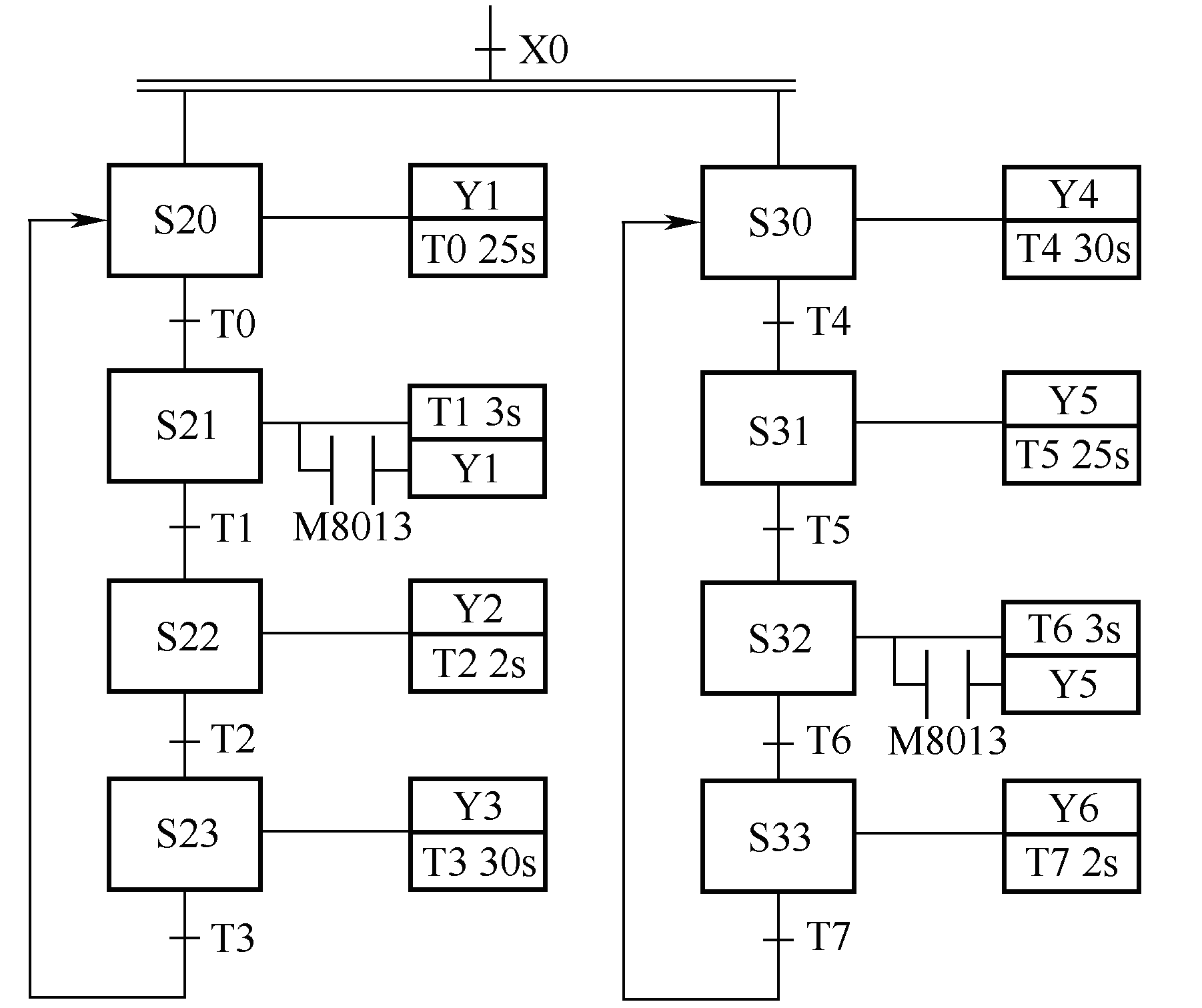
4. 十字路口交通灯的布置如图3-102 所示。当按下启动按钮时,信号灯系统开始工作,且先南北红灯亮、东西绿灯亮。当按下停止按钮时,所有的信号灯全部熄灭。工作时绿灯亮25s,并闪烁3 次(即3s),黄灯亮2s,红灯亮30s。各方向三色灯的工作时序图如图3-103 所示。
答:
文章我不会怎么写,但是呢我会竭尽全力为大家分享干货,让你在茫茫人海中,找到你想要的答案,恳求你帮个忙我一个小小忙♥♥
1、点个赞,为了想让更多的知道;
2、加个关注,为你分享大学生的痛点,帮你解决。
感谢你的支持
更多推荐


所有评论(0)