FMC板卡标准(二)FMC夹层卡模块
说明:ANSI/VITA 57.1-2008标准对FMC规范做了详细的规定,包括对FMC的特性、尺寸、FMC载板、FMC连接器管脚分配以及电气要求等都有详细的要求。本文我们介绍下VITA 57.1-2008标准里第三章内容,即FMC夹层卡模块相关的内容。3. FMC夹层卡模块3.1 概述该部分主要介绍下IO夹层卡模块的机械尺寸。IO夹层卡模块定义了单宽和双宽两种尺寸。单宽宽度为69mm,双宽...
说明:ANSI/VITA 57.1-2008标准对FMC规范做了详细的规定,包括对FMC的特性、尺寸、FMC载板、FMC连接器管脚分配以及电气要求等都有详细的要求。本文我们介绍下VITA 57.1-2008标准里第三章内容,即FMC夹层卡模块相关的内容。
3. FMC夹层卡模块
3.1 概述
该部分主要介绍下IO夹层卡模块的机械尺寸。IO夹层卡模块定义了单宽和双宽两种尺寸。单宽宽度为69mm,双宽为139mm。
FMC夹层卡模块使用400pin的高速矩阵连接器HPC,兼容160pin的低数量管脚LPC连接器。
为了支持宽范围的市场、环境和载板,FMC支持宽范围的I/O接口。
- 区域1和区域2:典型的应用在风冷商业级载板
- 区域2和区域3:典型的应用在建议的传导散热载板
- 区域1,2和3:典型的应用在需要区域1的建议的载板
该文档描述标准风冷版本夹层卡模块,面向商业级应用。3.5章节描述附加的传导冷却夹层卡模块。
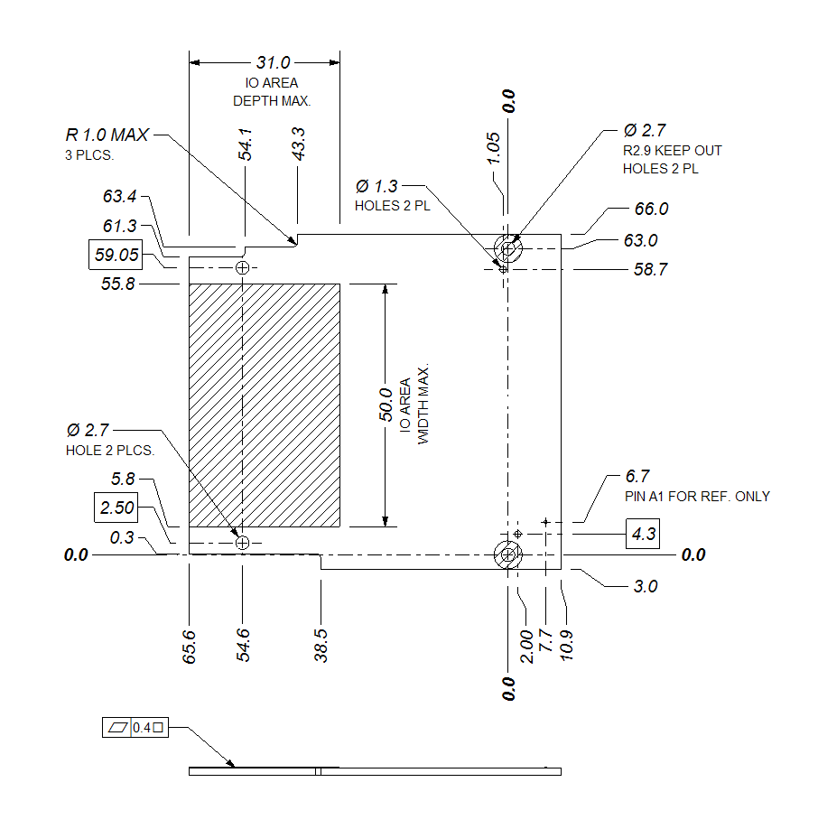
3.2 单宽夹层卡模块
单宽FMC夹层卡模块典型的应用区域1和2,图5显示了风冷non-rugged版本夹层模块的机械尺寸。
规则3.1: 单宽商业级模块应该满足图5所示尺寸。可选的添加区域3,如图4所示的PCB;当没有前面板I/O要求时,可选的移除区域1。
规则3.2: 单宽模块应该有一个连接器,标识为P1,位于夹层卡模块和载板之间
规则3.3: 对于商业级form factors,在图5中P1连接器位置被高亮
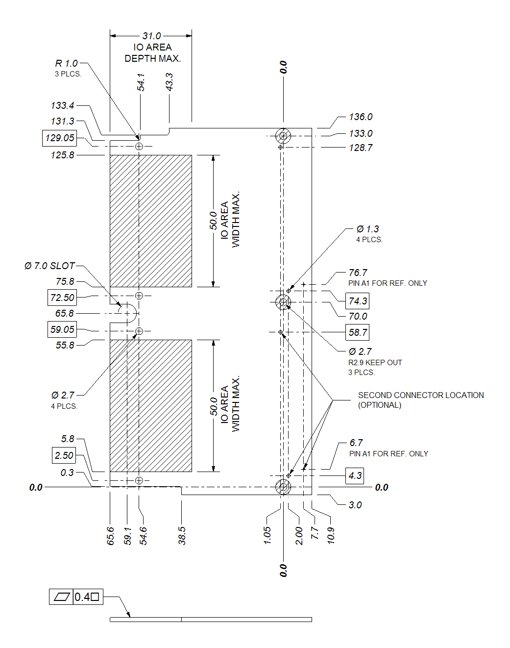
3.3 双宽夹层卡模块
图6提供了双宽FMC夹层卡模块尺寸。
规则3.4: 双宽模块P1为优先连接器,P2为第二个连接器
规则3.5: 双宽商业级模块应该满足图6机械尺寸
规则3.6: 双宽至少有一个连接器P1,图7显示了只使用一个连接器的双宽夹层卡模块
允许3.1: 双宽模块允许使用两个连接器,P1和P2位置如图8所示。
推荐3.1: 对于使用HPC和LPC的双宽模块,P1应该使用HPC连接器。
评论3.1: 不要假定P1和P2上的信号连接到同一个FPGA上,P1连接到一个FPGA,P2连接到另外一个FPGA上也是可行的。
3.4 连接器
高管脚连接器有400个连接,分布在10×40的矩阵中;低管脚连接器有160个连接,也位于10×40的矩阵中,不过只占用两排2×40个管脚。
规则3.8: 支持高数量管脚的FMC载板应该使用连接器类型为CC-HPC-10(Samtec Part Number ASP-134486-01 or equivalent)或者CC-HPC-10L(Samtec Part Number ASP-134485-01 or equivalent)
规则3.9: 支持低数量管脚的FMC载板应该使用连接器类型为CC-LPC-10(Samtec Part Number ASP-134603-01 or equivalent)或者CC-LPC-10L(Samtec Part Number ASP-127796-01 or equivalent)
规则3.10: FMC IO夹层卡模块使用10mm高度,使用高数量管脚连接器,应该使用连接器类型MC-HPC-10(Samtec Part Number ASP-134488-01 or equivalent)或者MC-HPC-10L(Samtec Part Number ASP-134487-01 or equivalent)
规则3.11: FMC IO夹层卡模块使用8.5mm高度,使用高数量管脚连接器,应该使用连接器类型MC-HPC-8.5(Samtec Part Number ASP-134602-01 or equivalent)或者MC-HPC-8.5L(Samtec Part Number ASP-134601-01 or equivalent)
规则3.12: FMC IO夹层卡模块使用10mm高度,使用低数量管脚连接器,应该使用连接器类型MC-LPC-10(Samtec Part Number ASP-134604-01 or equivalent)或者MC-LPC-10L(Samtec Part Number ASP-127797-01 or equivalent)
规则3.13: FMC IO夹层卡模块使用8.5mm高度,使用低数量管脚连接器,应该使用连接器类型MC-LPC-8.5(Samtec Part Number ASP-134606-01 or equivalent)或者MC-LPC-8.5L(Samtec Part Number ASP-134605-01 or equivalent)
推荐3.2: 当要求含铅工艺时,应使用连接器CC-HPC-10L替代CC-HPC-10
推荐3.3: 当要求含铅工艺时,应使用连接器CC-LPC-10L替代CC-LPC-10
推荐3.4: 当要求含铅工艺时,应使用连接器MC-HPC-10L替代MC-HPC-10
推荐3.5: 当要求含铅工艺时,应使用连接器MC-HPC-8.5L替代MC-HPC-8.5
推荐3.6: 当要求含铅工艺时,应使用连接器MC-LPC-10L替代MC-LPC-10
推荐3.7: 当要求含铅工艺时,应使用连接器MC-LPC-8.5L替代MC-LPC-8.5
规则3.14: HPC连接器应该尽量有可能的400个管脚信号分配
规则3.15: LPC连接器应该尽量有可能的160个管脚信号分配
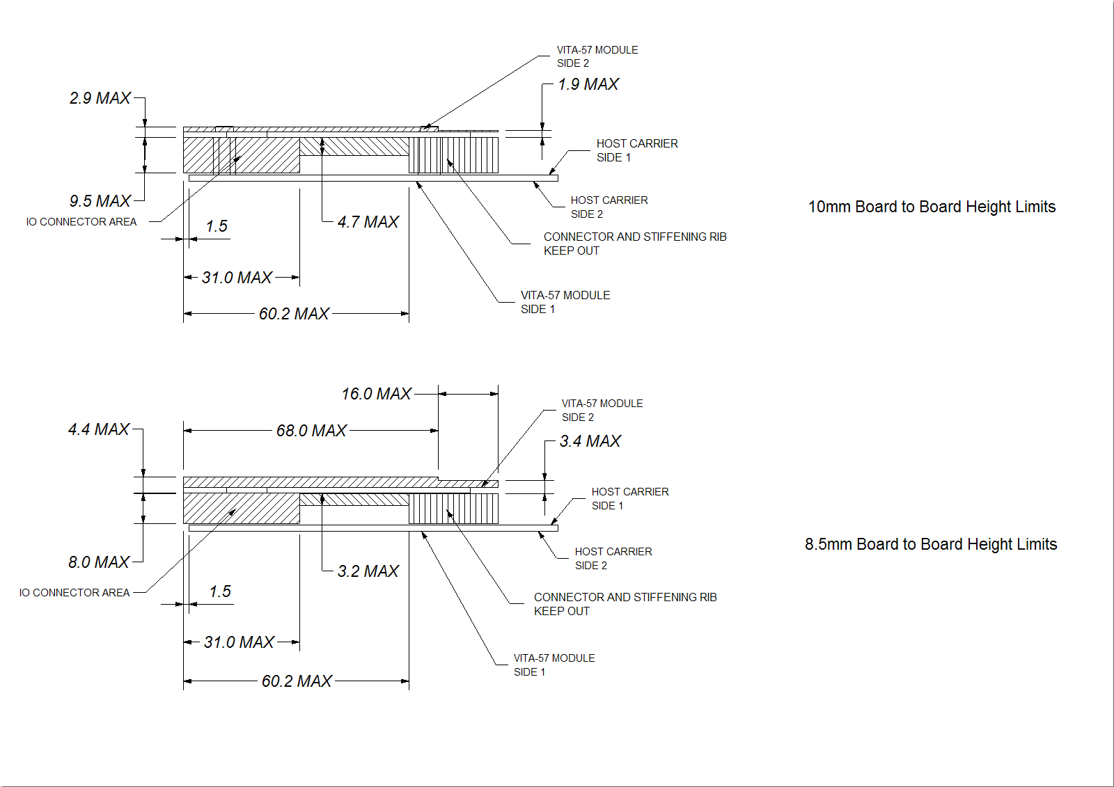
3.4.1 可变的层叠高度
夹层卡模块默认的高度为10mm,允许8.5mm高度。图9举例了最大高度10mm层叠和最新8.5mm层叠。
规则3.16: 层叠高度从8.5mm到10mm是应该遵循的
规则3.17: 层叠高度调整,只能改变夹层卡连接器
规则3.18: FMC载板厂商在重叠区域3,不能有器件高于8.5mm
评论3.2:
3.4.2 地连接
规则3.19: 为了阻止接地回路(ground loop)问题,FMC前面板挡板应该和夹层模块的电路地(circuit ground)电气隔离
规则3.20: 在FMC前面挡板和夹层卡电路之间,电路板(Borads)应提供至少500VDC和1MΩ的隔离
规则3.21: 为了阻止地回路问题,FMC载板的前面板和载板电路地应该隔离
规则3.22: 载板前面挡板和载板电路地之间,应提供供至少500VDC和1MΩ的隔离
允许3.2: 基于系统要求,可能需要更多的隔离
规则3.23: 所需的位于P1连接器(和P2连接器,双宽)附件的螺母柱应接到夹层卡的机壳地(chassis ground),或者交流耦合到夹层卡模块的电路地,这样不至于产生浮空和产生不想要的天线效应
规则3.23: 所需的位于P1连接器(和P2连接器,双宽)附件的螺母柱应接到载板的机壳地(chassis ground),或者交流耦合到载板模块的电路地,这样不至于产生浮空和产生不想要的天线效应
规则3.24: 如果交流耦合到电路地,电容应满足规则3.20的要求
规则3.25: 所有的钥匙孔(keying holes)应和夹层卡模块的电路地电气隔离
规则3.26: FMC前面挡板应该连接到载板的机壳地
3.4.3 连接器焊盘和标签
图10显示了用在载板上的FMC连接器焊盘布局。图11显示了用在IO夹层卡模块上的FMC连接器焊盘布局。
3.4.4 连接器安装
规则3.27: 在平行于PCB的任何平面内,FMC连接器的安装最大容忍误差为±0.13mm
规则3.28: 对于双宽使用P1和P2连接器时,FMC连接器的安装最大误差为±0.065mm
规则3.29: 对于安装双宽的载板,每个连接器的最大容忍误差为±0.065mm
规则3.30: 最大容忍误差应该在IO夹层模块和载板之间平均分配
规则3.31: 真实位置(TP)是靠近PCB连接器的一个参考点,用来焊接前,装配定位参考使用
规则3.32: 任何连接器的角度偏差不能超过0.066°,沿长度或者宽度不能超过0.065mm
规则3.33: 连接器接触点焊料和PCB镀锡厚度控制在0.1mm内,接触点焊料过多会导致连接器安装过高
评论3.4: 本章节的规则,保证了任何两个匹配连接器之间的最大允许偏差为0.13mm,双宽最大允许偏差为0.065mm
3.5 传导冷却夹层模块
3.5.1 单宽模块
第二个形状因子是加固传导冷却形状因子,主要用于恶劣的环境。
典型的PCB实现只使用如图4所示的区域2和3。图12举例包含区域2和3的加固FMC夹层模块。
规则3.34: 单宽传导冷却级模块应该满足图13的尺寸,包括一个可选的图4所示的区域1
规则3.35: 图13显示了连接器P1管脚A1的位置
规则3.26: 传导冷却夹层模块应只有10mm层叠高度
规则3.37: 任何夹层模块,传导冷却或者风冷,包含区域3时,层叠高度应为10mm
规则3.38: 传导冷却加固模块应该设计用于风冷FMC载板
允许3.3: 位于FMC传导冷却夹层模块器件禁止布线区的走线,焊盘和过孔等导体,应该电气绝缘,防止与导体表面接触时出现电气问题。阻焊层和垫片是有效的电器绝缘方法。
评论3.5: 紧固所有 位置螺钉可以获得最佳的机械和散热性能
商业级FMC夹层模块PCB形状因子超出了典型的加固VME和VPX载板器件边界。因此,PCB长度必须通过移除区域1,以减少5.25mm,使前面板兼容IEEE 1101.2条款。除了前面板减少,传导冷却的形状因子在模块后部延伸7.5毫米(区域3)。这意味着模块可以连接直接到VME和VPX载体卡上的中心骨架上。
3.5.2 双宽模块
一个可变的双宽FMC传导冷却夹层模块也被定义。
规则3.39: 双宽传导冷却级模块应该满足图15的尺寸,包括一个可选的图4所示的区域1
3.5.3 传导冷却
允许3.4: 传导冷却载板可以设计为固定或者可移动的主骨架。
允许3.5: 传导冷却载板提供一种机制允许安装风冷FMC
评论3.6: 传导移除冷却主卡的散热和加强筋放入风冷FMC物理外壳,为与风冷FMC夹层模块完全兼容,必须加强筋
评论3.7: 载板要求最大兼容夹层模块,应该灵活的移除二次加强筋
规则3.40: 电气地回流不应该通过热接口
3.5.4 热接口
规则3.41: 主要的热接口应该包括FMC夹层模块和载板
允许3.6: 为了改善热性能,二次热接口可以条件到VITA夹层模块的任何一个或者两个模块的侧面
规则3.42:
允许3.7: 对于使用单个FMC模块的主卡,可以从左右两侧辅助冷却,以增强热性能
规则3.43: 载板设计应该能够配置为适应本标准规定的所有热接口
规则3.44: 夹层模块和载板热传导接口应该平整,平整度为0.002mm/mm或者更好。表面粗糙度为RMS 0.65um或者更好
评论3.8: 平整度和表面光洁度时获得最佳热阻抗要求的
规则3.35: 夹层模块和载板热传导表面应该耐腐蚀或经防腐处理
评论3.9: 导电面上的腐蚀产物已经证明随着时间的推移会大大降低热性能
允许3.8: 为满足此规则, 铝结构可以是硫酸阳极氧化和密封的,请参考:ISO 7599
评论3.10: 硬阳极氧化不推荐用作硬质氧化物,会大大降低壳体导热
允许3.9: 铝结构可电解镀镍符合本规则,参考号:ISO 4527
3.5.5 空气冷却和传导冷却兼容性
六种类型的FMC需要考虑兼容性:
- 1.使用前面板I/O的风冷FMC
- 2.不使用前面板I/O的风冷FMC(例如,存储器扩展卡)
- 3.使用前面板I/O的传导冷却FMC
- 4.不使用前面板I/O的传导冷却FMC
- 5.使用区域1和前面板I/O的传导冷却FMC
- 6.使用区域1,不使用前面板I/O的传导冷却FMC
其他三种载板类型:
- 1.风冷载板
- 2.使用定加强筋的传导冷却载板
- 3.可移除加强筋的传导冷却载板
模块和载板兼容性如表1所示。
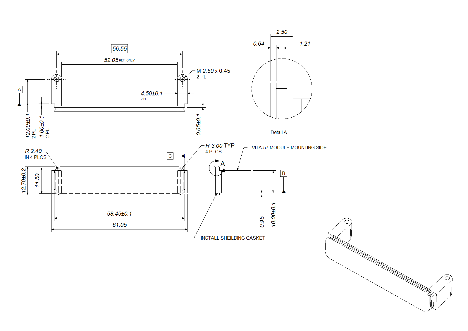
3.6 FMC前面挡板
FMC前面挡板由两个基本的组成部分:挡板和EMC垫圈。
允许3.10: 当承载卡上的加强筋不存在时,可使用FMC模块的挡板;这在商业级夹层模块中经常应用。
规则3.46: 每个FMC夹层模块设计时都要考虑挡板。
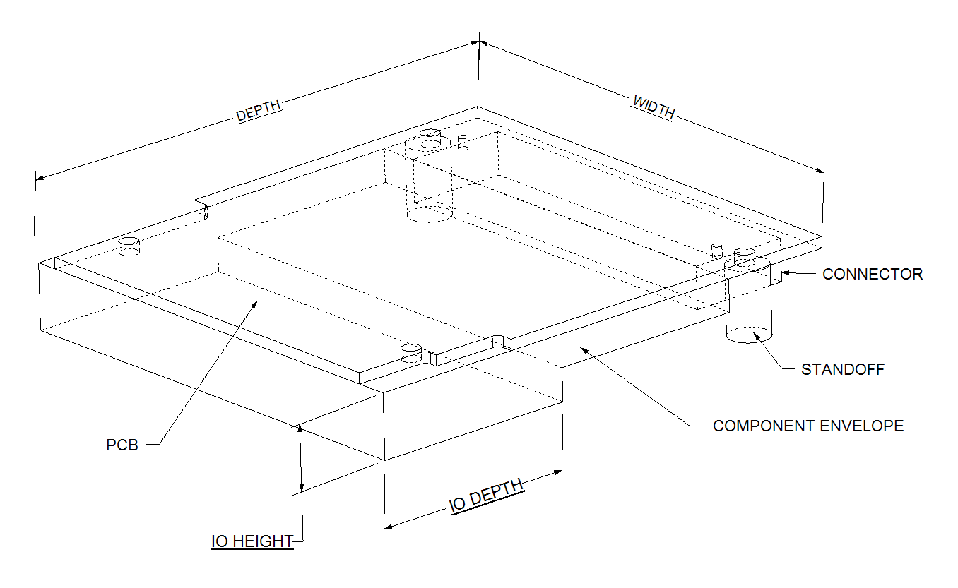
前面挡板的主要作用是用来安装前面板I/O连接器,或者特殊的指示器或者开关。由于使用了标准尺寸的挡板,因此FMC夹层模块可以安装到任何提供一个FMC插槽主机中。图16显示了FMC前面挡板的机械尺寸。
规则3.47: 这些支腿的高度应与两个支柱的高度相同,并用于靠近FMC连接器。
推荐3.8: 靠近FMC连接器的螺母柱应使用4.5mm面对面六角螺母柱,并允许旋转。
评论3.11: 靠近FMC连接器的螺母柱可以是5mm面对面六角螺母柱,但必须方向正确。
如果FMC PCB在FMC内上下移动,则需要相应地调整挡板腿高度。图9显示了这种关系。
规则3.48: 对于10mm堆叠高度,FMC前面板挡板的中心水平线应始终位于主机侧1表面上方5.4 mm处.
评论3.12: 注意,如果FMC PCB向上或向下移动,则FMC前面板挡板的中心线不移动。挡板总是与主机侧面1表面和主机正面保持相同的关系面板(面板)。
3.6.1 FMC夹层模块到载板的关系
完全地测量安装的FMC夹层模块非常重要。当模块被安装到FMC插槽中,当前面板提供I/O输出,需要匹配。图17举例了夹层模块和载板的对齐参数,以确保前面板I/O和载卡兼容。
规则3.49: 当FMC载板的前面板提供I/O输出,FMC夹层模块的前面板应该和载板的FMC插槽开口对齐。
评论3.13: 由于公差累积,这将不匹配。这个失配可能高达±0.3 mm
评论3.14: 模块到卡的定位假定2毫米前面板。如果不是这样,例如在AMC,那么载板设计师应考虑FMC插槽的位置,以提供与标准挡板齐平的前面板。
后记
本章节内容较多,ANSI/VITA 57.1-2008标准对FMC做了较多的约束限制。某些章节设计到结构尺寸相关知识,个别地方会翻译的有些绕口,后续会持续改进。接下来的博文,我们将介绍FMC载卡相关的知识,包括机械尺寸、安装及热设计等。
更多推荐


所有评论(0)